GM Service Manual Online
For 1990-2009 cars only
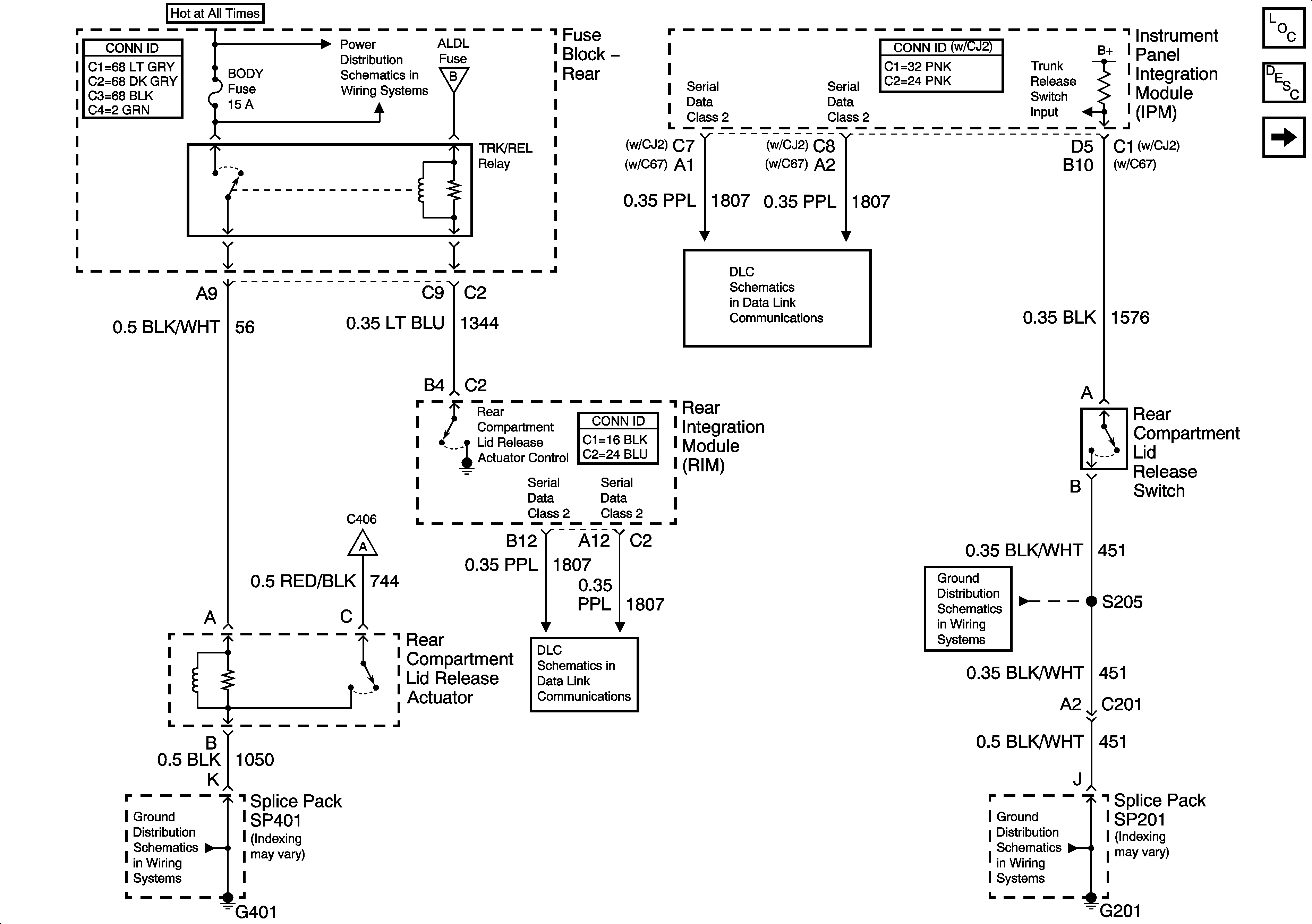
Figure 1:

Rear Compartment Lid Release (1 of 2)


Object Number: 766753  Size: FS
Master Electrical Component List
G401 (1 of 2)
Rear Compartment Lid Release (2 of 2)
Serial Data Class 2
Serial Data Class 2
G201 (2 of 2)
G201 (2 of 2)
Rear Compartment Lid Release (2 of 2)
Battery Voltage to the Rear Fuse Block
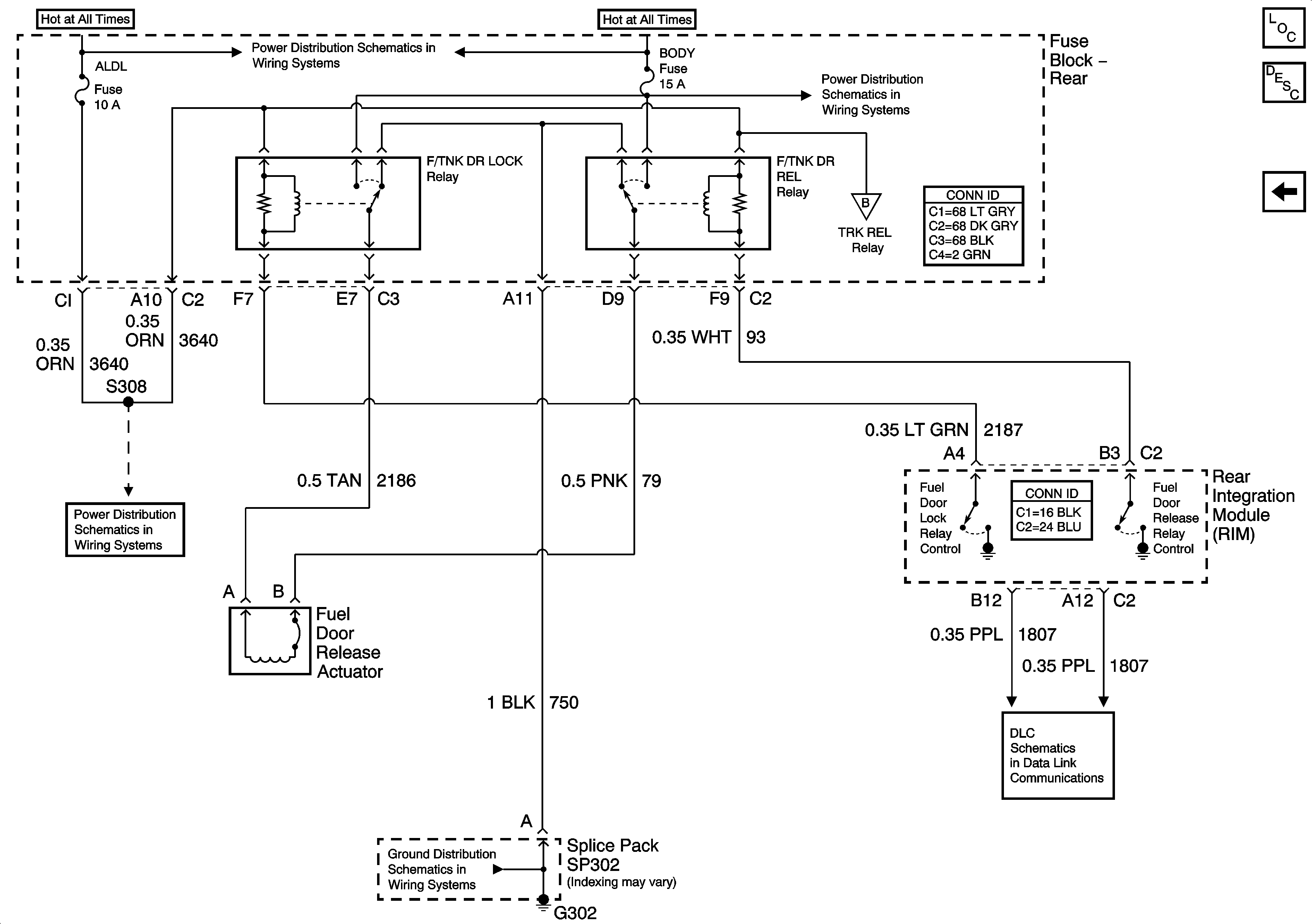
Figure 2:

Rear Compartment Lid Release (2 of 2)


Object Number: 796322  Size: FS
Battery Voltage to the Rear Fuse Block
Left Courtesy, Rear Compartment, and Ignition Cylinder Lamps
Interior Lamp Relay Controls
Master Electrical Component List
G302
G302
Rear Compartment Lid Release (1 of 2)
Left Courtesy, Rear Compartment, and Ignition Cylinder Lamps
Fuel Door Lock
Rear Compartment Lid Release (1 of 2)
Figure 3:

Fuel Door Lock


Object Number: 766767  Size: FS
Master Electrical Component List
ELC, RRFOG, ALDL Fuses, and the ELC, REAR DEFOG, F/TNKDR REL, and F/TNKDRLOCK Relays (Fuse Block Rear)
Battery Voltage to the Rear Fuse Block
G302
ELC, RRFOG, ALDL Fuses, and the ELC, REAR DEFOG, F/TNKDR REL, and F/TNKDRLOCK Relays (Fuse Block Rear)
Serial Data Class 2
Rear Compartment Lid Release (2 of 2)