GM Service Manual Online
For 1990-2009 cars only
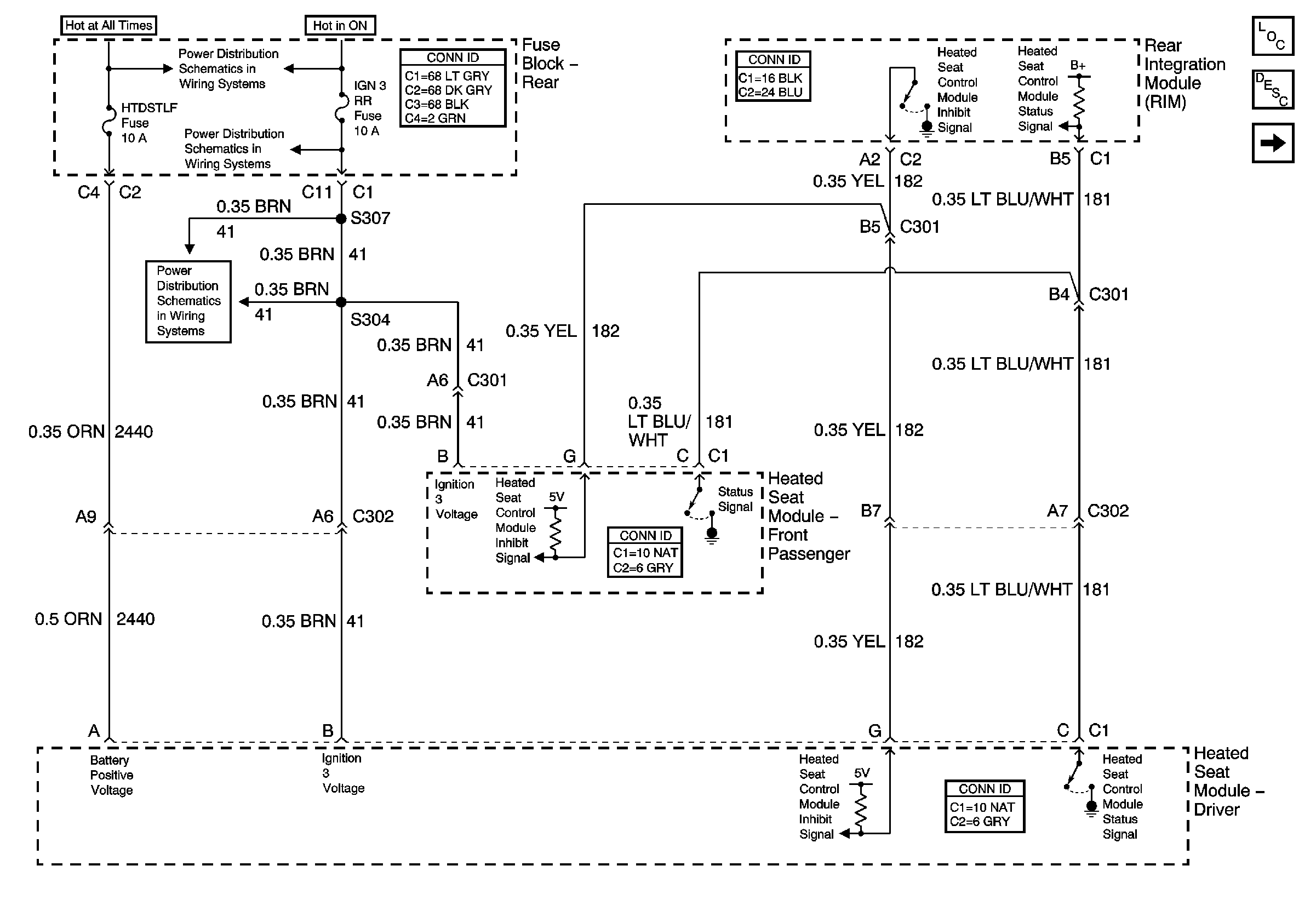
Figure 1:

Power and Rim Controls


Object Number: 793622  Size: FS
Master Electrical Component List
Battery Voltage to the Rear Fuse Block
IGN3 and ABS Fuses (Fuse Block Rear)
IGN3 and ABS Fuses (Fuse Block Rear)
Left Seat
Figure 2:

Left Seat


Object Number: 766839  Size: FS
Master Electrical Component List
Dimming Control
Right Seat
G201 (1 of 2)
G301 (2 of 2)
G301 (2 of 2)
Right Seat
Power and Rim Controls
Figure 3:

Right Seat


Object Number: 766840  Size: FS
Master Electrical Component List
HTDST RF, HTDST LF, DIM, and Mem Fuses (Fuse Block Rear)
Dimming Control
Left Seat
G300 and G301 (1 of 2)
G300 and G301 (1 of 2)
Left Seat