GM Service Manual Online
For 1990-2009 cars only
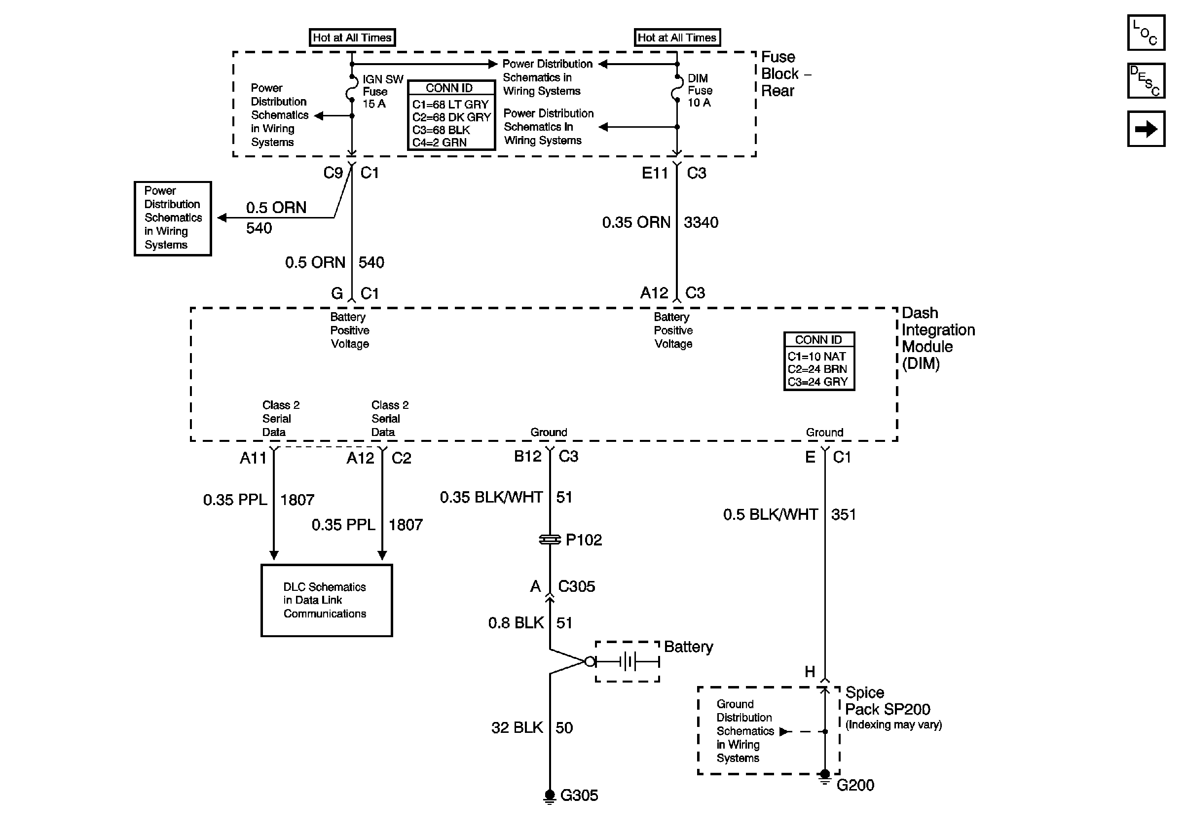
Figure 1:

DIM Power and Ground


Object Number: 792699  Size: FS
Master Electrical Component List
Body Control System Description and Operation
IGN SW, PRK/REV Fuses and the PARK and REVERSE Relays (Fuse Block Rear)
IGN SW, PRK/REV Fuses and the PARK and REVERSE Relays (Fuse Block Rear)
Serial Data Class 2
Battery Voltage to the Rear Fuse Block
HTDST RF, HTDST LF, DIM, and Mem Fuses (Fuse Block Rear)
G200
Ignition Inputs
Figure 2:

Ignition Inputs


Object Number: 766389  Size: FS
Master Electrical Component List
Body Control System Description and Operation
Ignition Switch RUN and START/RUN Positions
Ignition Switch Positions
Serial Data Class 2
DIM Inputs/Outputs
DIM Power and Ground
Figure 3:

DIM Inputs/Outputs


Object Number: 766391  Size: FS
Master Electrical Component List
Body Control System Description and Operation
Steering Wheel Controls Schematics
Headlamp, Foglamp, and Ambient Light Sensor Inputs (w/C67)
DRL Controls and High Beam Headlamps
Headlamp, Foglamp, and Ambient Light Sensor Inputs (w/C67)
Park LP Relay and License Lamps
Power and Ground
DRL Controls and High Beam Headlamps
Low Beam Headlamps
Low Beam Headlamps
Fog Lamp Schematics
Dimming Control
IPM Power and Ground
Ignition Inputs
Figure 4:

IPM Power and Ground


Object Number: 766394  Size: FS
Master Electrical Component List
Body Control System Description and Operation
HVAC BATT, DRV MDL, PASS MDL, and RRDRMDL Fuses (Fuse Block Rear)
Serial Data Class 2
Battery Voltage to the Rear Fuse Block
HVAC Fuse (Fuse Block Rear)
G201 (2 of 2)
G201 (2 of 2)
IPM Input/Outputs (1 of 2 w/CJ2)
DIM Inputs/Outputs
Figure 5:

IPM Input/Outputs (1 of 2 w/CJ2)


Object Number: 766396  Size: FS
Master Electrical Component List
Body Control System Description and Operation
Dimming Control
Headlamp, Foglamp, and Ambient Light Sensor Inputs (w/CJ2)
Headlamp, Foglamp, and Ambient Light Sensor Inputs (w/CJ2)
Dimming Control
Left Courtesy, Rear Compartment, and Ignition Cylinder Lamps
Indicators and the Traction Control Switch
Rear Compartment Lid Release (1 of 2)
Fog Lamp Schematics
Dimming Control
Radio, Door, and Ignition Switch Audible Warnings
HVAC Control w/CJ2
IPM Input/Outputs (2 of 2 w/CJ2)
IPM Power and Ground
Figure 6:

IPM Input/Outputs (2 of 2 w/CJ2)


Object Number: 664429  Size: FS
Master Electrical Component List
Body Control System Description and Operation
Air Delivery w/CJ2
Temp Sensors w/CJ2
Blower Control w/CJ2
RIM Power and Ground
IPM Input/Outputs (1 of 2 w/CJ2)
Figure 7:

RIM Power and Ground


Object Number: 792700  Size: FS
Master Electrical Component List
Body Control System Description and Operation
Battery Voltage to the Rear Fuse Block
IGN SW, PRK/REV Fuses and the PARK and REVERSE Relays (Fuse Block Rear)
IGN SW, PRK/REV Fuses and the PARK and REVERSE Relays (Fuse Block Rear)
Serial Data Class 2
G302
G302
G402
RIM Inputs/Outputs (1 of 2)
IPM Input/Outputs (2 of 2 w/CJ2)
Figure 8:

RIM Inputs/Outputs (1 of 2)


Object Number: 766400  Size: FS
Master Electrical Component List
Body Control System Description and Operation
Right Courtesy, and I/P Compartment Lamps
Cigar Lighter/Auxiliary Output
Right Courtesy, and I/P Compartment Lamps
Interior Lamp Relay Controls
Backup Lamps
Fuel Door Lock
Rear Compartment Lid Release (1 of 2)
Rear Compartment Lid Release (2 of 2)
Rap Schematic
RIM Inputs/Outputs (2 of 2)
RIM Power and Ground
Figure 9:

RIM Inputs/Outputs (2 of 2)


Object Number: 766401  Size: FS
Master Electrical Component List
Body Control System Description and Operation
Power and Rim Controls
Defogger Schematic
ALC Schematic
Power, Ground, and Solenoid Circuits
RIM Inputs/Outputs (1 of 2)