GM Service Manual Online
For 1990-2009 cars only
Makes
🢒
Pontiac
🢒
2002
🢒
Bonneville
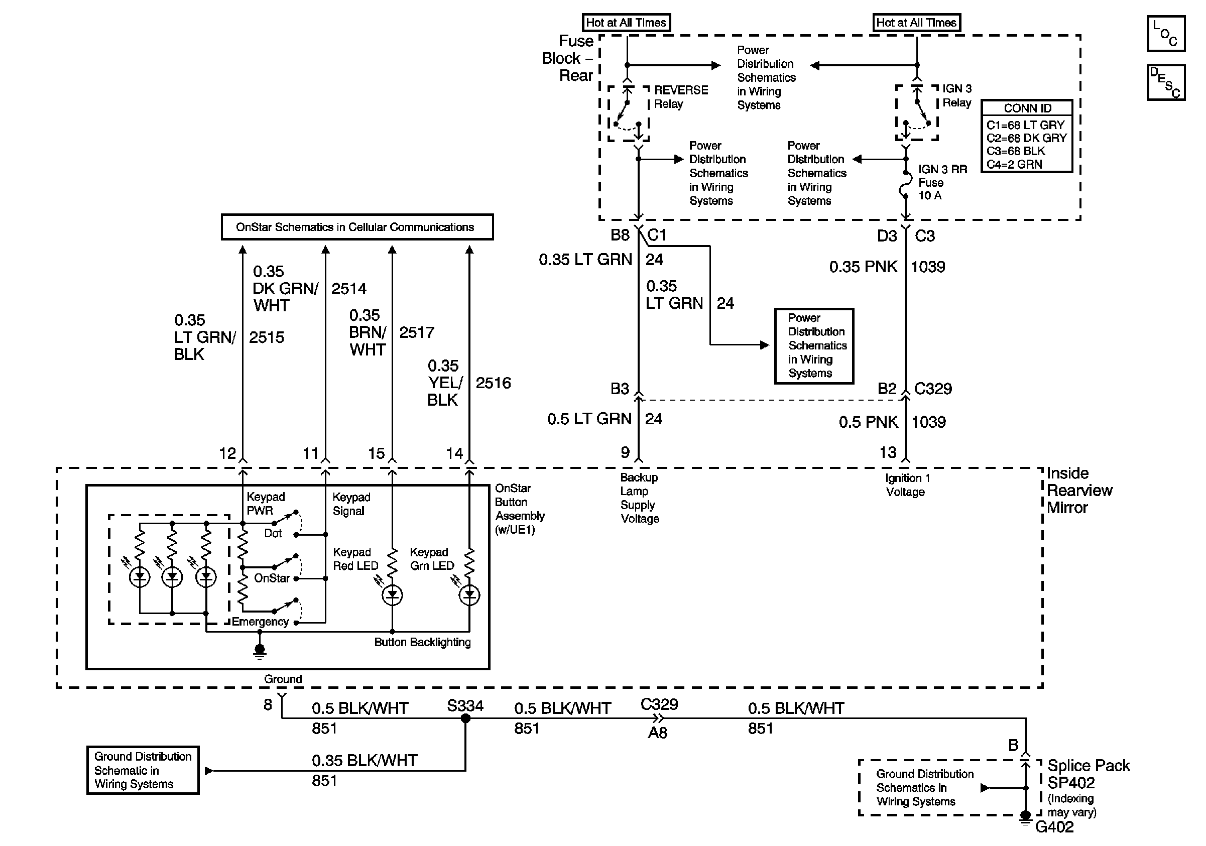
🢒 Inside RV Mirror Schematic
Inside RV Mirror Schematic
Master Electrical Component List
Keypad Controls
G402
Battery Voltage to the Rear Fuse Block
IGN SW, PRK/REV Fuses and the PARK and REVERSE Relays (Fuse Block Rear)
Battery Voltage to the Rear Fuse Block
IGN SW, PRK/REV Fuses and the PARK and REVERSE Relays (Fuse Block Rear)
G402
Stationary Window Description