GM Service Manual Online
For 1990-2009 cars only
Makes
🢒
Pontiac
🢒
2002
🢒
Bonneville
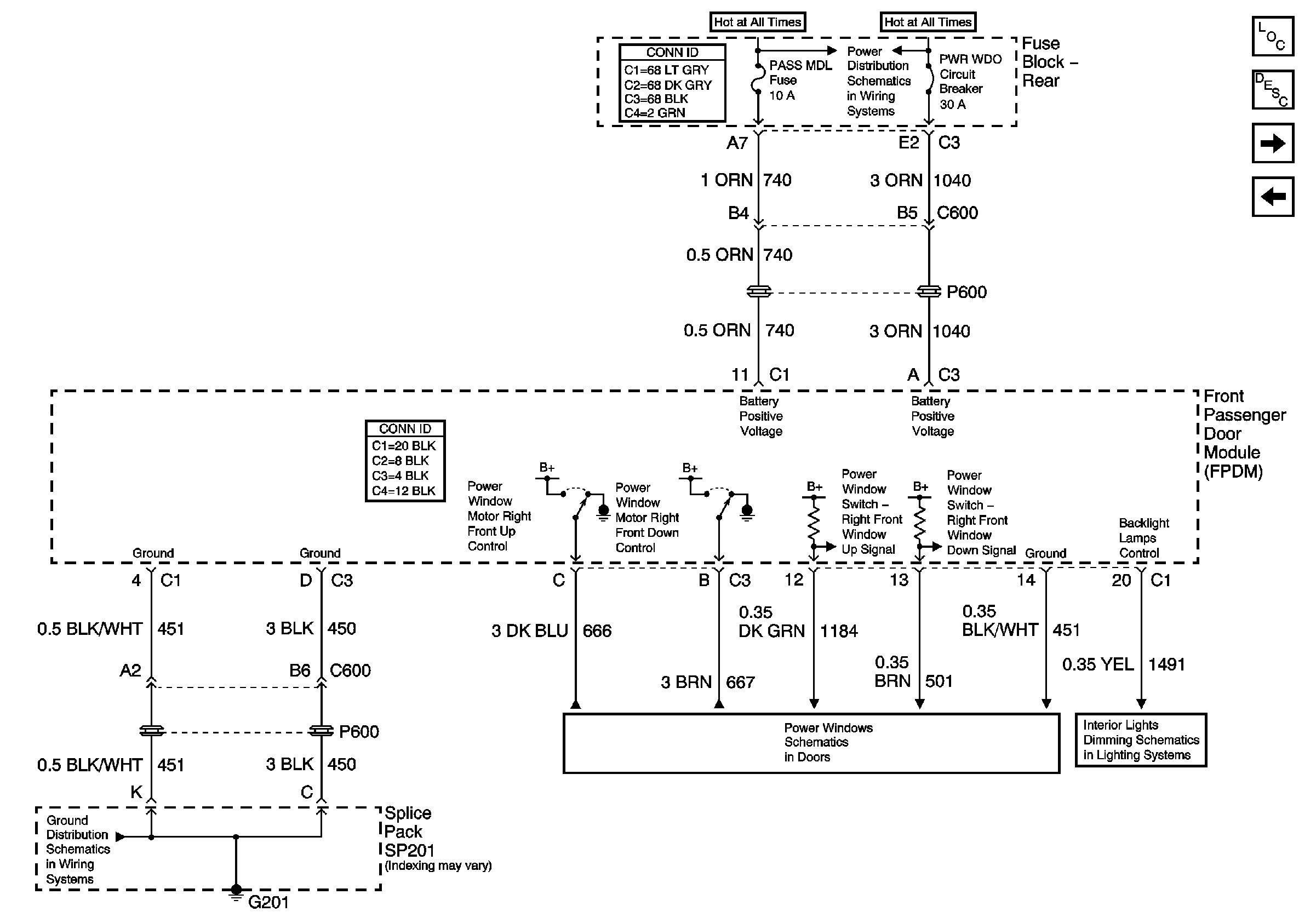
🢒 PDM Power and Ground
PDM Power and Ground
PDM Power and Ground
Master Electrical Component List
G201 (1 of 2)
Battery Voltage to the Rear Fuse Block
Right Front Door
Front Floor Lamps Dimming
DDM Inputs/Outputs
DDM Power and Ground