GM Service Manual Online
For 1990-2009 cars only
Makes
🢒
Pontiac
🢒
2002
🢒
Bonneville
🢒 Left Front Door
Left Front Door
Left Front Door
Master Electrical Component List
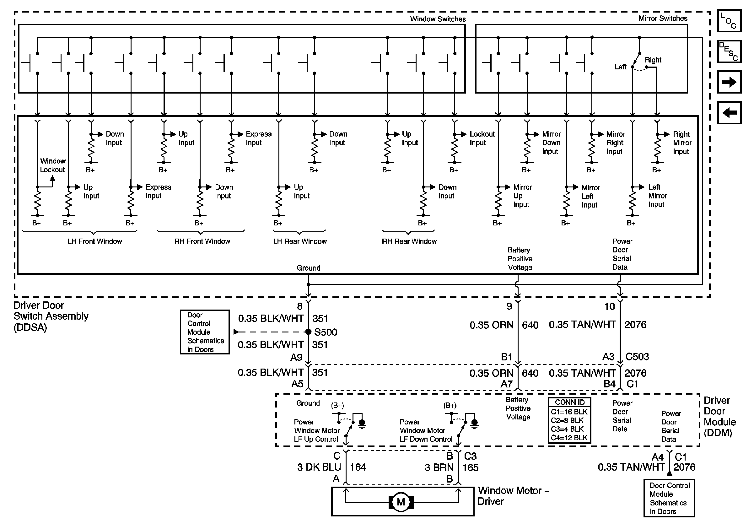
DDM Inputs/Outputs
Simple Bus Interface (SBI)
Right Rear Door
Right Front Door