GM Service Manual Online
For 1990-2009 cars only
Makes
🢒
Pontiac
🢒
2003
🢒
Bonneville
🢒
Transmission/Transaxle
🢒
Shift Lock Control
🢒 Shift Lock Control Schematics
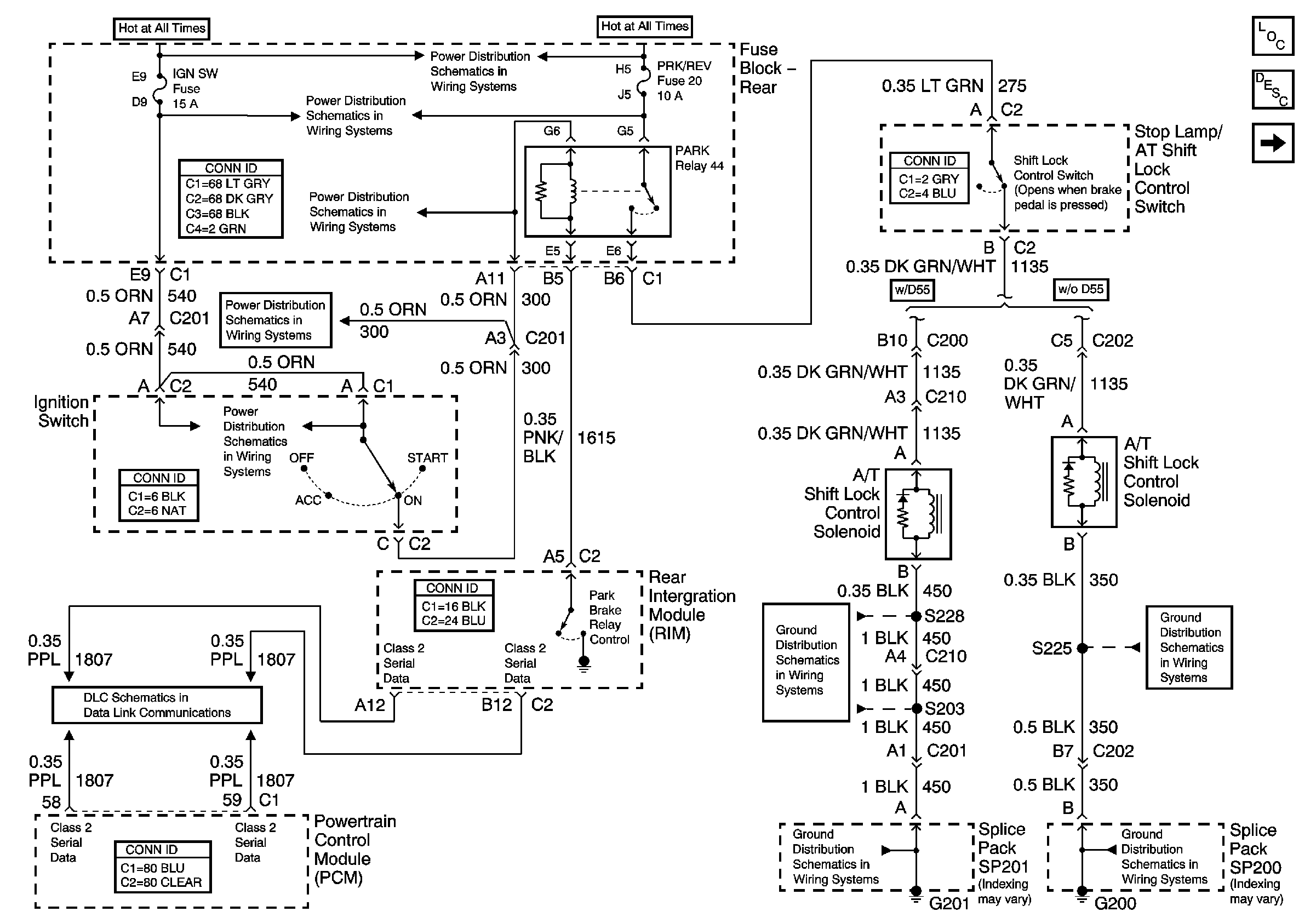
Figure
1:
Power, Ground, and Solenoid Circuits
Master Electrical Component List
Automatic Transmission Shift Lock Control Description and Operation
Serial Data Class 2
IGN SW, PRK/REV Fuses and the PARK and REVERSE Relays (Fuse Block Rear)
Ignition Switch RUN and START/RUN Positions
Ignition Switch RUN and START/RUN Positions
Ignition Switch Positions
Battery Voltage to the Rear Fuse Block
G201 (1 of 2)
G201 (1 of 2)
G200
G200
Internal Mode Switch Inputs
Figure
2:
Internal Mode Switch Inputs
Master Electrical Component List
Automatic Transmission Shift Lock Control Description and Operation
G104 and G105
Power, Ground, and Solenoid Circuits