GM Service Manual Online
For 1990-2009 cars only
Makes
🢒
Pontiac
🢒
2003
🢒
Bonneville
🢒
Body and Accessories
🢒
Lighting Systems
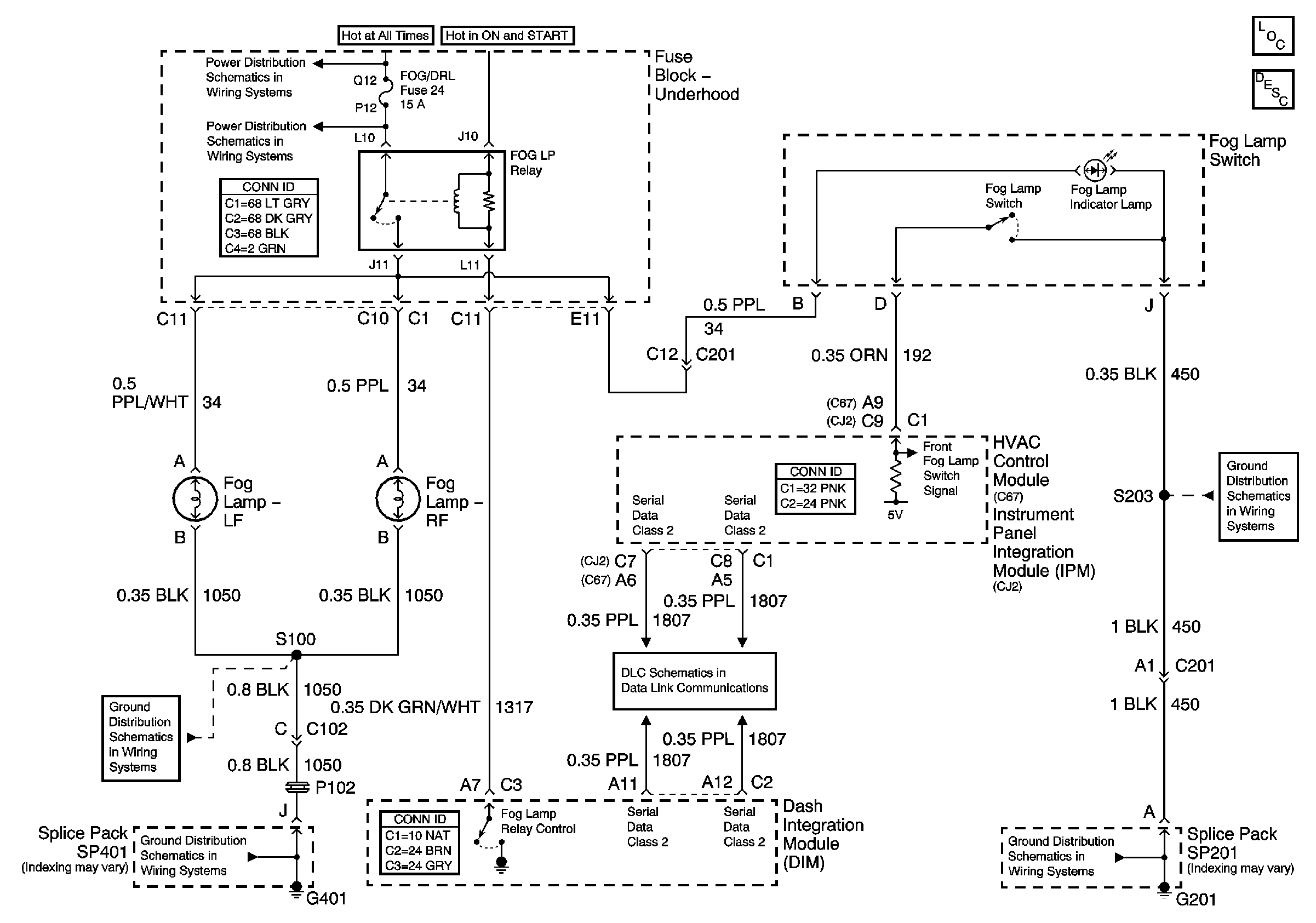
🢒 Fog Lights Schematics
Master Electrical Component List
Exterior Lighting Systems Description and Operation
Battery Feed to the Fuse Block Underhood
Fog Lamp and Headlamp Fuses and Relays (Fuse Block Underhood)
G401 (2 of 2)
G401 (2 of 2)
Serial Data Class 2
G201 (1 of 2)
G201 (1 of 2)