GM Service Manual Online
For 1990-2009 cars only
Figure 1:

DDM Power and Ground


Object Number: 885817  Size: FS
Master Electrical Component List
Power Door Locks Description and Operation
Battery Voltage to the Rear Fuse Block
G200
Serial Data Class 2
Left Front Door
PDM Power and Ground
Figure 2:

PDM Power and Ground


Object Number: 885821  Size: FS
Master Electrical Component List
Power Door Locks Description and Operation
G201 (1 of 2)
Battery Voltage to the Rear Fuse Block
Right Front Door
Front Floor Lamps Dimming
DDM Inputs/Outputs
DDM Power and Ground
Figure 3:

DDM Inputs/Outputs


Object Number: 766640  Size: FS
Master Electrical Component List
Power Door Locks Description and Operation
Left Mirror (w/o A45)
Left Mirror (w/A45)
Heated Mirrors (w/DK5)
Left Front Door
PDM Inputs/Outputs
PDM Power and Ground
Figure 4:

PDM Inputs/Outputs


Object Number: 766642  Size: FS
Master Electrical Component List
Power Door Locks Description and Operation
Right Mirror (w/A45)
Right Front Door
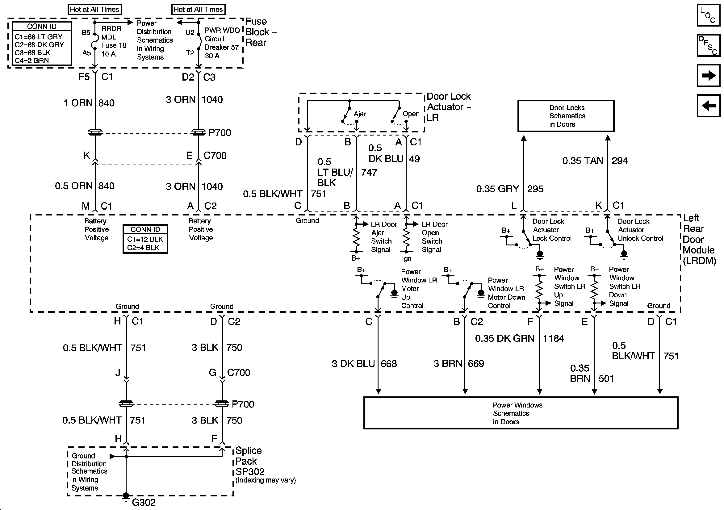
LRDM
DDM Inputs/Outputs
Figure 5:

LRDM


Object Number: 766644  Size: FS
Master Electrical Component List
Power Door Locks Description and Operation
Battery Voltage to the Rear Fuse Block
G302
Left Rear Door
Left Rear Door
RRDM
PDM Inputs/Outputs
Figure 6:

RRDM


Object Number: 885822  Size: FS
Master Electrical Component List
Power Door Locks Description and Operation
Battery Voltage to the Rear Fuse Block
G300 and G301 (1 of 2)
Right Rear Door
Right Rear Door
Driver Door Switch Assembly
LRDM
Figure 7:

Driver Door Switch Assembly


Object Number: 710988  Size: FS
Master Electrical Component List
Power Door Locks Description and Operation
Front Floor Lamps Dimming
Front Floor Lamps Dimming
Simple Bus Interface (SBI)
RRDM
Figure 8:

Simple Bus Interface (SBI)


Object Number: 766646  Size: FS
Master Electrical Component List
Power Door Locks Description and Operation
Driver Door Switch Assembly