GM Service Manual Online
For 1990-2009 cars only
Makes
🢒
Pontiac
🢒
2003
🢒
Bonneville
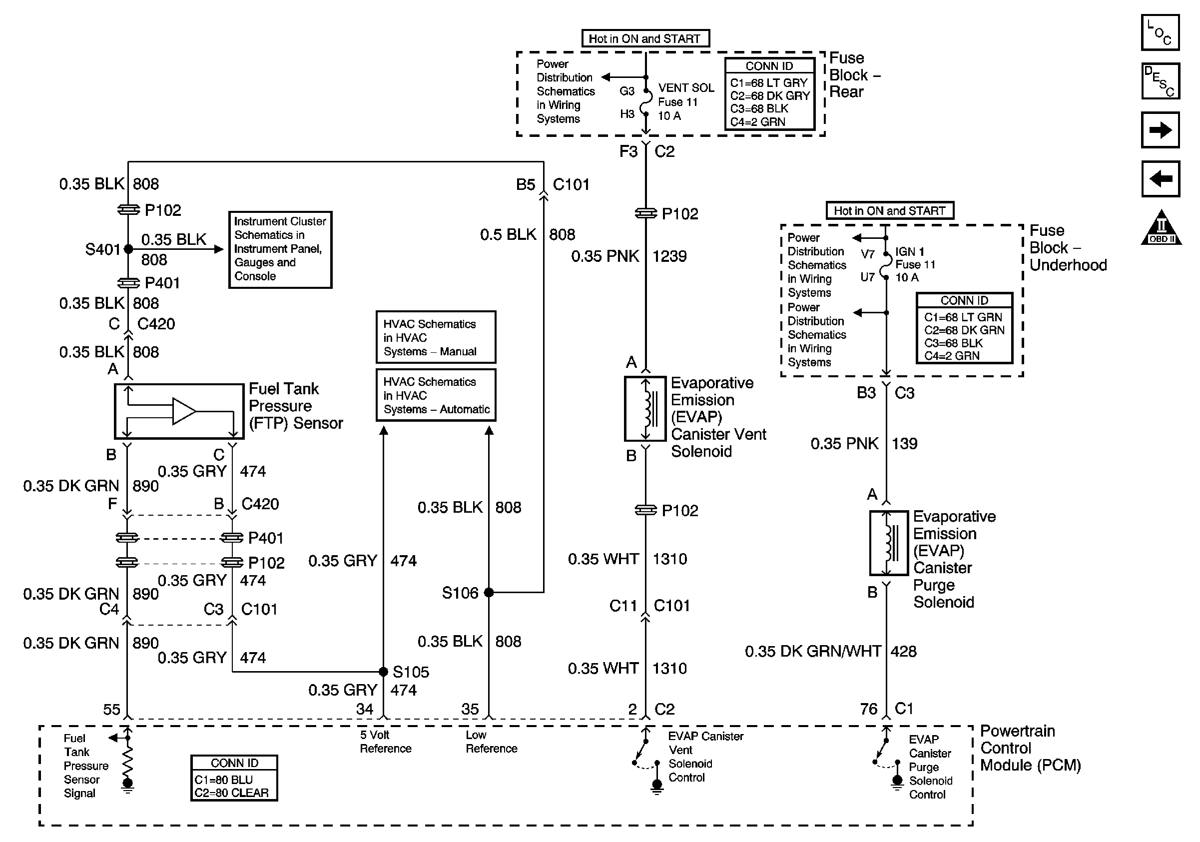
🢒 Fuel Sensor and EVAP Solenoid Controls
Fuel Sensor and EVAP Solenoid Controls
Fuel Sensor and EVAP Solenoid Controls
Master Electrical Component List
Evaporative Emission Control System Description
Speedometer, Tachometer, and Fuel Indicators
Device Controls
Fuel Injectors
OBD II Symbol Description Notice
Compressor Controls
Compressor Controls w/CJ2
IGN 1, Vent Sol, and SIR Fuses (Fuse Block Rear)
Battery Feed to the Fuse Block Underhood
TRANS, DIS, OXY SEN, IGN 1 Fuses and the IGN-1 and AIR Pump Relays(Fuse Block Underhood)