GM Service Manual Online
For 1990-2009 cars only
Makes
🢒
Pontiac
🢒
2003
🢒
Bonneville
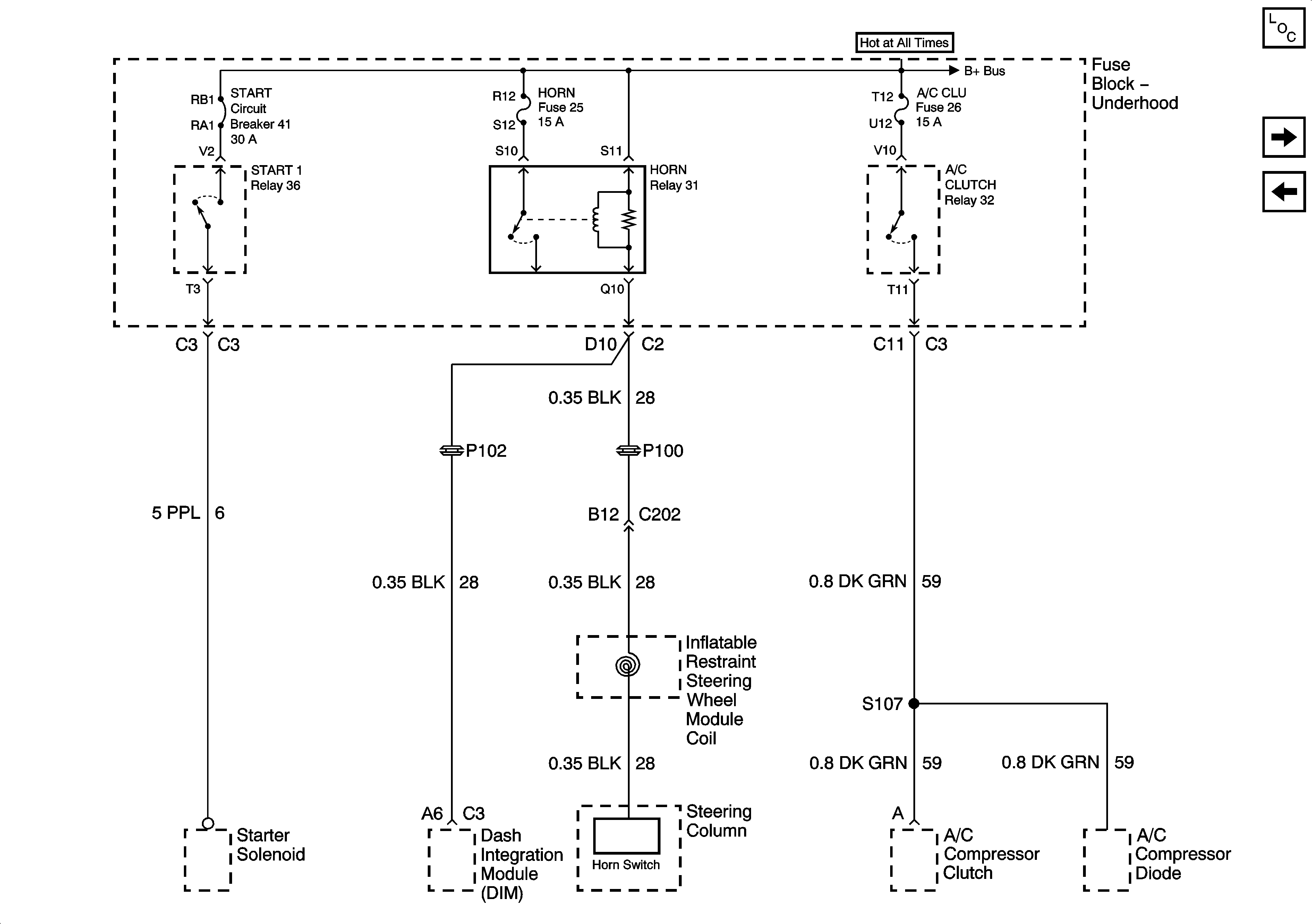
🢒 Start, Horn, A/C CLU Fuses and Relays (Fuse Block Underhood)
Start, Horn, A/C CLU Fuses and Relays (Fuse Block Underhood)
Start, Horn, A/C CLU Fuses and Relays (Fuse Block Underhood)
Master Electrical Component List
Fog Lamp and Headlamp Fuses and Relays (Fuse Block Underhood)
INJR 2, PCM IGN, CR CONT, INJR 1 Fuses and the START 2 Relay (Fuse Block Underhood)