GM Service Manual Online
For 1990-2009 cars only
Makes
🢒
Pontiac
🢒
2003
🢒
Bonneville
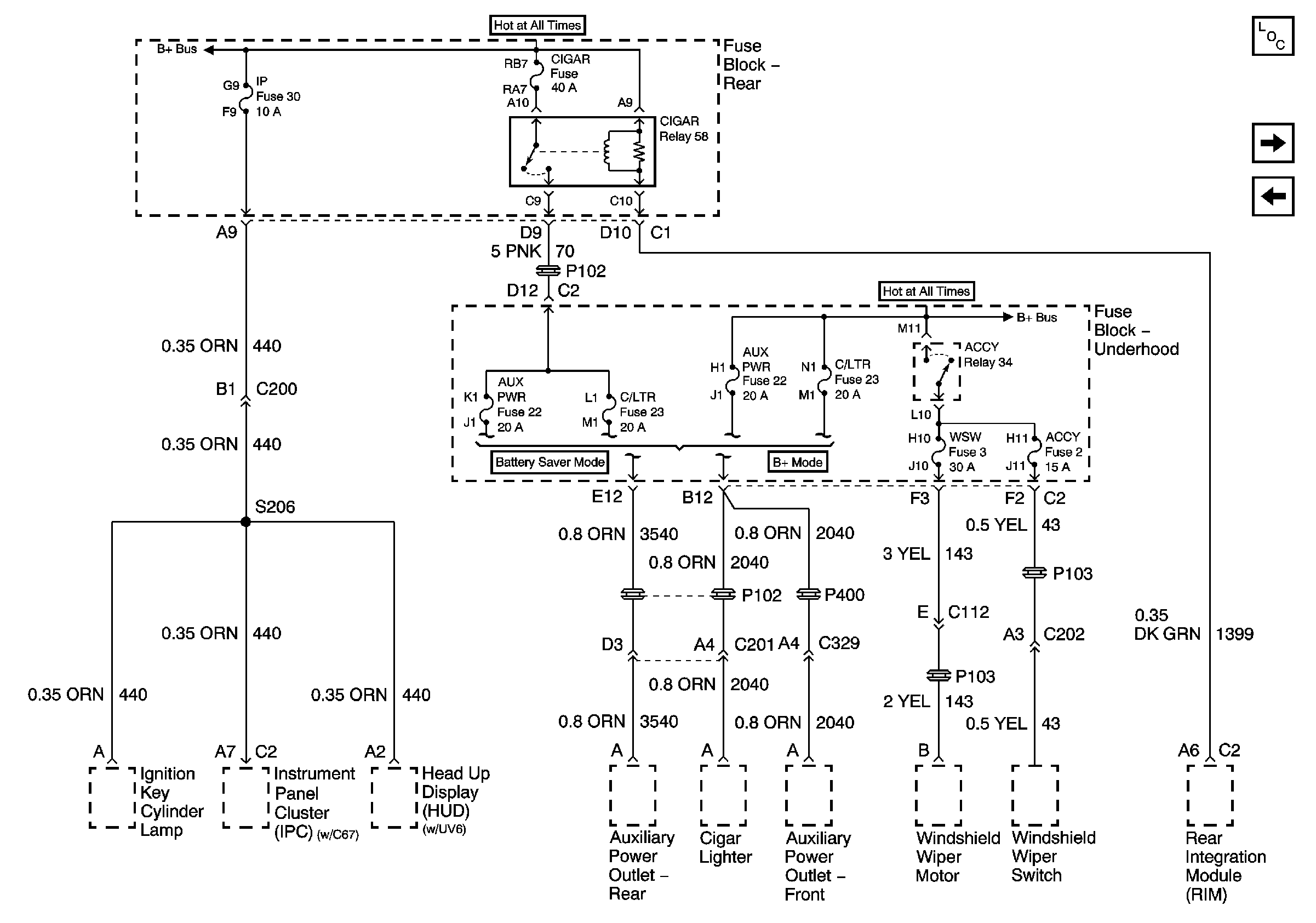
🢒 IP, CIGAR Fuses, and the CIGAR Relay (Fuse Block Rear)
IP, CIGAR Fuses, and the CIGAR Relay (Fuse Block Rear)
IP, CIGAR Fuses, and the CIGAR Relay (Fuse Block Rear)