GM Service Manual Online
For 1990-2009 cars only
Makes
🢒
Pontiac
🢒
2003
🢒
Bonneville
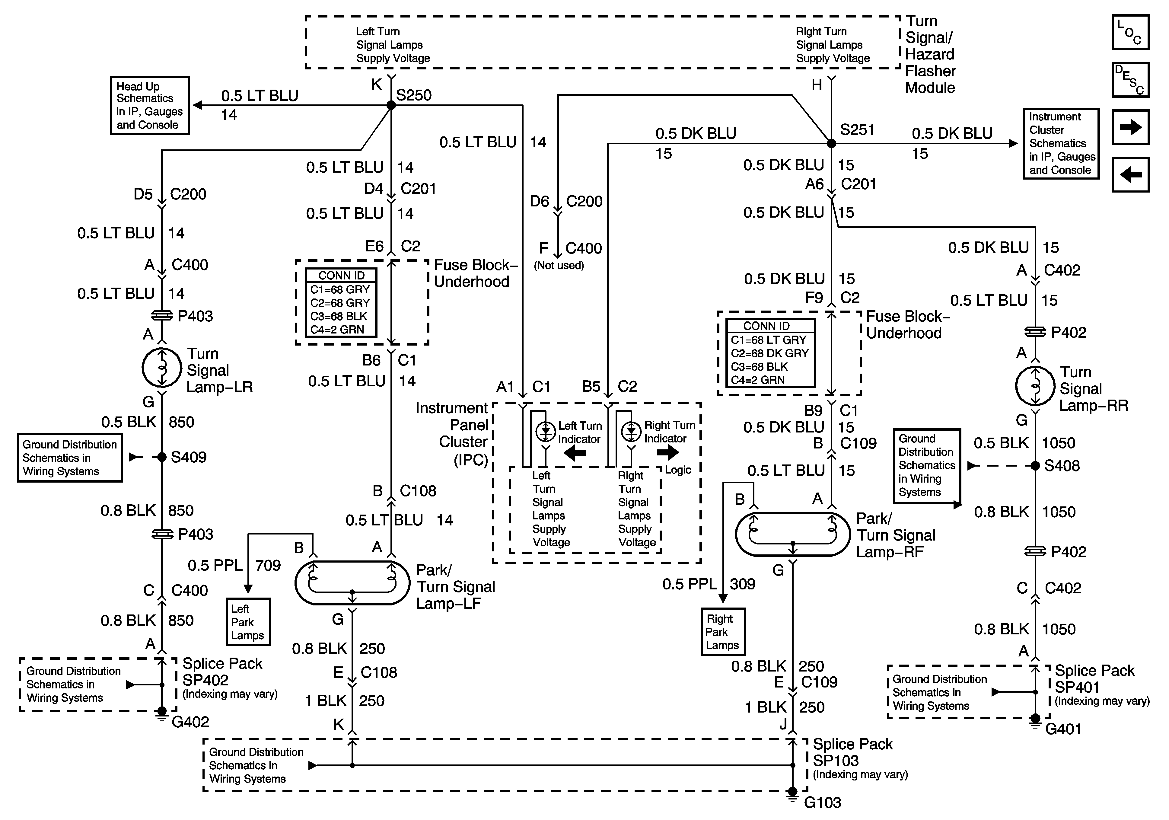
🢒 Turn Signal Lamps and Indicators
Turn Signal Lamps and Indicators
Turn Signal Lamps and Indicators
Master Electrical Component List
Exterior Lighting Systems Description and Operation
Head Up Display Schematic
G402
G402
Left Park and Side Marker Lamps
G103
Right Park and Side Marker Lamps
DIM, RIM, PCM, and VTD Signals Seat Belt, High Beam, Air Bag, and Turn Signal Indicators
G401 (2 of 2)
G401 (2 of 2)
Stop Lamps
Turn Signal/Hazard Flasher Module Inputs
Left Park and Side Marker Lamps