GM Service Manual Online
For 1990-2009 cars only
Makes
🢒
Pontiac
🢒
2003
🢒
Bonneville
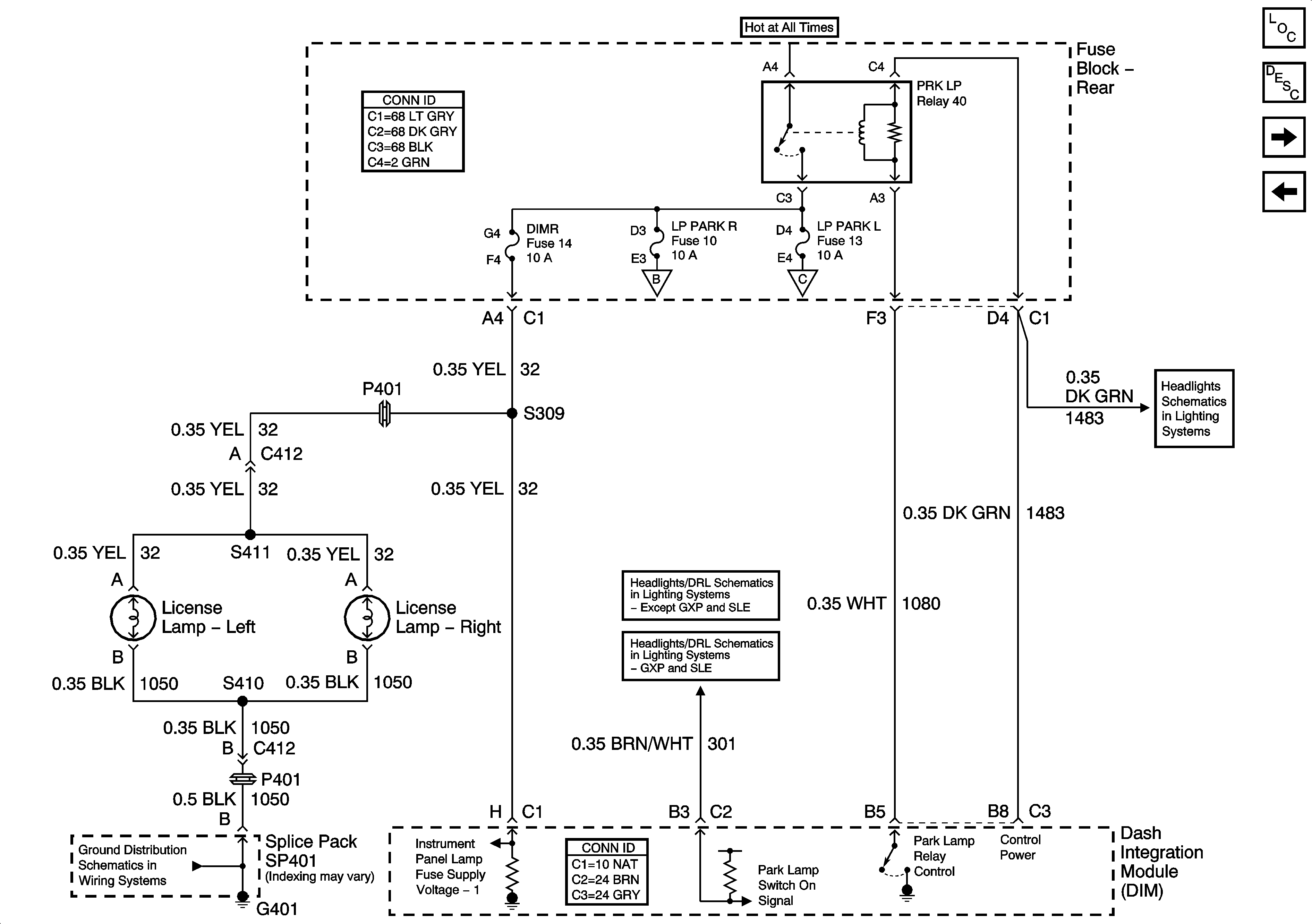
🢒 Park LP Relay and License Lamps
Park LP Relay and License Lamps
Park LP Relay and License Lamps
Master Electrical Component List
Exterior Lighting Systems Description and Operation
G401 (2 of 2)
Right Park and Side Marker Lamps
Left Park and Side Marker Lamps
Low Beam Headlamps
Right Park and Side Marker Lamps
Backup Lamps