GM Service Manual Online
For 1990-2009 cars only
Makes
🢒
Pontiac
🢒
2003
🢒
Bonneville
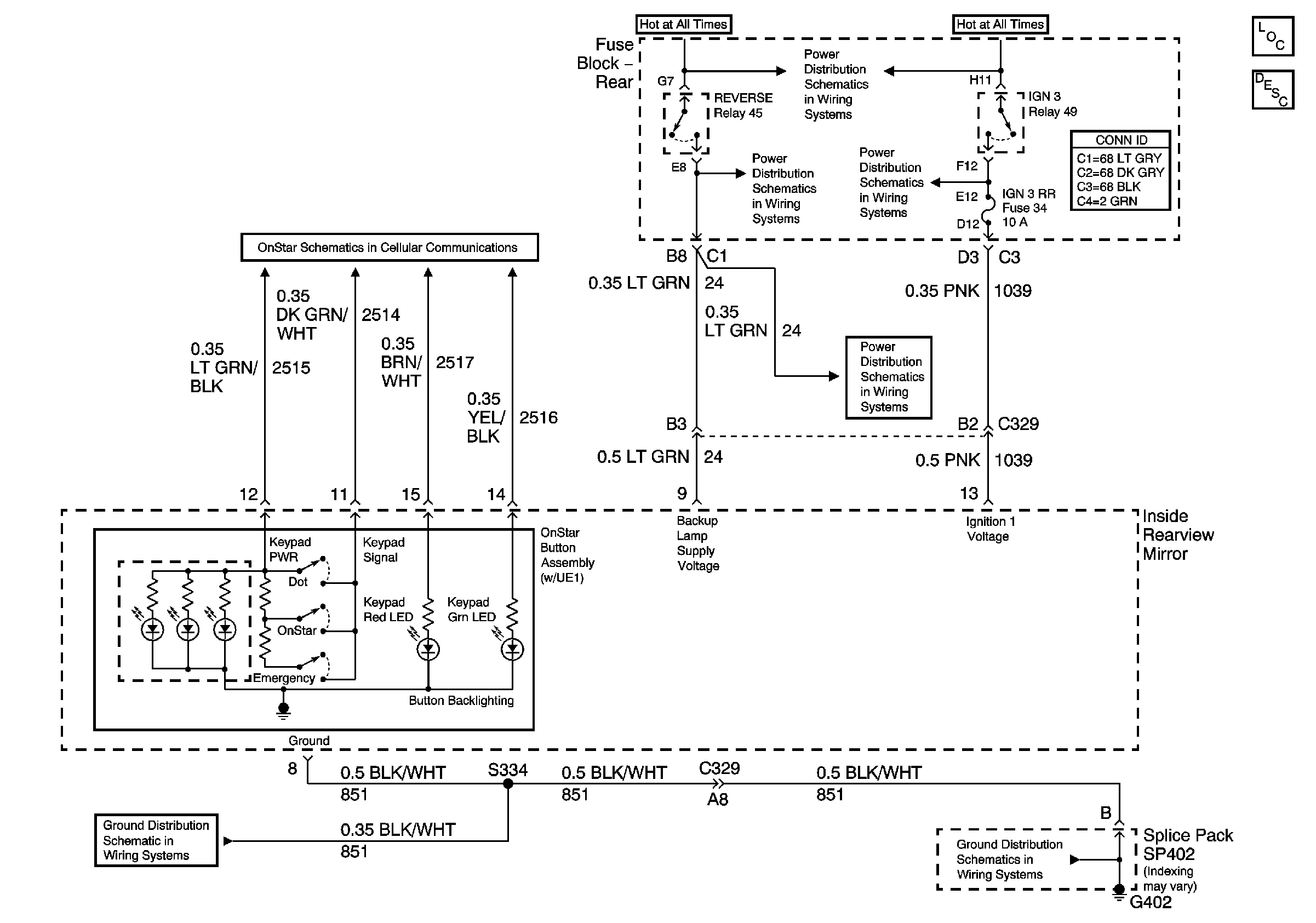
🢒 Inside RV Mirror Schematic
Inside RV Mirror Schematic
Master Electrical Component List
Rear Window Defogger Description and Operation
Keypad Controls
G402
Battery Voltage to the Rear Fuse Block
IGN SW, PRK/REV Fuses and the PARK and REVERSE Relays (Fuse Block Rear)
Battery Voltage to the Rear Fuse Block
Battery Voltage to the Rear Fuse Block
IGN SW, PRK/REV Fuses and the PARK and REVERSE Relays (Fuse Block Rear)
G402
Stationary Window Description