GM Service Manual Online
For 1990-2009 cars only
Makes
🢒
Pontiac
🢒
2004
🢒
Bonneville
🢒
Suspension
🢒
Automatic Level Control
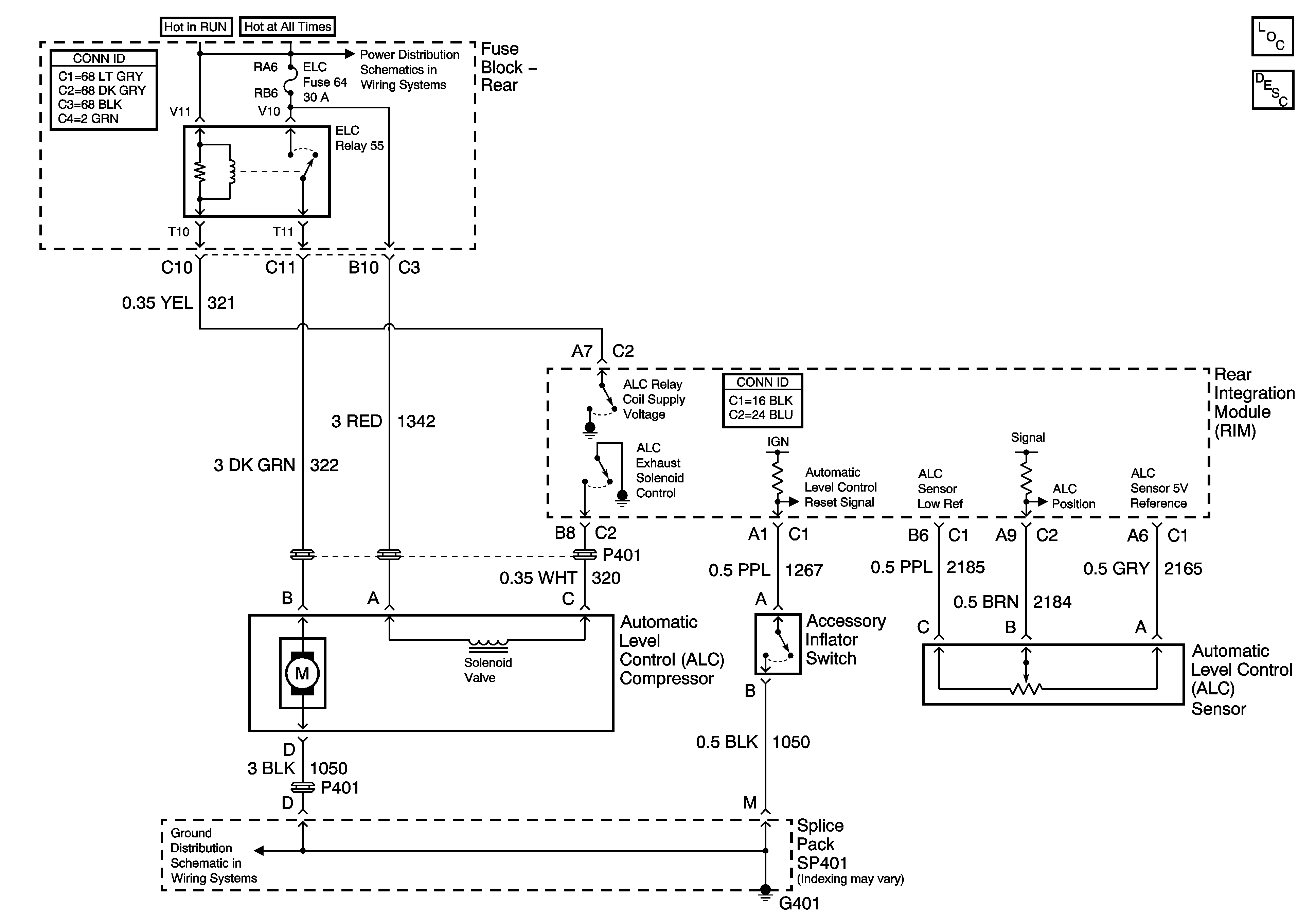
🢒 Automatic Level Control Schematics
Master Electrical Component List
Automatic Level Control Description and Operation
Rear Fuse Block - B+ Bus
G401 (1 of 2)