GM Service Manual Online
For 1990-2009 cars only
Makes
🢒
Pontiac
🢒
2004
🢒
Bonneville
🢒
Transmission/Transaxle
🢒
Automatic Transaxle - 4T65-E
🢒 Automatic Transmission Controls Schematics
Figure
1:
Transaxle Inputs
Master Electrical Component List
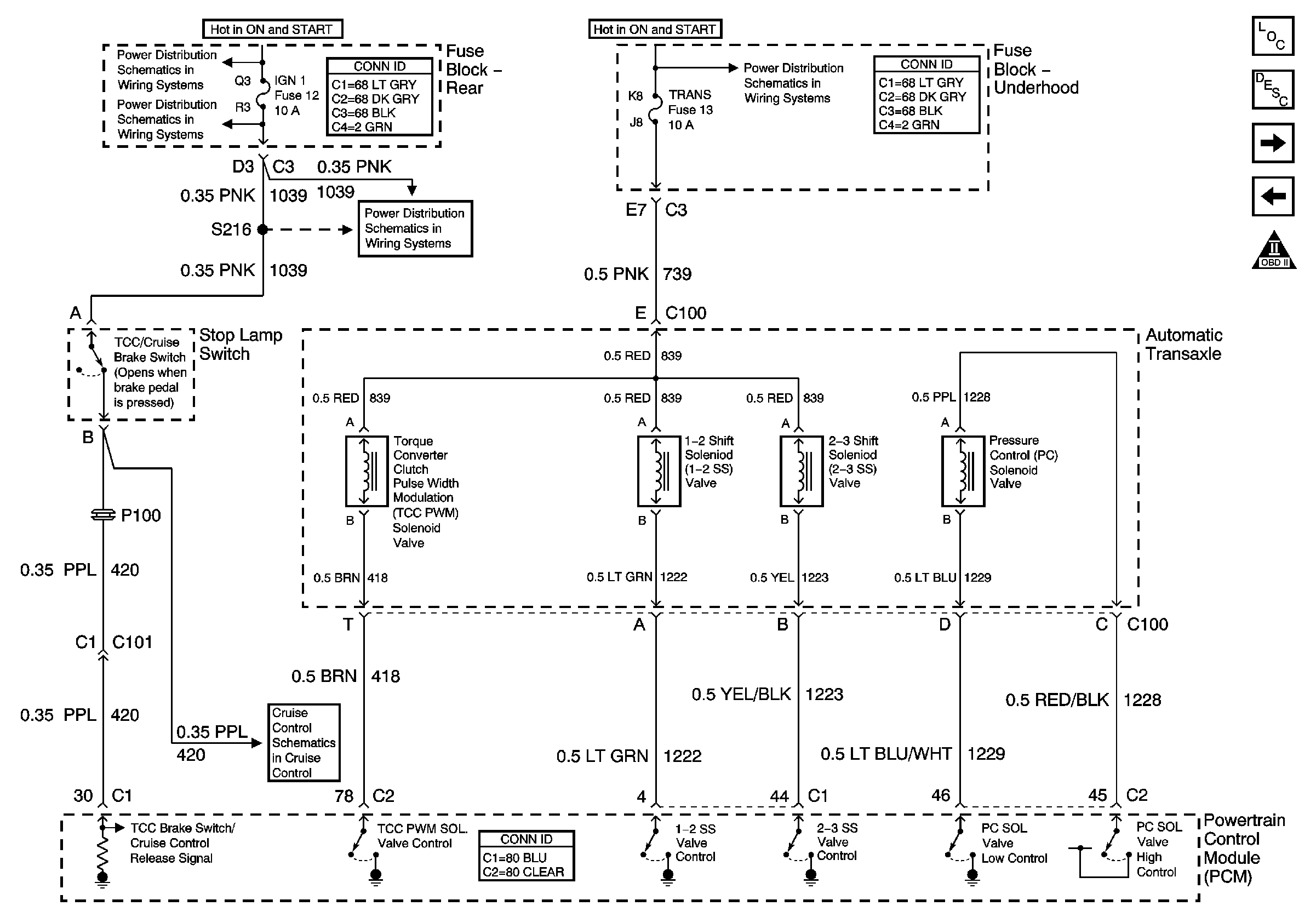
Power to the Transaxle and Solenoid Controls
Transmission General Information
OBD II Symbol Description Notice
Figure
2:
Power to the Transaxle and Solenoid Controls
Master Electrical Component List
Transmission General Information
OBD II Symbol Description Notice
IGN-1, Vent Sol, and SIR Fuses
IGN-1, Vent Sol, and SIR Fuses
Power and Ground - 3.8L
IGN-1, Vent Sol, and SIR Fuses
TRANS, DIS, OXY SEN, and IGN 1 Fuses - 3.8L
Internal Mode Switch Inputs
Transaxle Inputs
Figure
3:
Internal Mode Switch Inputs
Master Electrical Component List
Transmission General Information
OBD II Symbol Description Notice
G104 and G105 - 3.8L
Power to the Transaxle and Solenoid Controls