GM Service Manual Online
For 1990-2009 cars only
Makes
🢒
Pontiac
🢒
2004
🢒
Bonneville
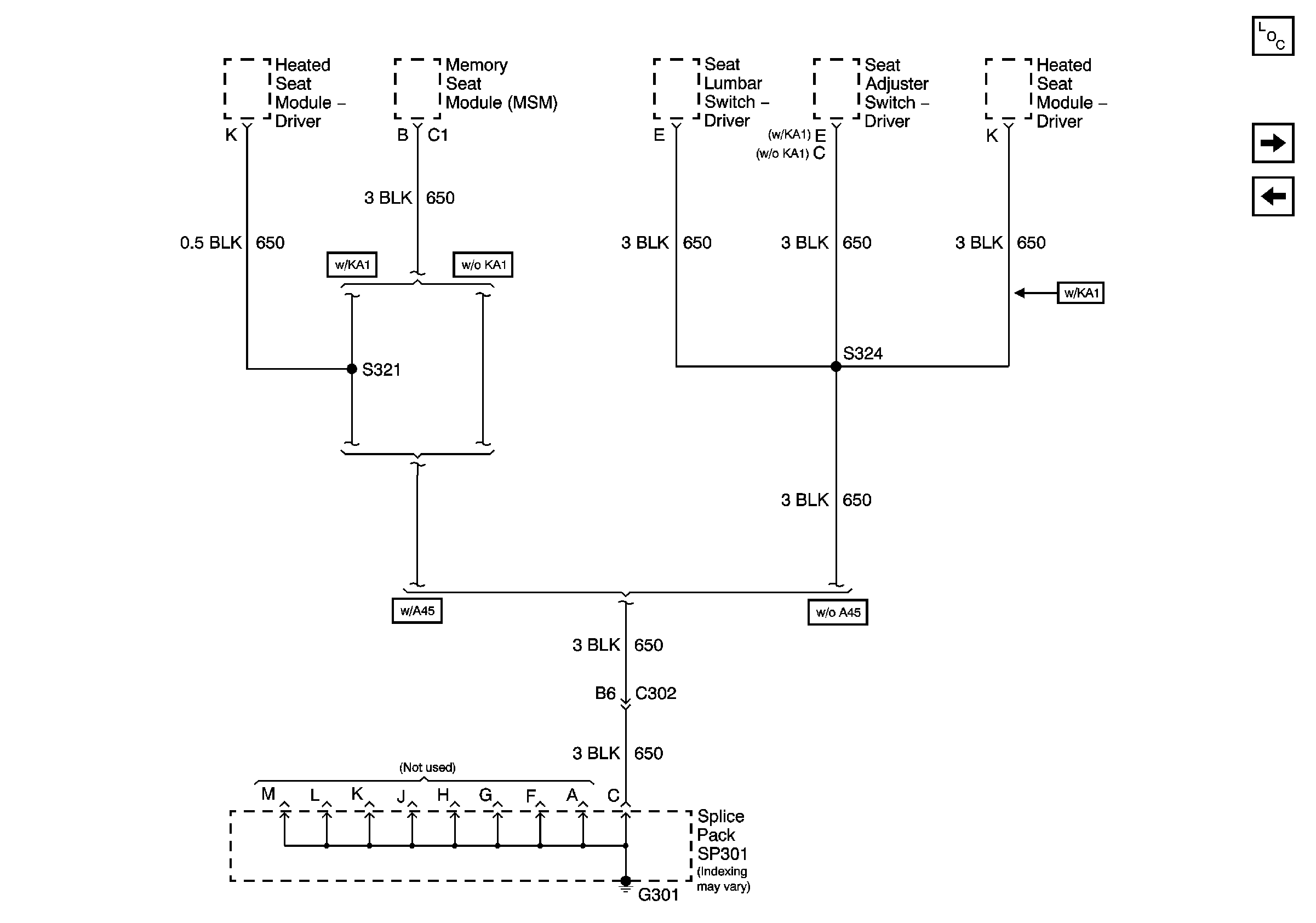
🢒 G301 (2 of 2)
G301 (2 of 2)
G301 - 2 of 2
Master Electrical Component List
G302
G300 and G301 (1 of 2)