GM Service Manual Online
For 1990-2009 cars only
Makes
🢒
Pontiac
🢒
2004
🢒
Bonneville
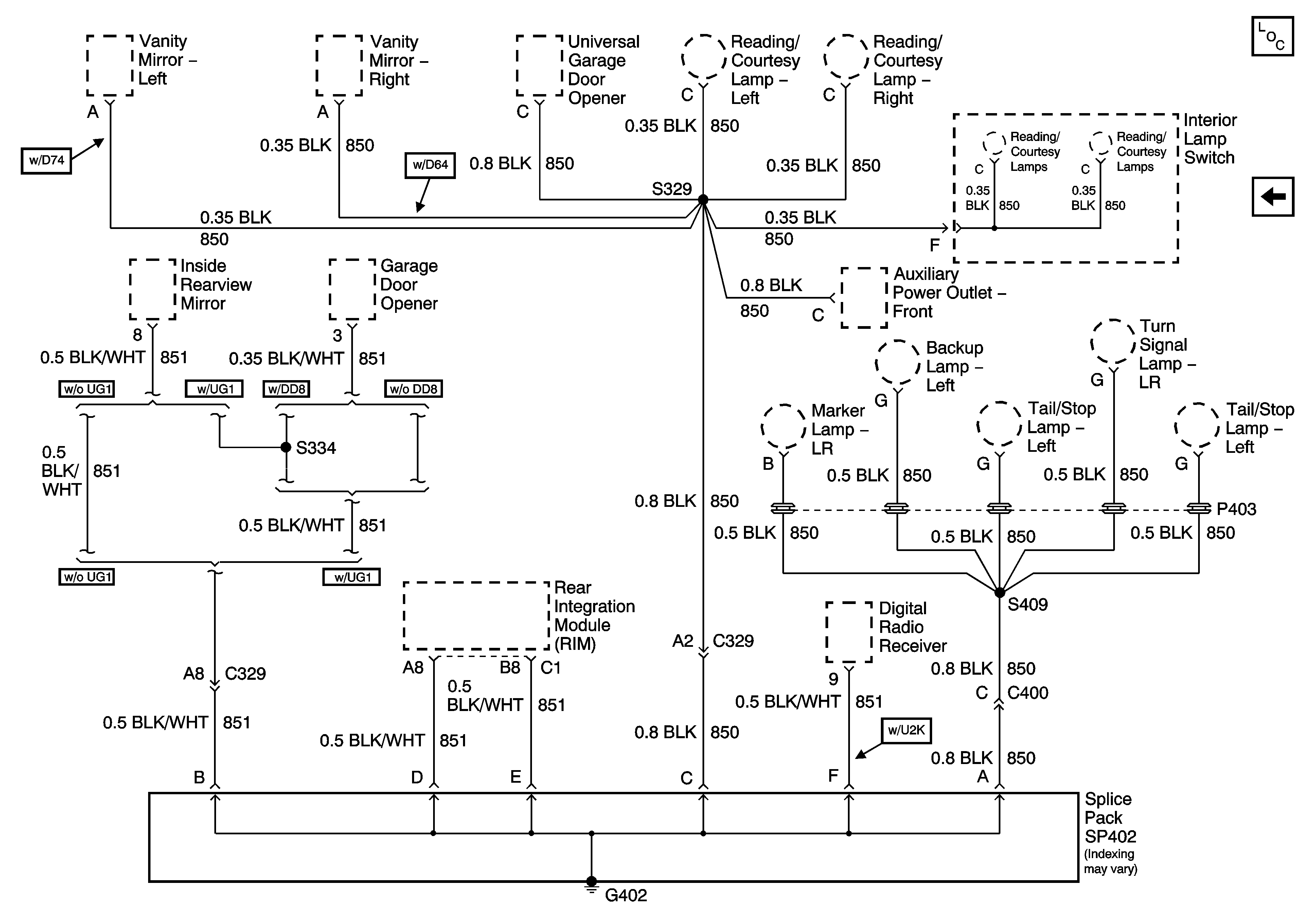
🢒 G402
G402
G402
Master Electrical Component List
G401 (2 of 2)