GM Service Manual Online
For 1990-2009 cars only
Makes
🢒
Pontiac
🢒
2005
🢒
Bonneville
🢒
Body
🢒
Body Rear End
🢒 Body Rear End Schematics
Master Electrical Component List
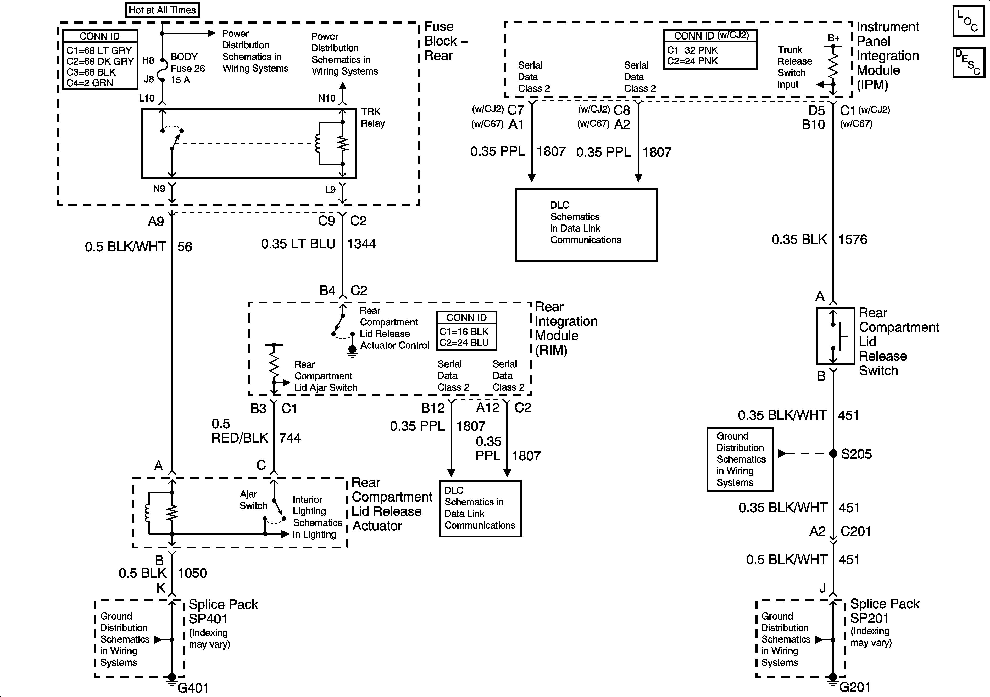
Luggage Compartment Description and Operation General
Rear Fuse Block B+ Bus
ELC, RR DEFOG, and ALDL Fuses
Serial Data Class 2
G401 - 1 of 2
Left Courtesy, Rear Compartment, and Ignition Cylinder Lamps
Serial Data Class 2
G201 - 2 of 2
G201 - 2 of 2