GM Service Manual Online
For 1990-2009 cars only
Makes
🢒
Pontiac
🢒
2005
🢒
Bonneville
🢒
Body
🢒
Lighting Systems
🢒 Fog Lights Schematics
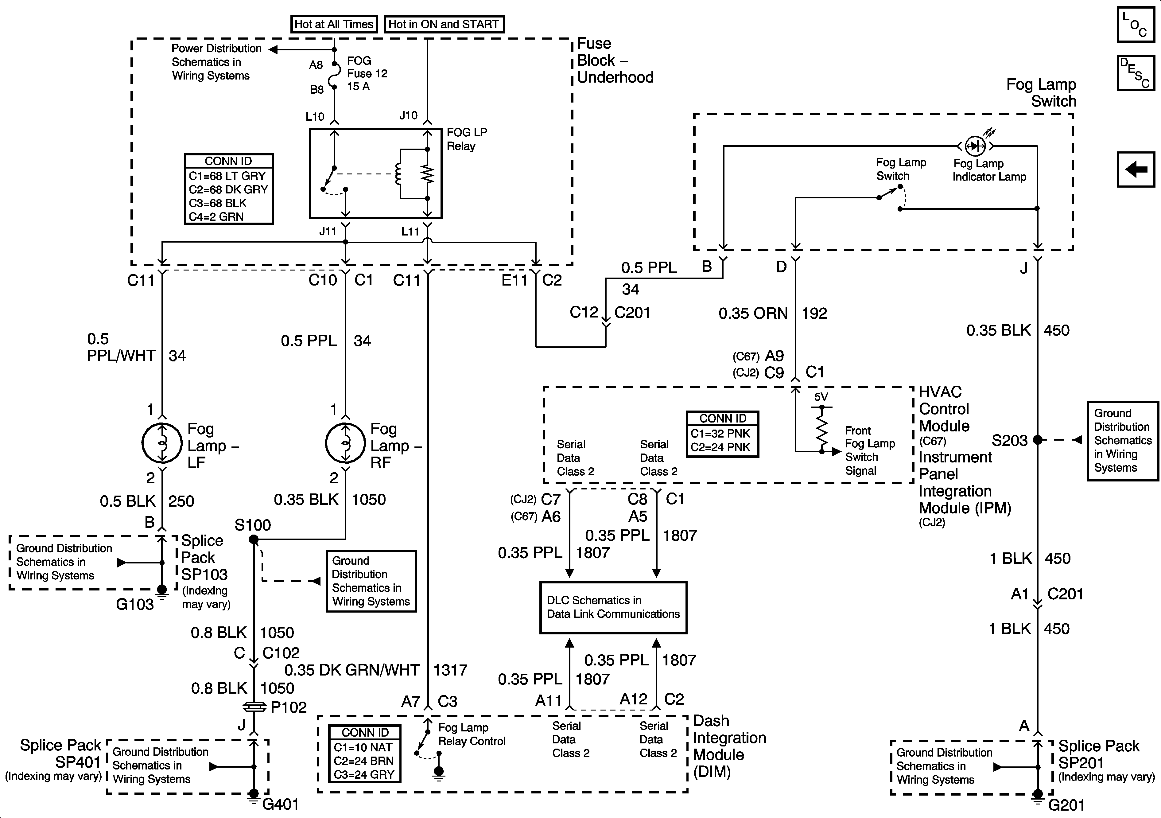
Figure
1:
Fog Lights - 3.8L
Master Electrical Component List
Exterior Lighting Systems Description and Operation
Fog Lamp Schematics - 4.6L
DRL, HDHIBML, HDHIBMR, HDLOBML, and HDLOBMR Fuses - 3.8L
DRL, HDHIBML, HDHIBMR, HDLOBML, and HDLOBMR Fuses - 3.8L
G401 - 2 of 2
G401 - 2 of 2
Serial Data Class 2
G201 - 1 of 2
G201 - 1 of 2
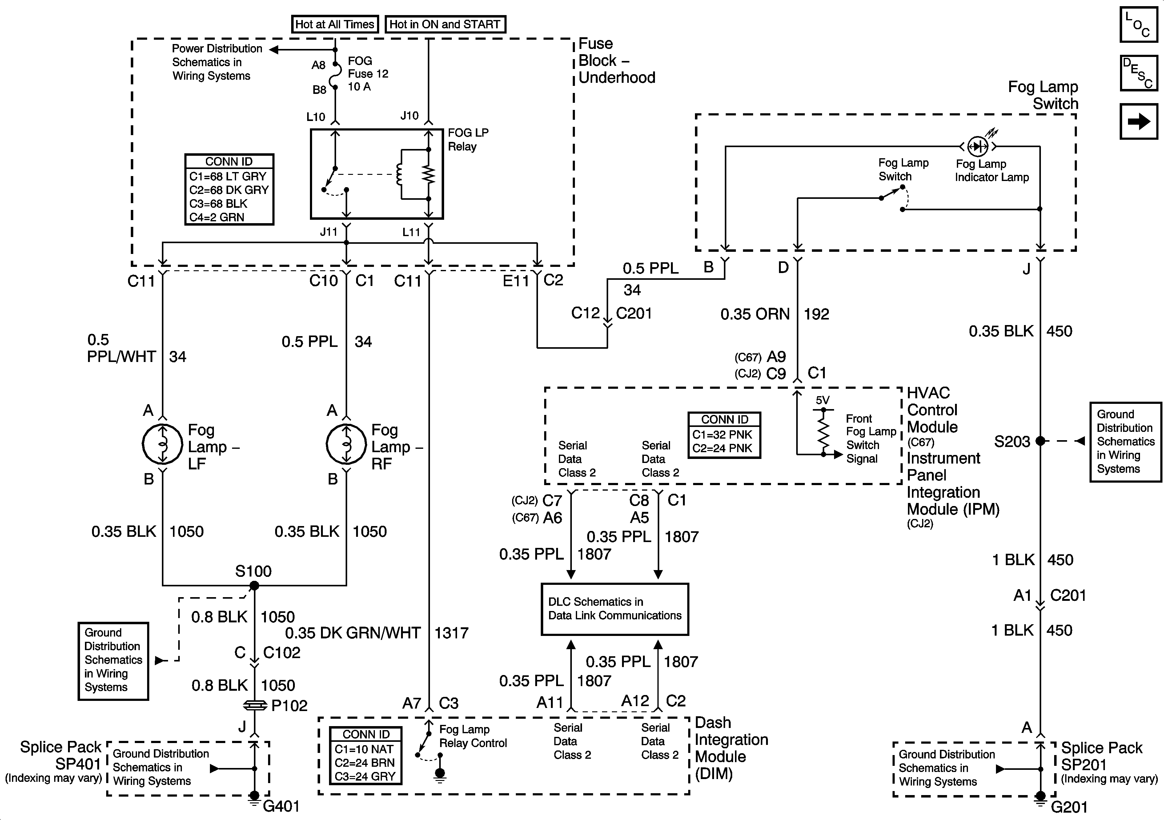
Figure
2:
Fog Lights - 4.6L
Master Electrical Component List
Exterior Lighting Systems Description and Operation
Fog Lamp Schematics - 3.8L
Underhood Fuse Block B+ Bus - 3.8L
Underhood Fuse Block B+ Bus - 3.8L
G103
G401 - 2 of 2
G401 - 2 of 2
Serial Data Class 2
G201 - 1 of 2
G201 - 1 of 2