GM Service Manual Online
For 1990-2009 cars only
Makes
🢒
Pontiac
🢒
1985
🢒
Demonstrator
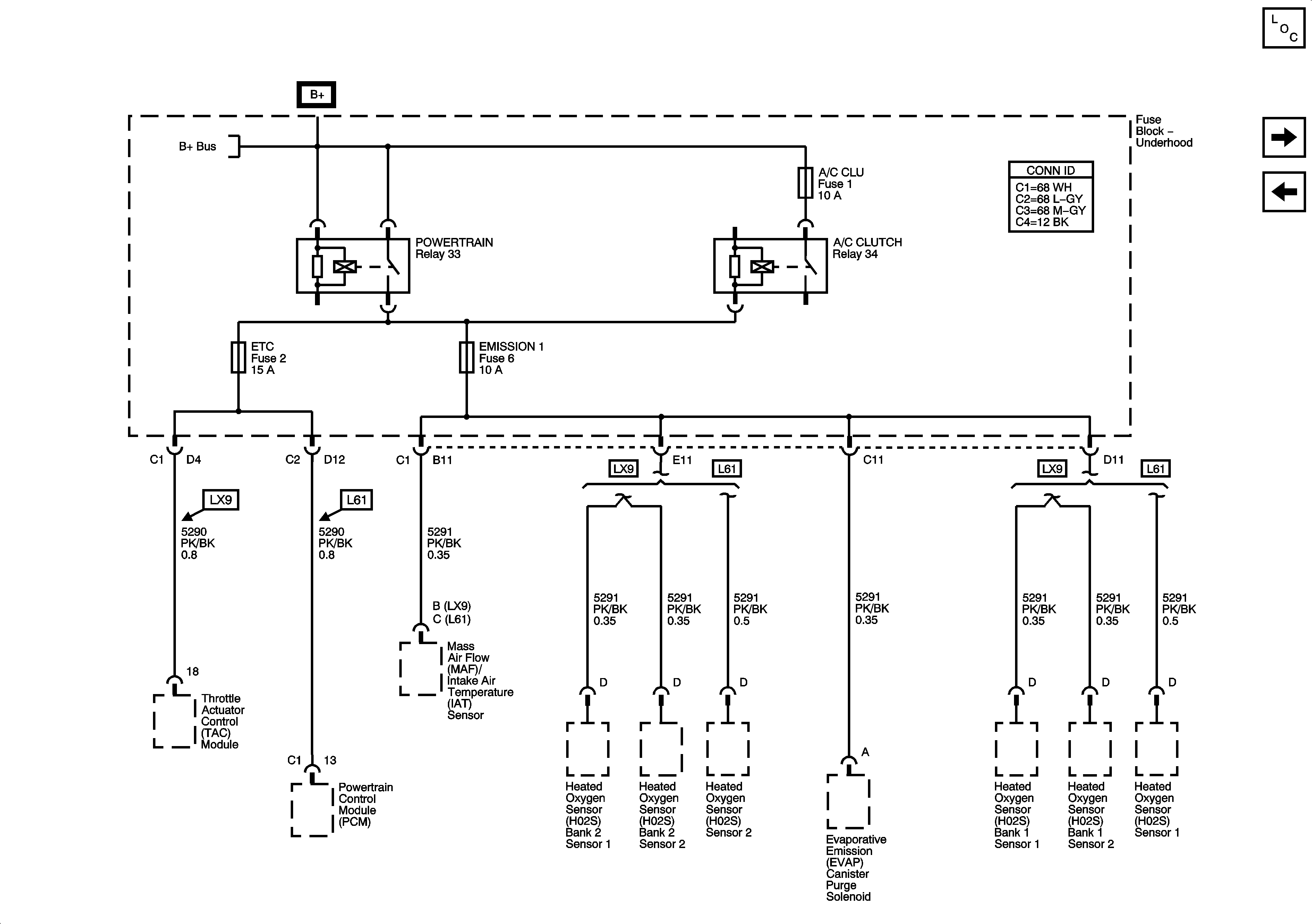
🢒 Fuse Block - Underhood - EMISSION 1, ETC Fuses, and A/C Clutch, P0WERTRAIN Relays
Fuse Block - Underhood - EMISSION 1, ETC Fuses, and A/C Clutch, P0WERTRAIN Relays
Fuse Block - Underhood - EMISSION 1, ETC Fuses, and A/C CLUTCH, POWERTRAIN Relays
Master Electrical Component List
Fuse Block - Underhood - IBCM 2 Fuse, BCM - DOOR LOCK, INTERIOR LIGHTS, POWER WINDOWS, ROOF/HEAT SEAT, WIPERS SW Fuses and ACCESSORY Relay
Fuse Block - Underhood - IBCM R/C Fuse, BCM - AIRBAG (IGN), EPS, and RUN/CRANK Fuses
Fuse Block Underhood Bussing
Fuse Block Underhood Bussing