GM Service Manual Online
For 1990-2009 cars only
Makes
🢒
Pontiac
🢒
1985
🢒
Demonstrator
🢒 Defogger
Defogger
Master Electrical Component List
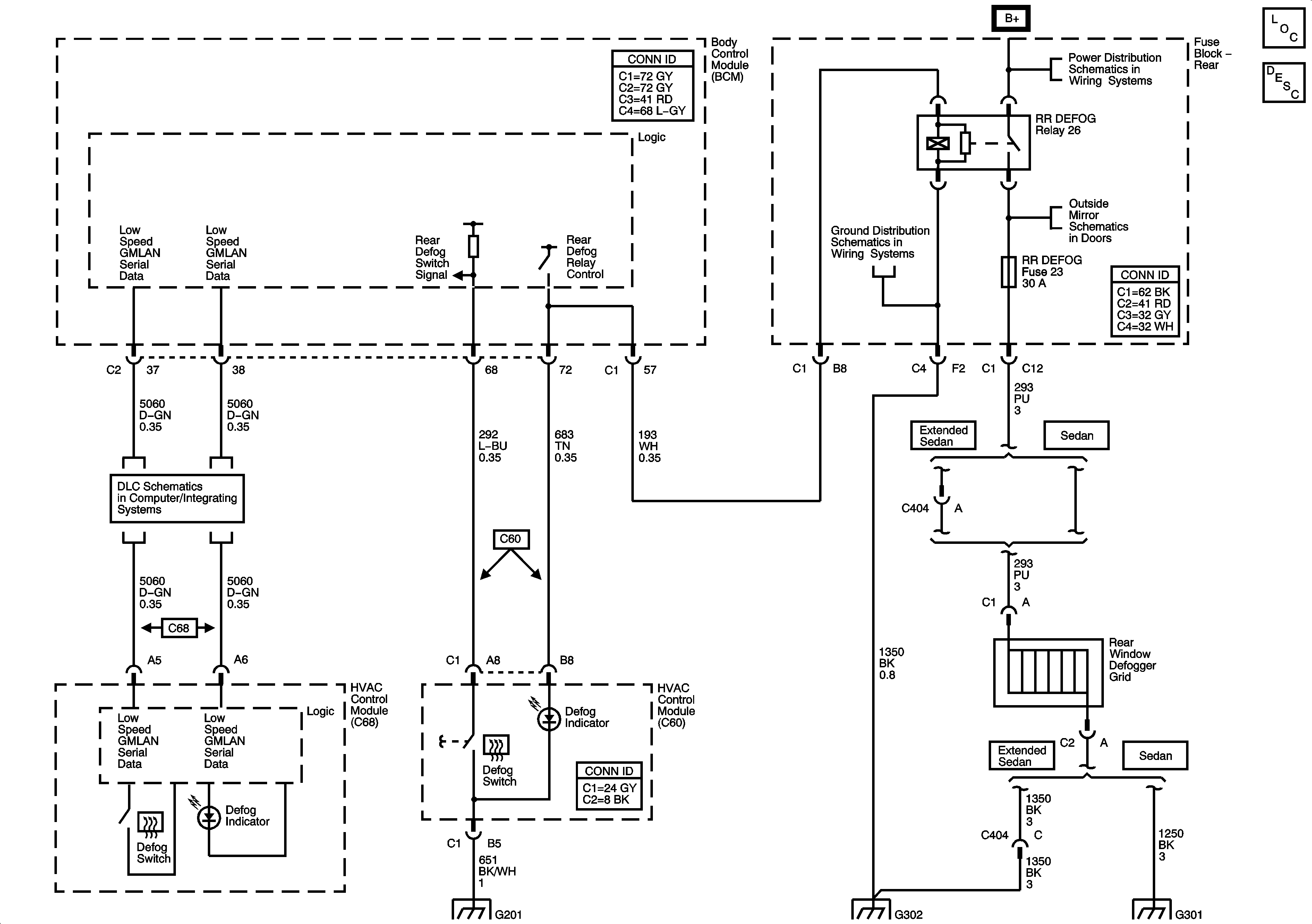
Rear Window Defogger Description and Operation
AUX PWR #2, BACKUPLP, CIG/AUX, HTD MIR, HTD ST, RBEC 1, RKE/XM/DVD/UGD, RR DEFOG, SUN RF Fuses, BACKUP LP and DEFOG Relays
AUX PWR #2, BACKUPLP, CIG/AUX, HTD MIR, HTD ST, RBEC 1, RKE/XM/DVD/UGD, RR DEFOG, SUN RF Fuses, BACKUP LP and DEFOG Relays
Outside Mirrors
G302
Low Speed Serial Data
G201
G302
G301