GM Service Manual Online
For 1990-2009 cars only

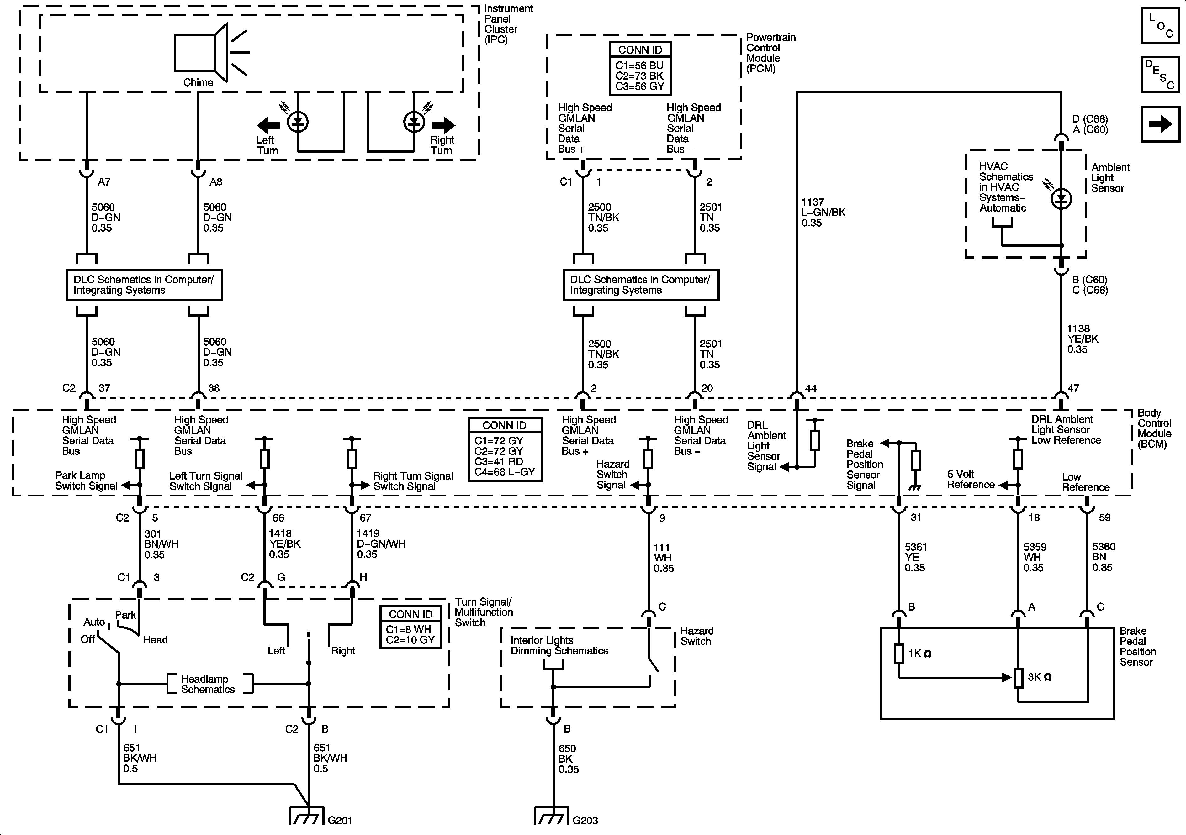
Ambient Light Sensor, Brake Pedal Position Sensor, Grounds, Hazard Switch, Serial Data and Turn Signal/Multifunction Switch

Ambient Light Sensor, Brake Pedal Position Sensor, Grounds, Hazard Switch, Serial Data and Turn Signal/Multifunction Switch


Object Number: 1244768  Size: FS
Master Electrical Component List
Exterior Lighting Systems Description and Operation
Brake Lamp Diagnostic Resistor, CHMSL, Grounds and Park/Turn Signal Lamps
Low Speed Serial Data
Power, Ground and High Speed Serial Data
Mode and Air Temperature Controls
Headlamps/DRL
Dimmer Switch Inputs and Instrument Panel Lighting
G201
G203