GM Service Manual Online
For 1990-2009 cars only

VEHICLE ANTI-THEFT SYSTEM REPAIR DIAGNOSIS

Models Affected: 1988 FIREBIRD GTA EQUIPPED WITH VATS

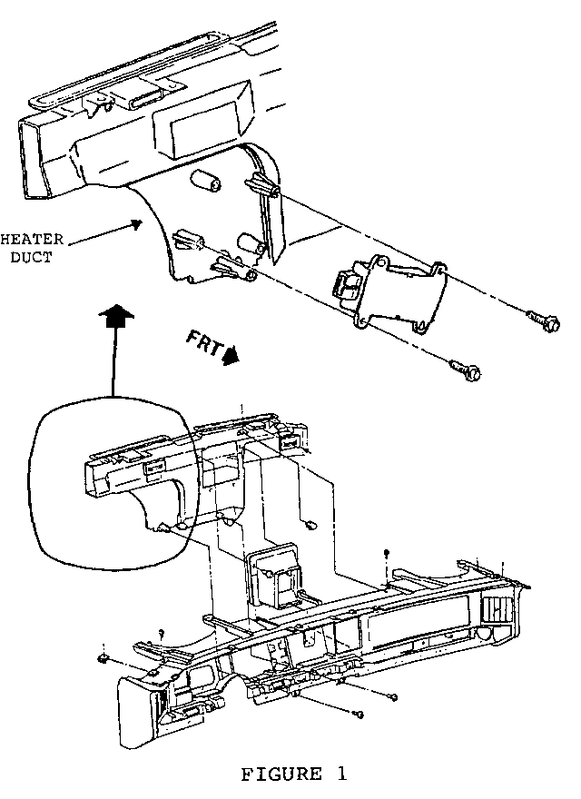
VATS COMPONENT LOCATION CHANGE

The 1988 Firebird Service Manual indicates incorrect locations for the following components:

1. VATS Anti-Theft Decoder Module 2. Starter Interupt Relay

The Anti-Theft relay is located on the heater duct near the center of the instrument panel.

NEW LABOR OPERATION FOR VATS REPAIRS

Labor Time Operation Description Allowance --------- ----------- ---------- R2975 Anti-Theft Module - Replace 1.8 Hours

R2980 Starter Interrupt Relay - Replace 0.6 Hours

E7200 Ignition Lock Cylinder - Replace 0.9 Hours


Object Number: 90468  Size: LF


Object Number: 79201  Size: FS

General Motors bulletins are intended for use by professional technicians, not a "do-it-yourselfer". They are written to inform those technicians of conditions that may occur on some vehicles, or to provide information that could assist in the proper service of a vehicle. Properly trained technicians have the equipment, tools, safety instructions and know-how to do a job properly and safely. If a condition is described, do not assume that the bulletin applies to your vehicle, or that your vehicle will have that condition. See a General Motors dealer servicing your brand of General Motors vehicle for information on whether your vehicle may benefit from the information.