GM Service Manual Online
For 1990-2009 cars only

REVISIONS:SECTIONS 6E3 AND 8A

---------------------------------------------------------------------- SERVICE MANUAL UPDATE ----------------------------------------------------------------------

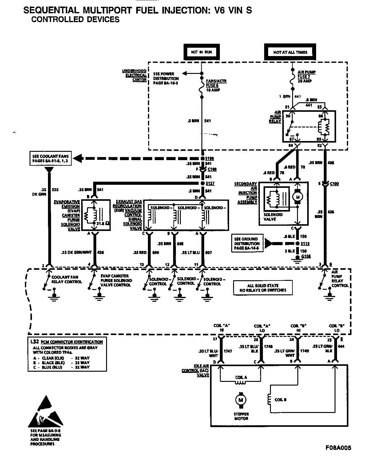
SUBJECT: SECTIONS 6E3 (SECONDARY AIR INJECTION SYSTEM CHECK AND DIAGNOSIS) AND 8A (AIR PUMP RELAY WIRING)

MODELS: 1994-95 CHEVROLET CAMARO 1994-95 PONTIAC FIREBIRD

THIS BULLETIN CONTAINS REVISIONS TO SECTIONS 6E3 AND 8A. THE PAGES IN THIS BULLETIN ARE DIRECT REPLACEMENT PAGES FOR THE SERVICE MANUAL YEAR LISTED.

YEAR PAGE 1994 1995 ---- ---- ----

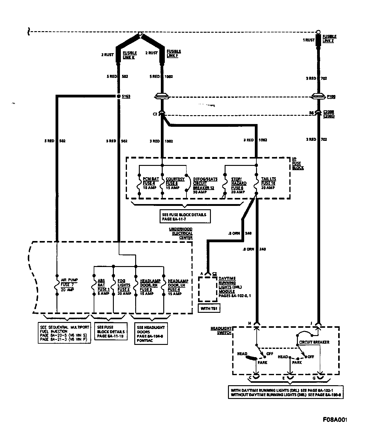
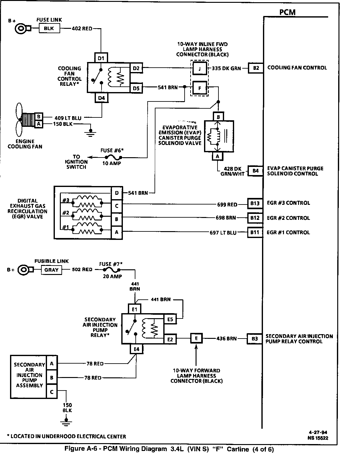
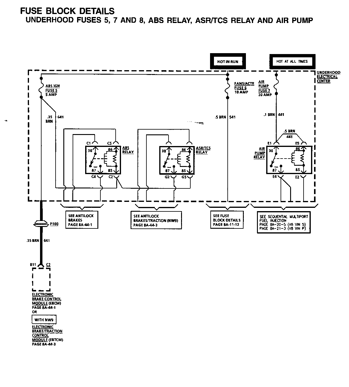
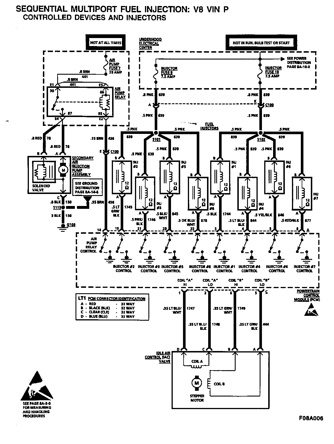
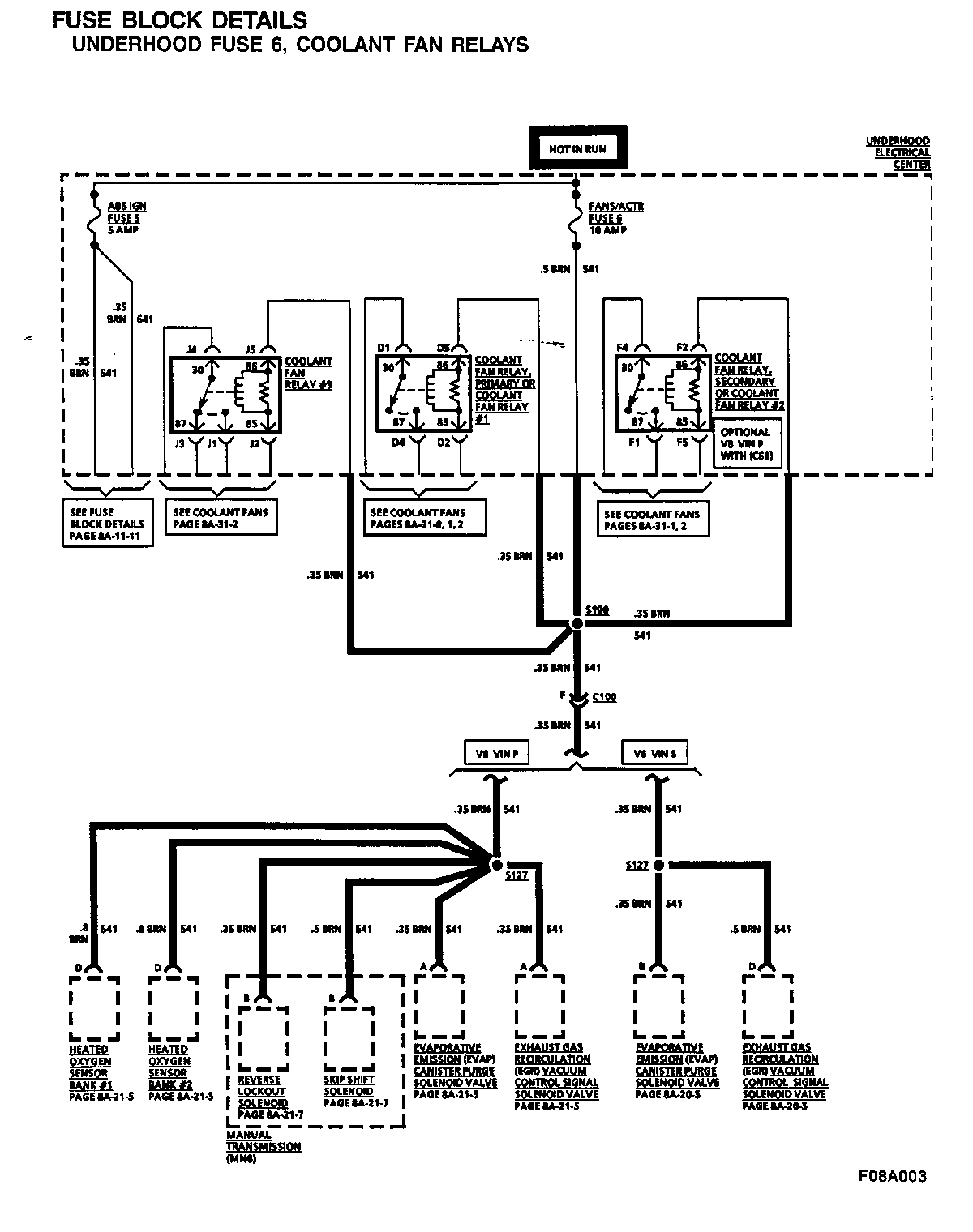
8A-10-1 YES NO 8A-10-3 YES NO 8A-11-3 YES NO 8A-11-11 YES NO 8A-11-12 YES NO 8A-20-5 YES NO 8A-21-3 YES NO 6E3-A-8 (L32) YES NO 6E3-C6-6 (L32) YES NO 6E3-C6-7 (L32) YES NO 6E3-A-7 (LT1) YES NO 6E3-A-68 (LT1) YES YES 6E3-A-69 (LT1) YES YES 6E3-C6-6 (LT1) YES YES 6E3-C6-7 (LT1) YES YES

FIGURES: 0 ATTACHMENTS: 15


Object Number: 76038  Size: FS


Object Number: 76748  Size: FS


Object Number: 76037  Size: FS


Object Number: 77188  Size: FS


Object Number: 76398  Size: FS


Object Number: 76397  Size: FS


Object Number: 77187  Size: FS


Object Number: 82853  Size: FS


Object Number: 84002  Size: FS


Object Number: 81087  Size: FS


Object Number: 78752  Size: FS


Object Number: 79867  Size: FS


Object Number: 84001  Size: FS


Object Number: 82852  Size: FS


Object Number: 84000  Size: FS

GENERAL MOTORS BULLETINS ARE INTENDED FOR USE BY PROFESSIONAL TECHNICIANS, NOT A "DO-IT-YOURSELFER". THEY ARE WRITTEN TO INFORM THOSE TECHNICIANS OF CONDITIONS THAT MAY OCCUR ON SOME VEHICLES, OR TO PROVIDE INFORMATION THAT COULD ASSIST IN THE PROPER SERVICE OF A VEHICLE. PROPERLY TRAINED TECHNICIANS HAVE THE EQUIPMENT, TOOLS, SAFETY INSTRUCTIONS AND KNOW-HOW TO DO A JOB PROPERLY AND SAFELY. IF A CONDITION IS DESCRIBED, DO NOT ASSUME THAT THE BULLETIN APPLIES TO YOUR VEHICLE, OR THAT YOUR VEHICLE WILL HAVE THAT CONDITION. SEE A GENERAL MOTORS DEALER SERVICING YOUR BRAND OF GENERAL MOTORS VEHICLE FOR INFORMATION ON WHETHER YOUR VEHICLE MAY BENEFIT FROM THE INFORMATION.

COPYRIGHT 1994 GENERAL MOTORS CORPORATION. ALL RIGHTS RESERVED.