GM Service Manual Online
For 1990-2009 cars only
Makes
🢒
Pontiac
🢒
1995
🢒
Firebird
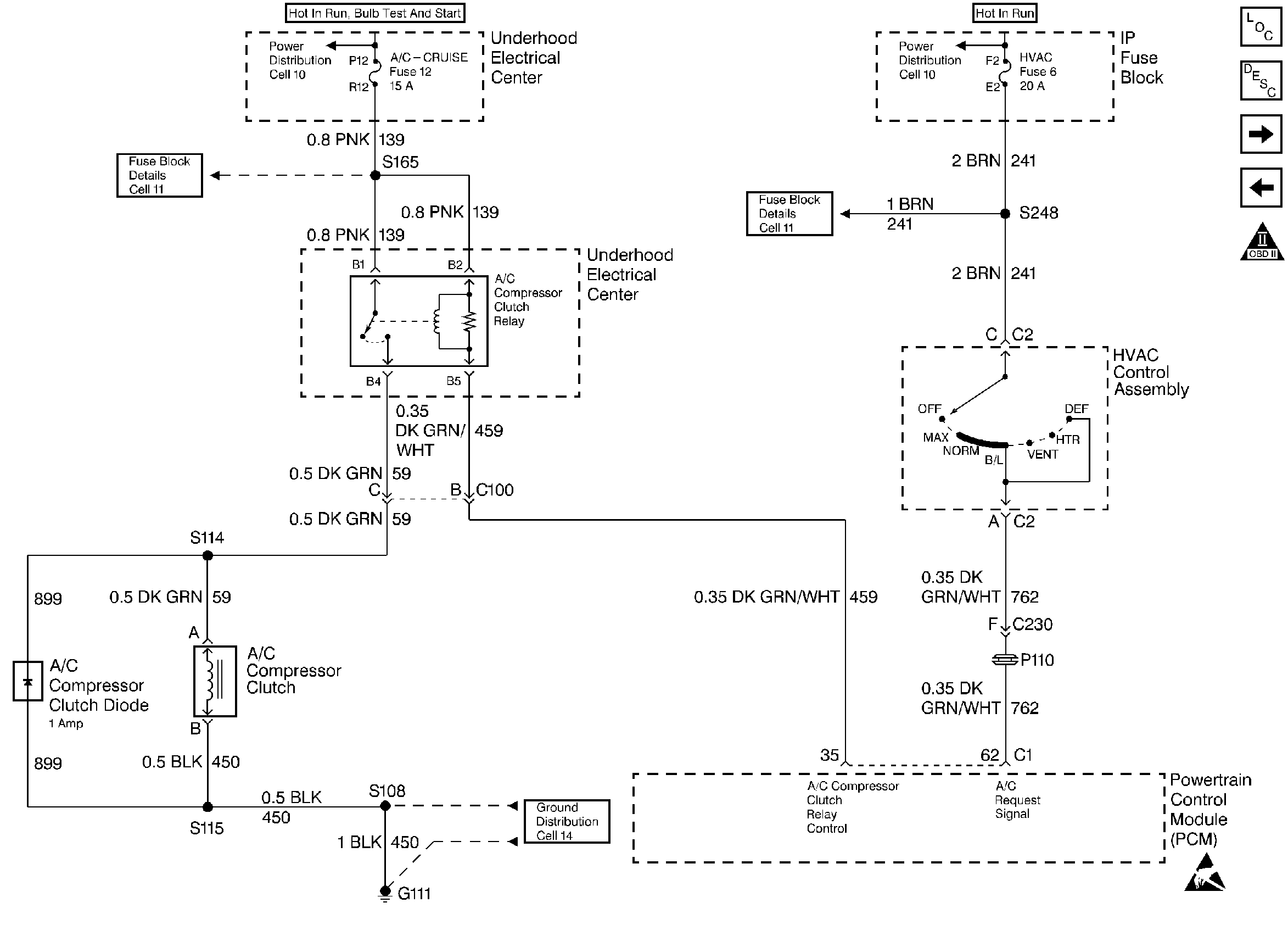
🢒 A/C HAVOC Control
A/C HAVOC Control
A/C HVAC Control
Engine Controls Components
Powertrain Control Module Controlled Air Conditioning
Trans Range
Brake Switch, TCC Solenoid
OBD II Symbol Description Notice
Handling ESD Sensitive Parts Notice