GM Service Manual Online
For 1990-2009 cars only

Refer to

HO2S Sensors


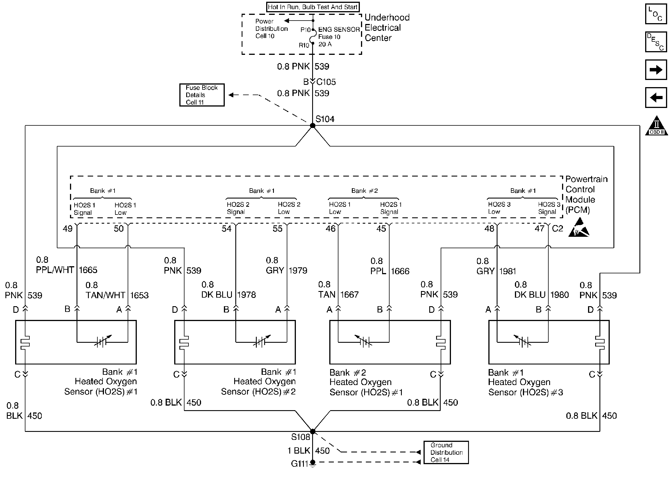
Object Number: 28069  Size: FS
Engine Controls Components
Information Sensors
Cruise Control, VSS
MAF Sensor, EVAP System, EGR Valve
OBD II Symbol Description Notice
Handling ESD Sensitive Parts Notice
.

Circuit Description

The PCM continuously monitors the Heated Oxygen Sensor (HO2S) activity for 100 seconds. During the monitoring period the PCM counts the number of times that the a rich to lean and lean to rich response is indicated and adds the amount of time it took to complete all transitions. With this information, an average time for each transition can be determined. If the average response time is too slow, a DTC P0153 will be set. A lean to rich transition is indicated when the HO2S voltage changes from less than 300 mV to greater than 600 mV. A rich to lean transition is indicated when the HO2S voltage changes from more than 600 mV to less than 300 mV. An HO2S that responds too slowly is likely to be faulty and should be replaced.

Conditions for Setting the DTC

    • No active transmission, TP sensor, EVAP system, EGR, misfire, IAT sensor, MAP sensor, fuel trim, fuel injector circuit, EVAP solenoid ODM, ECT sensor, or MAF sensor DTC(s) present.
    • Closed loop for greater than 120 seconds
    • DTC P0155 (O2 Heater) not set
    • Engine has been running for at least 2 minutes
    • Engine speed is between 1,000 RPM and 3,000 RPM.
    • Engine Coolant Temperature greater than 75°C (167°F).
    • Mass Air Flow between 15 gm/s and 29 gm/s.
    • Above conditions must be present for a 100 second sample period.
    • Bank 2 H02S 1 lean to rich or rich to lean average transition response time was longer than 90 milliseconds.

Action Taken When the DTC Sets

    • The PCM will illuminate the malfunction indicator lamp (MIL) during the second consecutive trip in which the diagnostic test has been run and failed.
    • The PCM will store conditions which were present when the DTC set as Freeze Frame and Failure Records data.

Conditions for Clearing the MIL/DTC

    • The PCM will turn OFF the MIL during the third consecutive trip in which the diagnostic has been run and passed.
    • The History DTC will clear after 40 consecutive warm-up cycles have occurred without a malfunction.
    • The DTC can be cleared by using the scan tool.

Diagnostic Aids

Check for the following conditions:

    • Poor connection at PCM - Inspect harness connectors for backed out terminals, improper mating, broken locks, improperly formed or damaged terminals, and poor terminal to wire connection.
    • Damaged harness - Inspect the wiring harness for damage. If the harness appears to be OK, observe the Bank 2 HO2S 1 display on the scan tool while moving connectors and wiring harnesses related to the sensor. A change in the display will indicate the location of the fault.

Review the Fail Records vehicle mileage since the diagnostic test last failed. This may help determine how often the condition that caused the DTC to be set occurs.

Test Description

Number(s) below refer to the step number(s) on the Diagnostic Table:

  1. This step verifies that the fault is currently present.

  2. HO2S transition time, ratio mean volts and switching DTCs set for multiple sensors indicate probable contamination. Before replacing the sensors, isolate and correct the source of the contamination to avoid damaging the replacement sensors.

Step

Action

Value(s)

Yes

No

Schematic Reference: Engine Controls Schematics

1

Was the Powertrain On-Board Diagnostic (OBD) System Check performed?

--

Go to Step 2

Go to the Powertrain On Board Diagnostic (OBD) System Check

2

Important: If any DTCs are set, (except P0133, P1133, P1134, P1135, P1136, P1153, P1154, P1155, and/or P1156), refer to those DTCs before proceeding with this diagnostic chart.

  1. Install scan tool
  2. Engine idling at operating temperature
  3. Operate vehicle within parameters specified under DTC Will Set When criteria included in Diagnostic Support.
  4. Using a scan tool, monitor Specific DTC info for DTC P0153 until the DTC P0153 test runs.
  5. Note the test result.

Does scan tool indicate DTC P0153 failed this ignition?

--

Go to Step 3

Go to Diagnostic Aids

3

Did the scan tool also indicate DTC P0153, P1133, P1134, P1135, P1136, P1153, P1154, P1155, and/or P1156 test failed this ignition?

--

Go to Step 8

Go to Step 4

4

  1. Perform Exhaust System Leak Test. Refer to Exhaust System . After Exhaust System Leak Test has been performed, return to this diagnostic.
  2. If an exhaust leak is found, repair as necessary.

Was an exhaust leak isolated?

--

Go to Step 2

Go to Step 5

5

Visually/physically inspect the following items:

    • Ensure that the Bank 2 HO2S 1 is securely installed.
    • Check for corrosion on terminals.
    • Check terminal tension (at Bank 2 HO2S 1 and at the PCM).
    • Check for damaged wiring

Was a problem found in any of the above areas?

--

Go to Step 9

Go to Step 6

6

  1. Disconnect Bank 2 HO2S 1.
  2. Jumper HO2S low (PCM side) signal circuit to ground.
  3. Using a scan tool, monitor Bank 2 HO2S 1 voltage.

Does the scan tool indicate voltage near the specified value?

450 mV

Go to Step 7

Go to Step 10

7

  1. Jumper Bank 2 HO2S 1 high and low (PCM side) signal circuits to ground.
  2. Using a scan tool, monitor Bank 2 HO2S 1 voltage.

Does scan tool indicate voltage below specified value?

300 mV

Go to Step 12

Go to Step 11

8

Replace affected Heated Oxygen Sensors. Refer to Heated Oxygen Sensor Replacement .

Important:  Before replacing sensors, the cause of the contamination must be determined and corrected.

    • Fuel contamination
    • Use of improper RTV sealant
    • Engine oil/coolant consumption

Is the action complete?

--

Go to Step 13

--

9

Repair condition as necessary.

Is the action complete?

--

Go to Step 13

--

10

Repair an open Bank 2 HO2S 1 low signal circuit or a grounded Bank 2 HO2S 1 high signal circuit. Refer to Heated Oxygen Sensor (HO2S) Repair in Electrical Diagnosis.

Is the action complete?

--

Go to Step 13

--

11

Repair an open Bank 2 HO2S 1 high signal circuit or faulty PCM connections. Refer to Heated Oxygen Sensor (HO2S) Repair in Electrical Diagnosis.

Is the action complete?

--

Go to Step 13

--

12

Replace Bank 2 HO2S 1. Refer to Heated Oxygen Sensor Replacement .

Is the action complete?

--

Go to Step 13

--

13

  1. Review and record scan tool Fail Records data.
  2. Clear DTCs
  3. Operate vehicle within Fail Records conditions as noted.
  4. Using a scan tool, monitor Specific DTC info for DTC P0153 until the DTC P0153 test runs.

Does the scan tool indicate DTC P0153 failed this ignition?

--

Go to Step 2

System OK