GM Service Manual Online
For 1990-2009 cars only
Makes
🢒
Pontiac
🢒
1997
🢒
Firebird
🢒
Engine
🢒
Engine Electrical
🢒 Starting and Charging Schematics
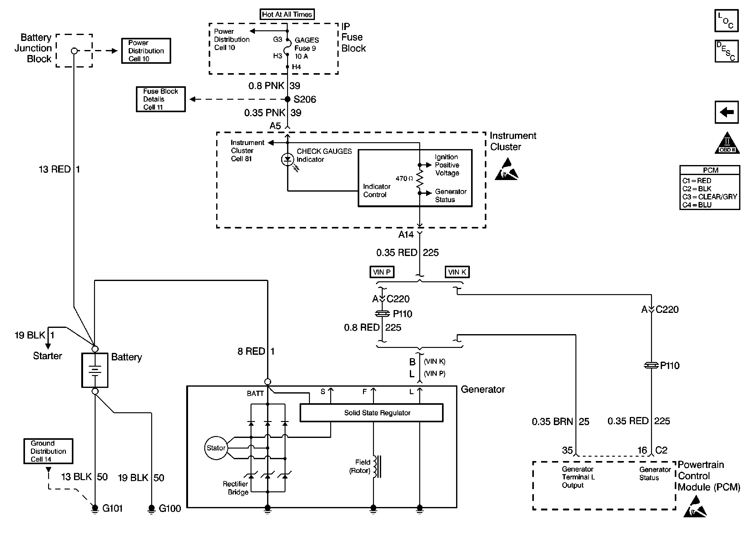
Figure
1:
Starting and Charging Components
Starting and Charging Circuit
Engine Electrical - Charging System Figure
OBD II Symbol Description Notice
Figure
2:
Starting and Charging Components
Starting and Charging Circuit
Engine Electrical - Starting System Figure
OBD II Symbol Description Notice