GM Service Manual Online
For 1990-2009 cars only

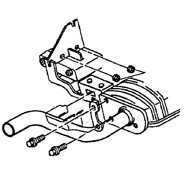
Converter Hanger Assembly 3800 Auto

Removal Procedure

  1. Raise and suitably support the vehicle. Refer to General Vehicle Lifting and Jacking in General Information.
  2. Support the catalytic converter.

  3. Object Number: 21664  Size: SH
  4. Remove the catalytic converter hanger bolts.

  5. Object Number: 21623  Size: SH
  6. Remove the rear axle torque arm outer bracket bolt.

  7. Object Number: 42672  Size: SH
  8. Remove the rear axle torque arm bracket nuts from the rear axle torque arm inner bracket bolts.
  9. Remove the converter hanger and bracket from the rear axle torque arm inner bracket.
  10. Remove the hanger from the bracket.

Installation Procedure


    Object Number: 107755  Size: SH
  1. Install the catalytic converter hanger to the catalytic converter hanger bracket.

  2. Object Number: 107758  Size: SH
  3. Install the catalytic converter hanger bracket with the catalytic converter hanger to the rear axle torque arm inner bracket.
  4. Install the rear axle torque arm bracket nuts to the rear axle torque arm inner brackets bolts/screws.
  5. Tighten
    Tighten the rear axle torque arm bracket nuts to 45 N·m (33 lb ft).

    Notice: Use the correct fastener in the correct location. Replacement fasteners must be the correct part number for that application. Fasteners requiring replacement or fasteners requiring the use of thread locking compound or sealant are identified in the service procedure. Do not use paints, lubricants, or corrosion inhibitors on fasteners or fastener joint surfaces unless specified. These coatings affect fastener torque and joint clamping force and may damage the fastener. Use the correct tightening sequence and specifications when installing fasteners in order to avoid damage to parts and systems.

  6. Install the rear axle torque arm outer bracket bolt/screw.
  7. Tighten
    Tighten the torque arm bracket bolt to 27 N·m (20 lb ft).


    Object Number: 107745  Size: SH
  8. Install the catalytic converter hanger bolts.
  9. Tighten
    Tighten the converter hanger bolts to 41 N·m (30 lb  ft).

  10. Remove the support from the catalytic converter.
  11. Lower the vehicle.

Converter Hanger Assembly 5.7L Auto/Man

Removal Procedure

  1. Raise the vehicle. Suitably support the vehicle. Refer to Section 0A.
  2. Support the catalytic converter.

  3. Object Number: 21685  Size: SH
  4. Remove the catalytic converter hanger bolts.

  5. Object Number: 21624  Size: SH
  6. Remove the rear axle torque arm bracket nuts.
  7. Remove the catalytic converter bracket and hanger.
  8. Remove the hanger from the bracket.

Installation Procedure


    Object Number: 21624  Size: SH
  1. Install the catalytic convertrer hanger to the bracket.
  2. Install the catalytic converter bracket to the rear axle torque arm inner bracket.
  3. Install the rear axle torque arm bracket nuts.
  4. Tighten
    Thighten the rear axle torque arm bracket nut to 41 N·m (30 lb ft).

    Notice: Use the correct fastener in the correct location. Replacement fasteners must be the correct part number for that application. Fasteners requiring replacement or fasteners requiring the use of thread locking compound or sealant are identified in the service procedure. Do not use paints, lubricants, or corrosion inhibitors on fasteners or fastener joint surfaces unless specified. These coatings affect fastener torque and joint clamping force and may damage the fastener. Use the correct tightening sequence and specifications when installing fasteners in order to avoid damage to parts and systems.


    Object Number: 21685  Size: SH
  5. Install the catalytic converter hanger bolts.
  6. Tighten
    Thighten the converter hanger bolts to 41 N·m (30 lb ft).

  7. Remove the support from the catalytic converter.
  8. Lower the vehicle.

Converter Hanger Assembly 3800 Man

Removal Procedure

  1. Raise the vehicle. Suitably support the vehicle. Refer to Section 0A.
  2. Support the catalytic converter.

  3. Object Number: 21664  Size: SH
  4. Remove the catalytic converter hanger bolts.

  5. Object Number: 42707  Size: SH
  6. Remove the rear axle torque arm bracket nuts.
  7. Remove the converter hanger and the catalytic converter front hanger bracket from the rear axle torque arm inner bracket.
  8. Remove the hanger from the bracket.

Installation Procedure


    Object Number: 42707  Size: SH
  1. Install the catalytic convertrer hanger to the bracket.
  2. Install the catalytic converter bracket to the rear axle torque arm inner bracket.
  3. Install the rear axle torque arm bracket nuts.
  4. Tighten
    Tighten the rear axle torque arm bracket nut to 41 N·m (30 lb ft)

    Notice: Use the correct fastener in the correct location. Replacement fasteners must be the correct part number for that application. Fasteners requiring replacement or fasteners requiring the use of thread locking compound or sealant are identified in the service procedure. Do not use paints, lubricants, or corrosion inhibitors on fasteners or fastener joint surfaces unless specified. These coatings affect fastener torque and joint clamping force and may damage the fastener. Use the correct tightening sequence and specifications when installing fasteners in order to avoid damage to parts and systems.


    Object Number: 21664  Size: SH
  5. Install the catalytic converter hanger bolts.
  6. Tighten
    Thighten the converter hanger bolts to 41 N·m (30 lb ft)

  7. Remove the support from the catalytic converter.
  8. Lower the vehicle.