GM Service Manual Online
For 1990-2009 cars only

Product Emission - Air Injection Reactor (A.I.R.) Pump System Failures

Subject:99083 -- Air Injection Reactor (A.I.R.) Pump System Failures

Models:1995, 1996, 1997 Chevrolet Camaro and Pontiac Firebird Model Vehicles
Equipped with 5.7L Engine (RPO LT1-VIN Code P)



Condition

General Motors has decided to conduct a Voluntary Emission Campaign involving all 1995, 1996 and 1997 Chevrolet Camaro and Pontiac Firebird model vehicles equipped with 5.7L (RPO LT1-VIN Code P) engines. The Air Injection Reactor (A.I.R.) pump emission control system on these vehicles may fail to operate and cause the Malfunction Indicator Lamp (MIL) to illuminate. This condition may be due to corrosion of a solenoid internal to the A.I.R. pump.

Correction

Dealers are to install a new A.I.R. pump assembly kit that is designed to protect the A.I.R. pump system from failing due to internal corrosion.

Vehicles Involved

Involved are all 1995, 1996 and 1997 Chevrolet Camaro and Pontiac Firebird model vehicles equipped with 5.7L (RPO LT1-VIN Code P) engines and built within the following VIN breakpoints:

Year

Division

Model

Plant

From

Through

1995

Chevrolet

Camaro

Ste. Therese

S2100001

S2229521

1995

Pontiac

Firebird

Ste. Therese

S2200001

S2256723

1996

Chevrolet

Camaro

Ste. Therese

T2100001

T2166869

1996

Pontiac

Firebird

Ste. Therese

T2200001

T2232760

1997

Chevrolet

Camaro

Ste. Therese

V2100002

V2160181

1997

Pontiac

Firebird

Ste. Therese

V2200001

V2232666

Important: Dealers should confirm vehicle eligibility through GMVIS (GM Vehicle Inquiry System) or GM Access Screen (Canada only) or DCS Screen 445 (IPC only) prior to beginning campaign repairs. [Not all vehicles within the above breakpoints may be involved]

Involved vehicles have been identified by Vehicle Identification Number. Computer listings containing the complete Vehicle Identification Number, customer name and address data have been prepared, and are being furnished to involved dealers with the campaign bulletin. The customer name and address data furnished will enable dealers to follow-up with customers involved in this campaign. Any dealer not receiving a computer listing with the campaign bulletin has no involved vehicles currently assigned.

These dealer listings may contain customer names and addresses obtained from Motor Vehicle Registration Records. The use of such motor vehicle registration data for any other purpose is a violation of law in several states/provinces/countries. Accordingly, you are urged to limit the use of this listing to the follow-up necessary to complete this campaign.

Parts Information

Parts required to complete this campaign are to be obtained from General Motors Service Parts Operations (GMSPO). Please refer to your "involved vehicles listing" prior to ordering requirements. Normal orders should be placed on a DRO = Daily Replenishment Order. An emergency requirement should be ordered on a CSO = Customer Special Order.

Part Number

Description

Qty/ Vehicle

88880033

Pump Kit, Secd Air Injn

1

Important: Owner letters will be mailed in phases by model year in order to reduce initial pump kit demand. 1996 owner letters will be mailed one week after publication of the bulletin. 1997 and 1995 owner letters will be mailed as part kits become available. Please order accordingly.

Service Procedure

F Car A.I.R. Pump Campaign Kit Service Procedure Removal


    Object Number: 752125  Size: SH
  1. Remove the retainer (2) from the air cleaner/duct assembly-to-upper radiator support.
  2. Loosen the clamp (1) at the air cleaner/duct assembly-to-mass airflow (MAF) sensor inlet.
  3. Remove the A.I.R. pump hose and the clamp from the underside of the air cleaner/duct assembly.
  4. Remove the air cleaner/duct assembly (3). Continue with Step 2 of F Car A.I.R. Pump Campaign Kit (Pontiac Firebird w/WS6 Ram Air) Service Procedure/Removal/Replaces F Car A.I.R. Pump Campaign Service Procedures Steps 1-4)

F Car A.I.R. Pump Campaign Kit (Chevrolet Camaro w/SS Ram Air) Service Procedure/Removal/Replaces F Car A.I.R. Pump Campaign Service Procedure Steps 1-4)


    Object Number: 752126  Size: SH
  1. Remove the air cleaner cover (1) and the air cleaner element (2) and then remove the bolts (3) from the air cleaner box (4).
  2. Loosen the hose clamp (5) at the outlet side of the Mass Airflow (MAF) Sensor.
  3. Disconnect the electrical connector from the MAF Sensor.
  4. Remove the A.I.R. pump inlet hose and the clamp from the underside of the air cleaner/duct assembly and then remove the air cleaner/duct assembly (4) (with MAF Sensor). Continue to Step 2 of the next procedure.

F Car A.I.R. Pump Campaign Kit (Pontiac Firebird w/WS6 Ram Air) Service Procedure/Removal/Replaces F Car A.I.R. Pump Campaign Service Procedures Steps 1-4)

  1. Remove the A.I.R. pump inlet hose and the clamp from the underside of the Ram Air-air cleaner/duct assembly. Continue to Step 2.

  2. Object Number: 752127  Size: SH
  3. Remove the A.I.R. pump outlet hose (1) and the clamp from the A.I.R. crossunder pipe.
  4. Raise the vehicle.
  5. Disconnect the vehicle electrical wire harness connector from the A.I.R. pump.
  6. Remove the vacuum harness assembly (2) from the bleed valve.

  7. Object Number: 752130  Size: SH
  8. Remove the three A.I.R. pump-to-bracket nuts/bolts (1).
  9. Remove the A.I.R. pump assembly.
  10. Remove the inlet hose (3) and the clamp from the A.I.R. pump (2). Discard the old A.I.R. pump, the outlet hose, the clamp and the vacuum harness assembly.

  11. Object Number: 752131  Size: SH
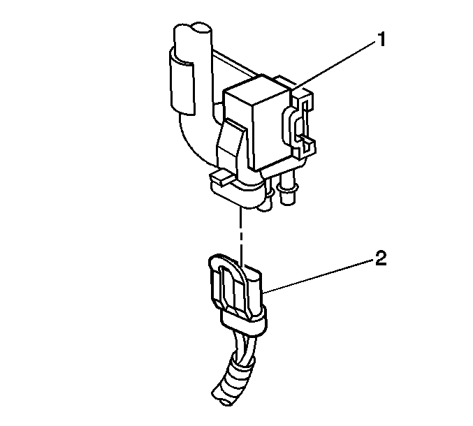
  12. Disconnect the electrical wire harness (2) from the bleed valve (1) (1996-1997 vehicles only).
  13. Remove and discard the bleed valve (1).
  14. Insert the connector plug, GM P/N 12064959, to the bleed valve wire harness (2). Secure the bleed valve wire harness to the A.I.R. pump wire harness using tape or nylon ties.

  15. Object Number: 752130  Size: SH
  16. Install the inlet hose (3) and the clamp to the new A.I.R. pump.
  17. Install the new A.I.R. pump assembly (2) and the nuts (1).
  18. Tighten
    Tighten the nuts to 8-12 N·m (72-106 lb in).


    Object Number: 752132  Size: SH
  19. Connect the A.I.R. pump wire harness to the A.I.R. pump.
  20. Lower the vehicle.
  21. Install the A.I.R. pump outlet hose (1) and the clamp to the A.I.R. crossunder pipe.

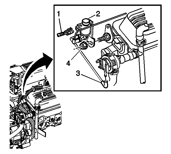
  22. Object Number: 752133  Size: SH
  23. Install the solenoid and the vacuum harness assembly (2) and the nut (4), GM P/N 10242827, to the ignition coil bolt/stud.
  24. Tighten
    Tighten the nut to 21-29 N·m (15-21 lb ft).

  25. Connect the vacuum hose (3) to the shutoff valve.
  26. Connect the A.I.R. pump jumper harness (1) to the solenoid assembly (2). The wire harness should be routed behind the A.I.R. pump outlet hose.
  27. Disconnect the exhaust gas recirculation (EGR) valve vacuum hose (2) from the intake manifold.

  28. Object Number: 752135  Size: SH
  29. Route the vacuum hose (1) from the new solenoid assembly to the EGR hose fitting (along the left side of the intake manifold).
  30. Connect the new vacuum hose and the tee/fitting (1) to the manifold.
  31. Connect the EGR valve vacuum hose (2) to the tee/fitting (1).
  32. Connect the A.I.R. pump hose and the clamp to the underside of the air cleaner/duct assembly (3).

  33. Object Number: 752136  Size: SH
  34. Install the air cleaner/duct assembly (3).
  35. Install the retainer (2) to the air cleaner/duct assembly and upper radiator support.
  36. Tighten the clamp (1) at the inlet of the MAF sensor. Continue to Step 2 of F Car A.I.R. Pump Campaign Kit (Pontiac Firebird w/WS6 Ram Air) Service Procedure/Installation/Replace F Car A.I.R. Pump Campaign Service Procedure Steps 29-32).

F Car A.I.R. Pump Campaign Kit (Chevrolet Camaro w/SS Ram Air) Service Procedure/Installation/Replaces F Car A.I.R. Pump Campaign Service Procedure Steps 29-32)

  1. Install the air cleaner/duct assembly (4) (with MAF sensor) then install the A.I.R. pump inlet hose and the clamp to the underside of the air cleaner/duct assembly.
  2. Connect the electrical connector to the MAF sensor.
  3. Tighten the hose clamp (5) at the outlet side of the MAF sensor.
  4. Install the bolts (3) to the air cleaner box then install the air cleaner element (2) and the cover (1). Continue with Step 2 of the next procedure.
  5. Tighten
    Tighten the bolts to 12 N·m (106 lb in).

F Car A.I.R. Pump Campaign Kit (Pontiac Firebird w/WS6 Ram Air) Service Procedure/Installation/(Replaces F Car A.I.R. Pump Campaign Service Procedure Steps 29-32)

  1. Install the A.I.R. pump inlet hose and the clamp to the underside of the Ram Air-air cleaner/duct assembly. Continue to Step 2.
  2. Start the vehicle and allow the engine to go into closed loop. Using the Tech 2 scan tool, energize the A.I.R. pump. Monitor the oxygen sensor voltages at Bank 1, Sensor 1 and Bank 2, Sensor 1. With the A.I.R. pump energized, the oxygen sensor will count down to below 50 mv, indicating air delivery to both exhaust banks.
  3. If the oxygen sensor voltage remains above 50 mv, check for proper installation of the components, battery voltage to the new solenoid, and/or engine vacuum to the A.I.R. shutoff valve. Repair as required.
  4. Clear all A.I.R. diagnostic trouble codes (DTCs).
  5. Install the emissions label, GM P/N 12568750, onto the radiator support.
  6. Install the GM Campaign Identification Label.

Campaign Identification Label

For US and IPC

Place a Campaign Identification Label on each vehicle corrected in accordance with the instructions outlined in this Product Campaign Bulletin. Each label provides a space to include the campaign number and the five (5) digit dealer code of the dealer performing the campaign service. This information may be inserted with a typewriter or a ball point pen.

Put the Campaign Identification Label on a clean and dry surface of the radiator core support in an area that will be visible to people servicing the vehicle. When installing the Campaign Identification Label, be sure to pull the tab to allow the adhesion of the clear protective covering. Additional Campaign Identification Labels for US dealers can be obtained from Dealer Support Materials by calling 1-888-549-6152 (Monday-Friday, 8:00 am to 5:00 pm EST). Ask for Item Number S-1015 when ordering.

Additional Campaign Identification Labels for IPC dealers can be obtained from your Regional Marketing Office.

Campaign Identification Label

For Canada

Place a Campaign Identification Label on each vehicle corrected in accordance with the instructions outlined in this Product Campaign Bulletin. Each label provides a space to include the campaign number and the five (5) digit dealer code of the dealer performing the campaign service. This information may be inserted with a typewriter or a ball point pen.

Put the Campaign Identification Label on a clean and dry surface of the radiator core support in an area that will be visible to people servicing the vehicle. Additional Campaign Identification Labels for Canadian dealers can be obtained from DGN by calling 1-800-668-5539 (Monday-Friday, 8:00 am to 5:00 pm EST). Ask for Item Number GMP91 when ordering.

Claim Information

Submit a Product Campaign Claim with the information indicated below.

Repair Performed

Part Count

Part No.

Parts Allow

CC-FC

Labor Op

Labor Hours*

Net Item

Install AIR pump kit

1

88880033

**

MA-96

V0430

0.7

 

Reimbursement for Previous Repairs

NA

NA

NA

MA-96

V0561

0.2

Administrative Labor Hours

***

* -- For Campaign Administrative Allowance, add 0.1 hours to the "Labor Hours".

** -- The "Parts Allowance" should be the sum total of the current GMSPO Dealer Net price plus applicable Mark-Up or Landed Cost Mark-Up (for IPC) for the A.I.R. pump assembly needed to complete the repair.

*** -- The amount identified in the "Net Item" column should represent the total customer reimbursement amount.

Refer to the General Motors WINS Claim Processing Manual for details on Product Campaign Claim Submission.

Reimbursement

Customer requests for reimbursement of previously paid repairs to correct the A.I.R. pump are to be submitted by October 31, 2001 (this time limitation may be longer depending upon the law in your state/province/country).

Consideration for reimbursement will be allowed only if genuine General Motors parts were used. The amount to be reimbursed will be limited to the amount the repair would have cost if completed by an authorized General Motors dealer.

When a customer requests reimbursement, they must provide the following:

    • Proof of ownership at the time of the repair.
    • The original paid receipt confirming the amount of unreimbursed repair expense(s) (including Service Contract Deductibles), a description of the repair, and the person or entity performing the repair.

Customers from the States of California, Connecticut, Virginia, and Wisconsin must submit requests for reimbursement directly to (Divisions) per instructions in the owner letter.

Claims for customer reimbursement on previously paid repairs are to be submitted as required by WINS.

Important: Refer to the GM service policies and procedures manual, section 1.6.2, for specific procedures regarding customer reimbursement verification.

Customer Notification

FOR US AND CANADA

Customers will be notified of this campaign on their vehicles by General Motors (see copy customer letter included with this bulletin).

In order to ensure full protection under the emission warranty, and the right to participate in future recalls, the customer notification letter recommends that customers have their vehicles serviced as soon as possible. It also advises that failure to do so could legally be determined to be lack of proper maintenance. The vehicle may fail a state or local emission inspection test if the recall work is not completed.

Customer Notification

FOR IPC

Registered letters will be sent to known owners of record located within areas covered by the U.S. National Traffic and Motor Vehicle Safety Act, as amended. For owners outside these areas, the attached suggested letter is recommended and should be sent by dealers.

In order to ensure full protection under the emission warranty, and the right to participate in future recalls, the customer notification letter recommends that customers have their vehicles serviced as soon as possible. It also advises that failure to do so could legally be determined to be lack of proper maintenance. The vehicle may fail a state or local emission inspection test if the recall work is not completed.

Dealer Campaign Responsibility

All unsold new vehicles in dealers' possession and subject to this campaign MUST be held and inspected/repaired per the service procedure of this campaign bulletin BEFORE customers take possession of these vehicles.

Dealers are to service all vehicles subject to this campaign at no charge to customers, regardless of mileage, age of vehicle, or ownership, from this time forward.

Customers who have recently purchased vehicles sold from your vehicle inventory, and for which there is no customer information indicated on the dealer listing, are to be contacted by the dealer. Arrangements are to be made to make the required correction according to the instructions contained in this bulletin. This could be done by mailing to such customers a copy of the customer letter accompanying this bulletin. Campaign follow-up cards should not be used for this purpose, since the customer may not as yet have received the notification letter.

In summary, whenever a vehicle subject to this campaign enters your vehicle inventory, or is in your dealership for service in the future, please take the steps necessary to be sure the campaign correction has been made before selling or releasing the vehicle.

*************THE FOLLOWING 2 PARAGRAPHS ARE NOT FOR CANADA OR IPC****************

When a California emissions campaign is completed by a GM dealer, the dealer must provide the vehicle owner a "Proof Of Correction Certificate" which the owner may need to present to the California Department Of Motor Vehicles (DMV) when renewing their vehicle registration. Without this correction certificate, the owner may be unable to renew their vehicle registration.

Additional Certificates can be obtained, at no charge, from Dealer Support Materials by calling 1-888-414-6322 (Monday through Friday, 8:00 am to 5:00 pm EST). Ask for GM Item Number 1825 when ordering.

(Suggested Dealer Letter)

General Motors has decided to conduct a Voluntary Emission Campaign involving all 1995, 1996 and 1997 Chevrolet Camaro and Pontiac Firebird model vehicles equipped with 5.7L V8 engines. The Air Injection Reactor (A.I.R.) pump emission control system on these vehicles may fail to operate and cause the Malfunction Indicator Lamp (MIL) to illuminate. This condition may be due to corrosion of a solenoid internal to the A.I.R. pump.

We will install a new A.I.R. pump assembly kit that is designed to protect the A.I.R. pump system from failing due to internal corrosion. This service will be performed for you at no charge.

Please contact us as soon as possible to arrange a service date.

We sincerely regret any inconvenience this causes you; however, we have taken this action in the interest of your continued satisfaction with our products.

GMODC

General Motors Corporation

99083

/il

October, 2000

Dear <Division(s)> Customer:

This notice is sent to inform you that General Motors is conducting a voluntary emission recall campaign that includes your vehicle.

Reason For This Recall

General Motors has decided to conduct a Voluntary Emission Campaign involving all 1995, 1996 and 1997 Chevrolet Camaro and Pontiac Firebird model vehicles equipped with 5.7L V8 engines. The Air Injection Reactor (A.I.R.) pump emission control system on these vehicles may fail to operate and cause the Malfunction Indicator Lamp (MIL) to illuminate. This condition may be due to corrosion of a solenoid internal to the A.I.R. pump.

What We Will Do

Your Chevrolet/Pontiac dealer will install a new A.I.R. pump assembly kit that is designed to protect the A.I.R. pump system from failing due to internal corrosion. This service will be performed for you at no charge .

Contacting Your Dealer

Please contact your <Division> as soon as possible to arrange a service date and to assure parts availability. Instructions for making this correction have been sent to your dealer. Please ask your dealer if you wish to know how much time will be needed to schedule, process and repair your vehicle.

Should your dealer be unable to schedule a service date within a reasonable time, you should contact the appropriate Customer Assistance Center at the number listed below:

Division

Number

Deaf, Hearing Impaired, or Speech Impaired*

Chevrolet

1-800-222-1020

1-800-833-2438

Pontiac

1-800-762-2737

1-800-833-7668

* Utilizes Telecommunication Devices for the Deaf/Text Telephones (TDD/TTY)

Customer Reply Card

The attached customer reply card identifies your vehicle. Presentation of this card to your dealer will assist in making the necessary correction in the shortest possible time. If you no longer own this vehicle, please let us know by completing the card and returning it to us in the postage paid envelope.

Reimbursement

(Statement for all states except as shown below.)

If you have already paid for some or all of the cost to have your A.I.R. pump repaired, you should contact your dealer to seek reimbursement. Please provide your dealer with your original paid receipts or invoices verifying the repair, the amount charged, proof of payment, the date of payment of those charges and proof of ownership of the vehicle at the time of the repair by October 31, 2001. Only repairs performed prior tot he release of this recall (October, 2000) are eligible for reimbursement.

(Statement for California, Connecticut, Virginia and Wisconsin)

If you have already paid for some or all of the cost to have your A.I.R. pump repaired, you should write (DIVISIONAL SPECIFIC ADDRESS) to seek reimbursement. Please provide your original paid receipts or invoices verifying the repair, the amount charged, proof of payment of those charges and proof of ownership of the vehicle at the time of the repair. Only repairs performed prior to the release of this recall (October, 2000) are eligible for reimbursement. This information must be provided within two (2) years of the date on which you paid for the repair or by October 31, 2001, whichever is later.

If the work was done by someone other than a GM dealership, the amount of reimbursement will generally be limited to the amount that the repair would have cost GM to have it completed by a GM dealership.

Emission Law Information

In order to ensure your full protection under the emission warranty made applicable to your vehicle by State or Federal Law, and your right to participate in future recalls, it is recommended that you have your vehicle serviced as soon as possible. Failure to do so could legally be determined to be lack of proper maintenance of your vehicle. Also, your vehicle may fail a state or local emission inspection if this recall is not accomplished.

IMPORTANT MESSAGE FOR CALIFORNIA RESIDENTS

The California Air Resources Board (CARB) requires vehicle emission recall campaigns be completed prior to California registration renewal. Uncorrected emission recall campaigns will result in the inability to renew your California vehicle registration.

At the time of emission campaign completion, your California dealer will issue a "Proof Of Correction Certificate". Keep this certificate and, if required, present it to the Department of Motor Vehicles when renewing your California registration as proof of campaign completion.

We are sorry to cause you this inconvenience; however, we have taken this action in the interest of your continued satisfaction with our products.

<Division(s)>

General Motors Corporation

Enclosure