GM Service Manual Online
For 1990-2009 cars only

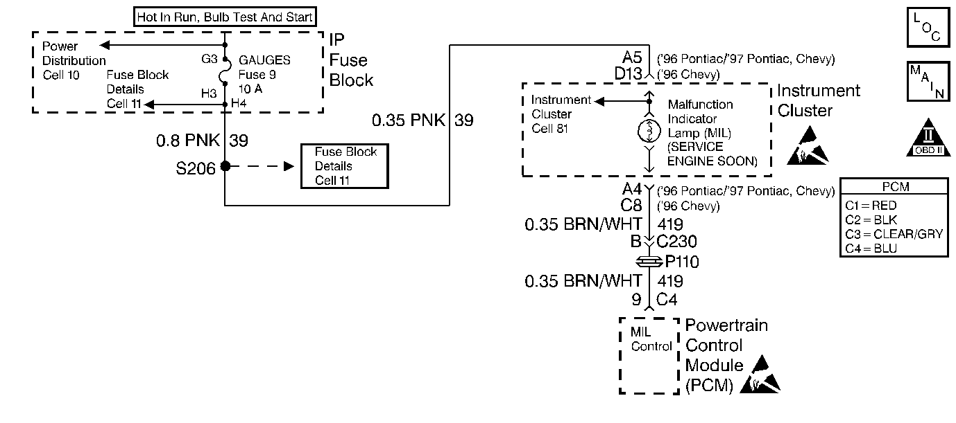
Object Number: 21630  Size: SF
Engine Controls Components
Power, Ground and MIL
OBD II Symbol Description Notice
Handling ESD Sensitive Parts Notice

Circuit Description

A voltage is supplied directly to the malfunction indicator lamp (MIL). The powertrain control module (PCM) controls the lamp by grounding the control circuit via an internal switch called a driver. The primary function of the driver is to supply the ground for the component being controlled. Each driver has a fault line which is monitored by the PCM. When the PCM is commanding a component ON, the voltage of the control circuit should be near 0 volts. When the PCM is commanding the control circuit to a component OFF, the voltage potential of the circuit should be near battery voltage. If the fault detection circuit senses a voltage other than what is expected, the fault line status will change causing the DTC to set.

Conditions for Setting the DTC

    • Engine speed greater than 600 RPM.
    • The PCM detects that the commanded state of the driver and the actual state of the control circuit do not match.
    • Condition must be present for a minimum of 5 seconds.

Action Taken When the DTC Sets

    • The PCM will turn the Malfunction Indicator Lamp (MIL) driver ON when the diagnostic runs and fails. If the MIL circuit becomes operational, the MIL will be 'ON'. Regardless of whether the MIL actually illuminates or not, DTC P1661 will be stored in the PCM memory.
    • The PCM will record operating conditions at the time the diagnostic fails. This information will be stored in the Freeze Frame and/or Failure Records.

Conditions for Clearing the MIL/DTC

    • The PCM will turn the MIL OFF after three consecutive drive trips that the diagnostic runs and does not fail.
    • A last test failed (Current DTC) will clear when the diagnostic runs and does not fail.
    • A History DTC will clear after forty consecutive warm-up cycles, if no failures are reported by this or any other emission related diagnostic.
    • PCM battery voltage is interrupted.
    • Using a Scan tool.

Diagnostic Aids

    • If the ignition feed circuit is suspected of being open, check if other bulbs on that circuit illuminate.
    • Using Freeze Frame and/or Failure Records data may aid in locating an intermittent condition. If the DTC cannot be duplicated, the information included in the Freeze Frame and/or Failure Records data can be useful in determining how many miles since the DTC set. The Fail Counter and Pass Counter can also be used to determine how many ignition cycles the diagnostic reported a pass and/or a fail. Operate vehicle within the same Freeze Frame conditions (RPM, load, vehicle speed, temperature etc.) that were noted. This will isolate when the DTC failed.

Test Description

Number(s) below refer to step numbers on the diagnostic table.

  1. Be sure that both the ON and the OFF states are commanded. Repeat the commands as necessary.

  2. If no trouble is found in the control circuit or the connection at the PCM, the PCM may be faulty, however, this is an extremely unlikely failure.

Step

Action

Value(s)

Yes

No

1

Was the Powertrain On-Board Diagnostic (OBD) System Check performed?

--

Go to Step 2

Go to Powertrain On Board Diagnostic (OBD) System Check

2

  1. Turn the ignition ON, engine OFF.
  2. Using the Scan tool, command the lamp ON and OFF.

Does the lamp turn ON and OFF with each command?

--

Go to Diagnostic Aids

Go to Step 3

3

  1. Turn the ignition OFF.
  2. Disconnect the PCM connector containing the lamp control circuit.
  3. Turn the ignition ON.

Is the lamp OFF?

--

Go to Step 4

Go to Step 5

4

With a fused jumper wire connected to ground, probe the lamp control circuit in the PCM harness connector.

Is the lamp ON?

--

Go to Step 6

Go to Step 7

5

Repair the short to ground in the lamp control circuit.

Is the repair complete?

--

Go to Step 9

--

6

Check the connections at the PCM.

Was a problem found and corrected?

--

Go to Step 9

Go to Step 8

7

Check for the following conditions:

    • Faulty bulb
    • Open ignition feed to the bulb
    • Control circuit open or shorted to B+.

Refer to Repair Procedures in Electrical Diagnosis (8A Cell 5).

Is the repair complete?

--

Go to Step 9

--

8

Important:: Replacement PCM must be programmed. Refer to Powertrain Control Module Replacement/Programming .

Replace the PCM.

Is the action complete?

--

Go to Step 9

--

9

  1. Using the scan tool, select DTC, Clear Info.
  2. Start the engine and idle at normal operating temperature.
  3. Select DTC, Specific, then enter the DTC number which was set.
  4. Operate the vehicle within the conditions for setting this DTC as specified in the supporting text, if applicable.

Does the scan tool indicate that this test ran and passed?

--

Go to Step 10

Go to Step 2

10

Using the scan tool, select Capture Info, Review Info.

Are any DTCs displayed that have not been diagnosed?

--

Go to the applicable DTC table

System OK