GM Service Manual Online
For 1990-2009 cars only
Makes
🢒
Pontiac
🢒
1999
🢒
Firebird
🢒
Body and Accessories
🢒
Retained Accessory Power
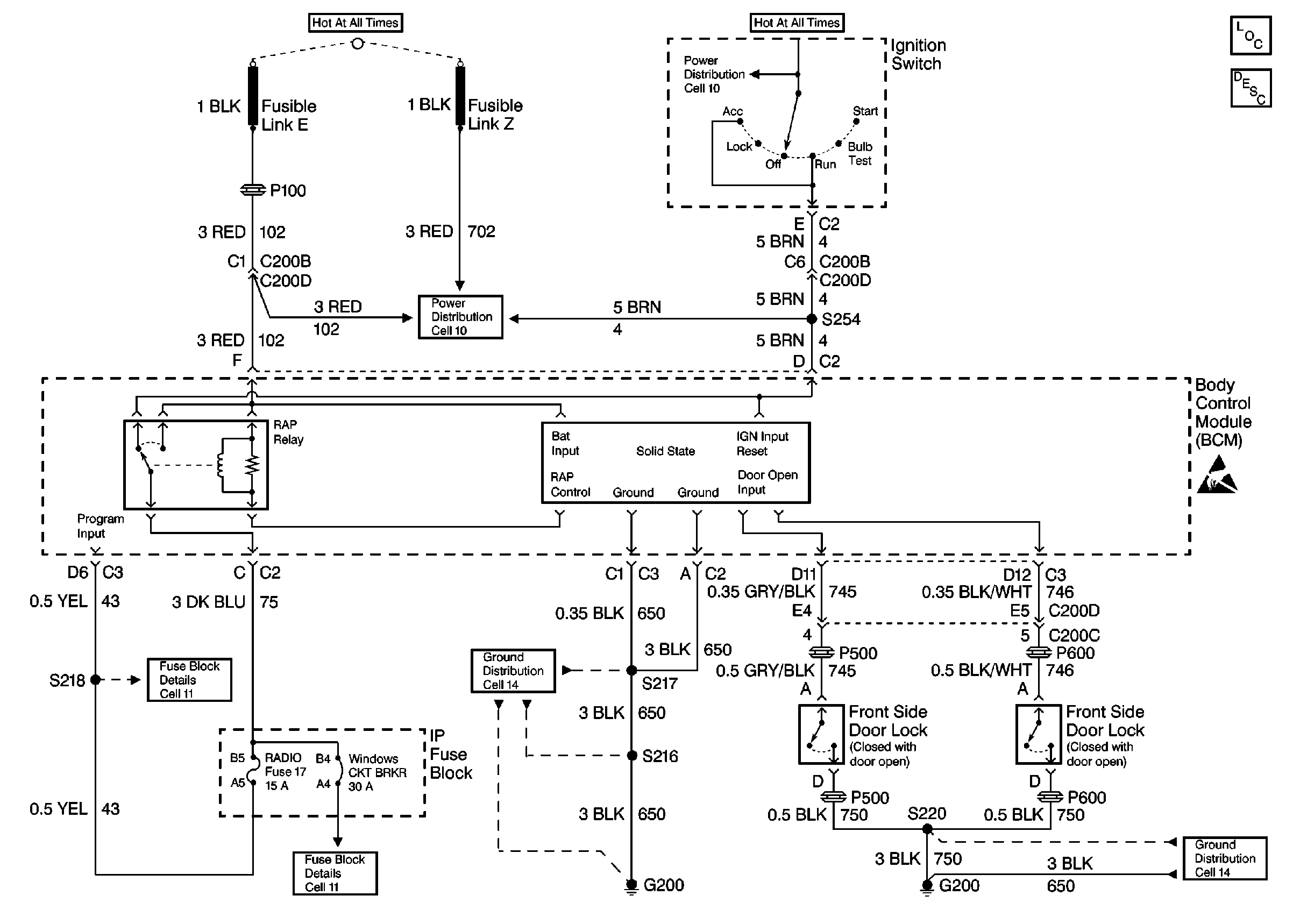
🢒 Retained Accessory Power (RAP) Schematics
Cell 15
Retained Accessory Power (RAP) Components
Retained Accessory Power (RAP) Circuit Description
Fusible Links, IP Fuse Block, and Underhood Electrical Centers
I/P Fuses 3, 14, 17 and Circuit Breaker 15
I/P Fuses 3, 14, 17 and Circuit Breaker 15
G200 Door Locks, Mirrors, Windows
G200 Door Locks, Mirrors, Windows
Handling ESD Sensitive Parts Notice
Ignition Switch and IP Fuse Block