GM Service Manual Online
For 1990-2009 cars only

Generator Replacement 3.8L Engine

Removal Procedure

Caution: Unless directed otherwise, the ignition and start switch must be in the OFF or LOCK position, and all electrical loads must be OFF before servicing any electrical component. Disconnect the negative battery cable to prevent an electrical spark should a tool or equipment come in contact with an exposed electrical terminal. Failure to follow these precautions may result in personal injury and/or damage to the vehicle or its components.


    Object Number: 211637  Size: SH
  1. Disconnect the negative battery cable. Refer to Battery Negative Cable Disconnection and Connection .
  2. Remove the accessory drive belt. Refer to Drive Belt Replacement in Engine Mechanical - 3.8L.
  3. Disconnect the generator electrical connector.

  4. Object Number: 43670  Size: SH
  5. Remove the positive cable from the generator:
  6. • Slide the boot back along the cable.
    • Remove the positive cable nut (at generator).
    • Remove the positive cable from the stud.
  7. Remove the canister purge solenoid. Refer to Evaporative Emission Canister Purge Solenoid Valve Replacement in Engine Controls - 3.8L.

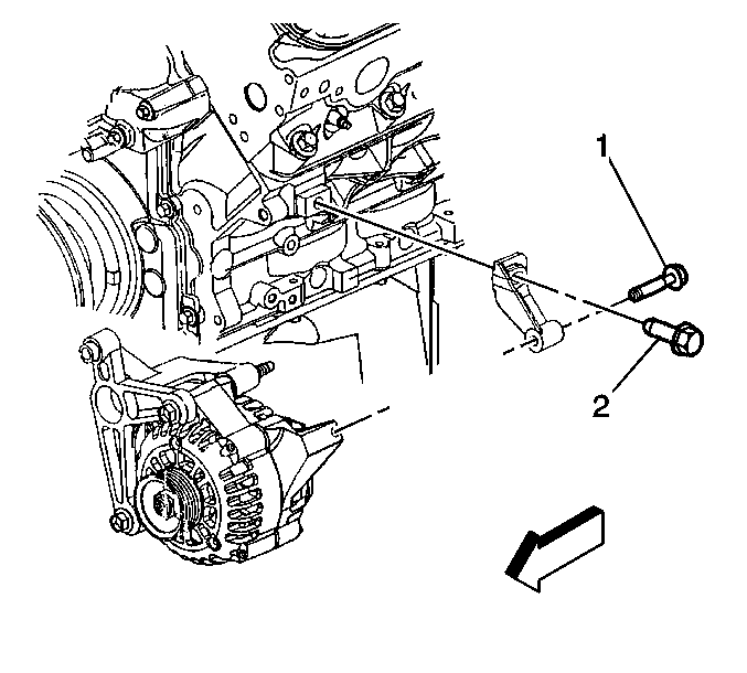
  8. Object Number: 487452  Size: SH
  9. Remove the generator bolts (2, 3, 6).
  10. Remove the generator (1).

Installation Procedure


    Object Number: 487452  Size: SH
  1. Install the generator (1).
  2. Notice: Use the correct fastener in the correct location. Replacement fasteners must be the correct part number for that application. Fasteners requiring replacement or fasteners requiring the use of thread locking compound or sealant are identified in the service procedure. Do not use paints, lubricants, or corrosion inhibitors on fasteners or fastener joint surfaces unless specified. These coatings affect fastener torque and joint clamping force and may damage the fastener. Use the correct tightening sequence and specifications when installing fasteners in order to avoid damage to parts and systems.

  3. Install the generator bolts (2, 3, 6).
  4. Tighten

        • Tighten the generator bolt (2, 6) to 30 N·m (22 lb ft).
        • Tighten the generator bolt (3) to 50 N·m (37 lb ft).
  5. Install the canister purge solenoid. Refer to Evaporative Emission Canister Purge Solenoid Valve Replacement in Engine Controls - 3.8L.

  6. Object Number: 43670  Size: SH
  7. Install the positive cable to the generator:
  8. • Install the positive cable to the stud.
    • Install the positive cable nut (at generator).

    Tighten
    Tighten the positive cable nut (at generator) to 22 N·m (16 lb ft).

    • Slide the boot over the generator stud.

    Object Number: 211637  Size: SH
  9. Connect the electrical connector to the generator.
  10. Install the accessory drive belt. Refer to Drive Belt Replacement in Engine Mechanical - 3.8L.
  11. Connect the negative battery cable. Refer to Battery Negative Cable Disconnection and Connection .

Generator Replacement 5.7L Engine

Removal Procedure

Caution: Unless directed otherwise, the ignition and start switch must be in the OFF or LOCK position, and all electrical loads must be OFF before servicing any electrical component. Disconnect the negative battery cable to prevent an electrical spark should a tool or equipment come in contact with an exposed electrical terminal. Failure to follow these precautions may result in personal injury and/or damage to the vehicle or its components.


    Object Number: 211599  Size: SH
  1. Disconnect the negative battery cable. Refer to Battery Negative Cable Disconnection and Connection .
  2. Remove the accessory drive belt. Refer to Drive Belt Replacement - Accessory in Engine Mechanical - 5.7L.
  3. Raise and suitably support the vehicle. Refer to Lifting and Jacking the Vehicle in General Information.
  4. Remove the positive cable from the generator:
  5. • Slide the boot back along the cable.
    • Remove the positive cable nut (at generator).
    • Remove the positive cable from the stud.

    Object Number: 211626  Size: SH
  6. Remove the generator rear bracket mounting bolt (1).

  7. Object Number: 211628  Size: SH
  8. Remove the transmission oil cooler lines from the oil cooler clip.
  9. Remove the generator front mounting bolts and oil cooler clip.

  10. Object Number: 211624  Size: SH
  11. Disconnect the generator electrical connector (3).
  12. Remove the generator.

Installation Procedure


    Object Number: 211624  Size: SH
  1. Install the generator.
  2. Connect the generator electrical connector (3).

  3. Object Number: 211628  Size: SH

    Notice: Use the correct fastener in the correct location. Replacement fasteners must be the correct part number for that application. Fasteners requiring replacement or fasteners requiring the use of thread locking compound or sealant are identified in the service procedure. Do not use paints, lubricants, or corrosion inhibitors on fasteners or fastener joint surfaces unless specified. These coatings affect fastener torque and joint clamping force and may damage the fastener. Use the correct tightening sequence and specifications when installing fasteners in order to avoid damage to parts and systems.

  4. Install the generator front mounting bolts and oil cooler clip.
  5. Tighten
    Tighten the generator mounting bolts to 50 N·m (37 lb ft).

  6. Install the transmission oil cooler lines to the oil cooler clip.

  7. Object Number: 211626  Size: SH
  8. Install the generator rear mounting bolt (1) (at generator).
  9. Tighten
    Tighten the generator rear mounting bolt (at generator) to 25 N·m (18 lb ft).


    Object Number: 211599  Size: SH
  10. Install the positive cable to the generator:
  11. • Install the positive cable to the stud.
    • Install the positive cable nut (at generator).

    Tighten
    Tighten the positive cable nut (at generator) to 22 N·m (16 lb ft).

    • Slide the boot over the generator stud.
  12. Lower the vehicle.
  13. Install the accessory drive belt. Refer to Drive Belt Replacement - Accessory in Engine Mechanical - 5.7L.
  14. Connect the negative battery cable. Refer to Battery Negative Cable Disconnection and Connection .