GM Service Manual Online
For 1990-2009 cars only
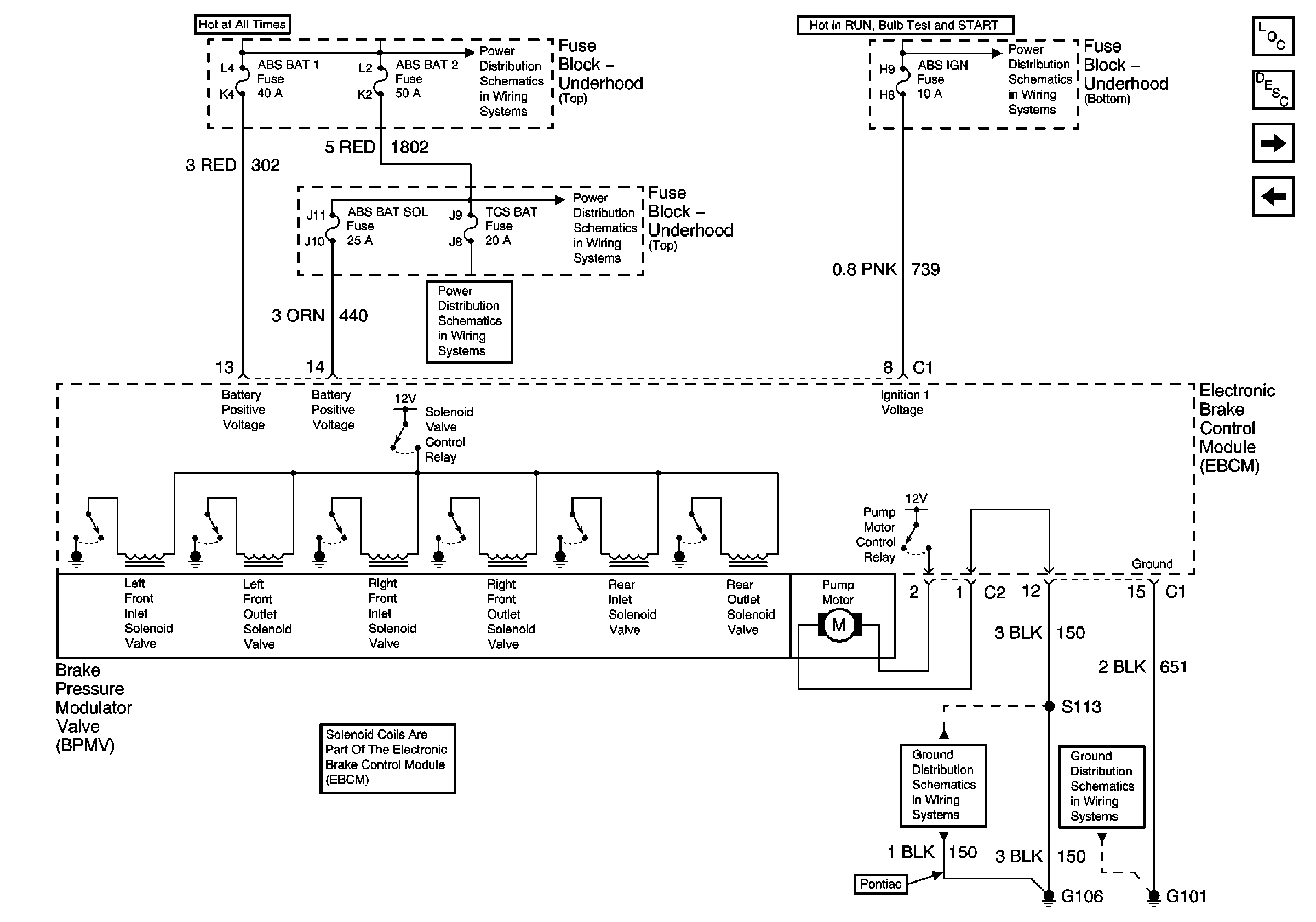
Figure 1:

Without Traction Control (1 of 3)


Object Number: 725087  Size: FS
Master Electrical Component List
ABS Description and Operation
Without Traction Control (2 of 3)
ABS BAT SOL, ABS BAT-2, HORN, H/L DOOR-HORN, LH HDLP DR, RH HDLP DR, and TCS BAT Fuses
ABS IGN, PCM IGN, and STRTR Fuses
ABS BAT SOL, ABS BAT-2, HORN, H/L DOOR-HORN, LH HDLP DR, RH HDLP DR, and TCS BAT Fuses
ABS BAT SOL, ABS BAT-2, HORN, H/L DOOR-HORN, LH HDLP DR, RH HDLP DR, and TCS BAT Fuses
G106
G100, G101, G102, G109, G111, G202
Figure 2:

Without Traction Control (2 of 3)


Object Number: 725089  Size: FS
Master Electrical Component List
ABS Description and Operation
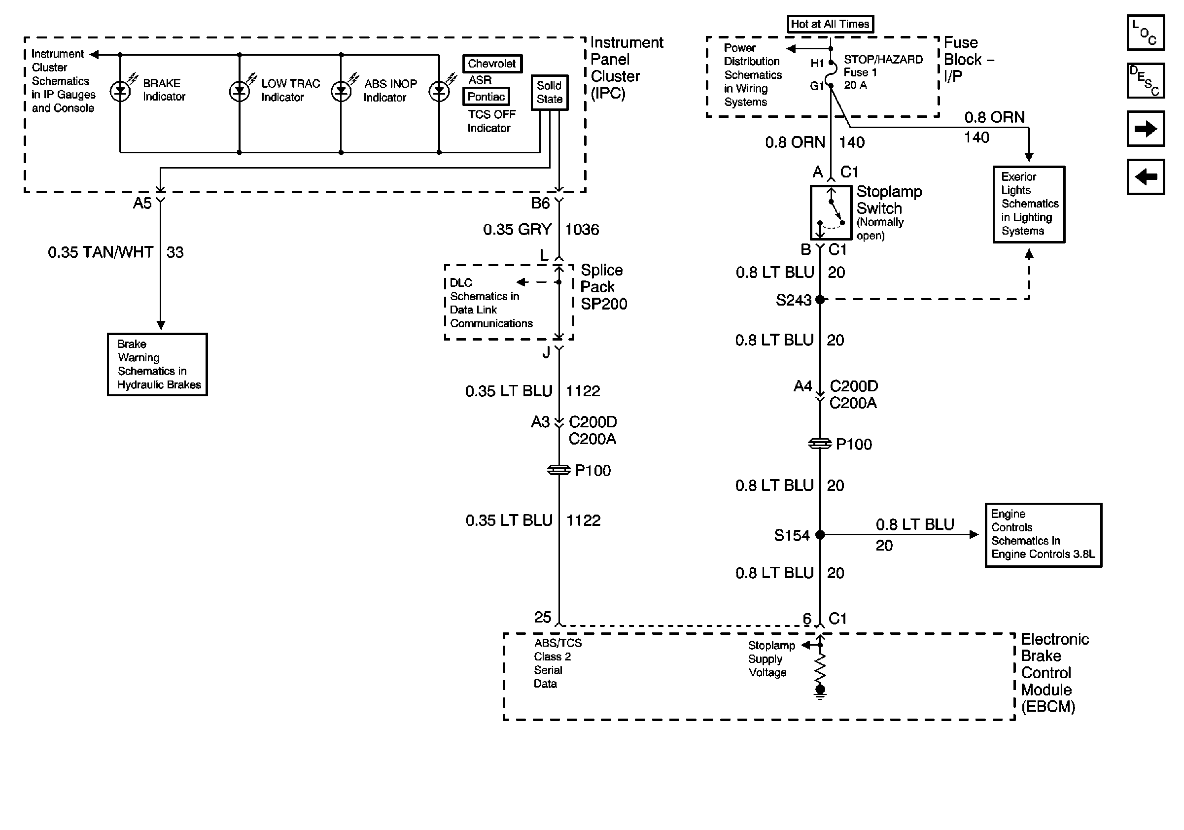
Without Traction Control (3 of 3)
Without Traction Control (1 of 3)
Instrument Cluster Class 2 Indicators
TAIL LPS and STOP/HAZARD Fuses
Brake Fluid Level Sensor, Instrument Cluster and Park Brake Switch
Class 2 Serial Data Line
Center High Mounted Stop Lamp
Cruise Control Module and Powertrain Control Module (5.7 LS1)
TAC Module, Brake Switch, Cruise
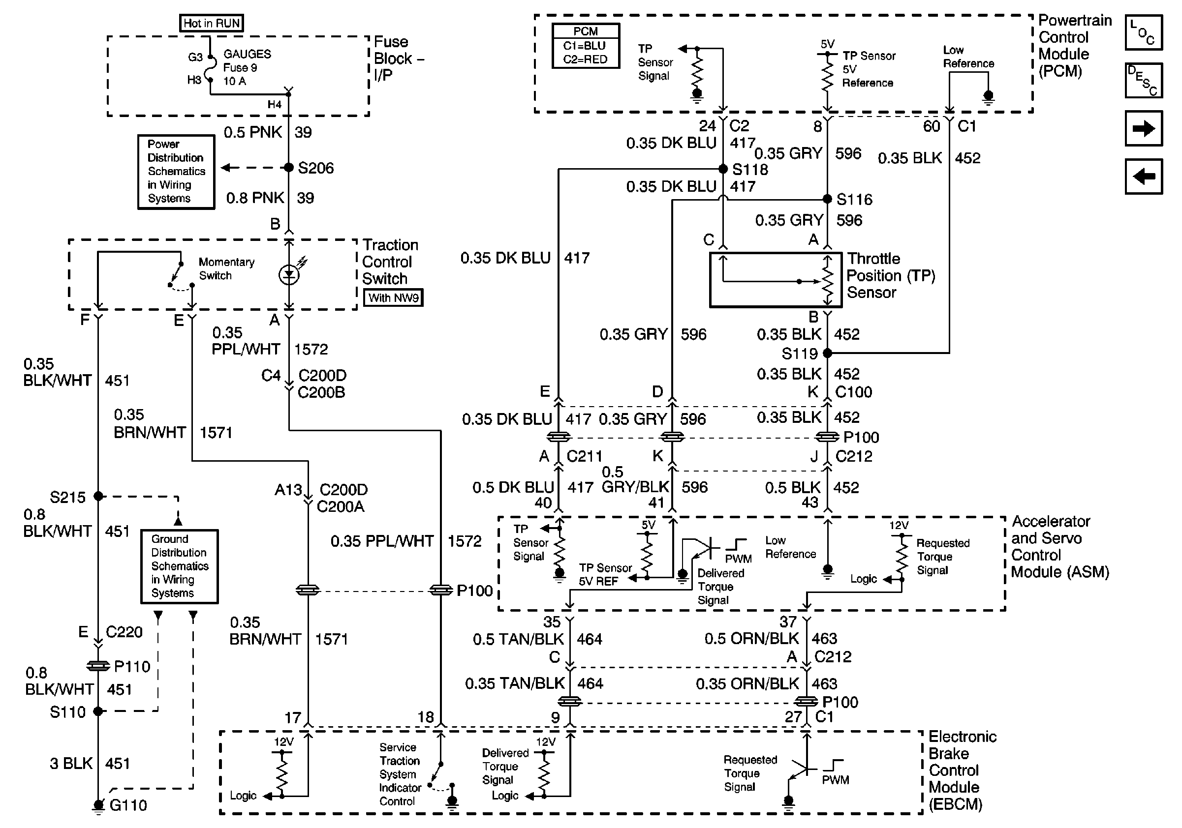
Figure 3:

Without Traction Control (3 of 3)


Object Number: 725092  Size: FS
Master Electrical Component List
ABS Description and Operation
3.8L With Traction Control (1 of 4)
Without Traction Control (2 of 3)
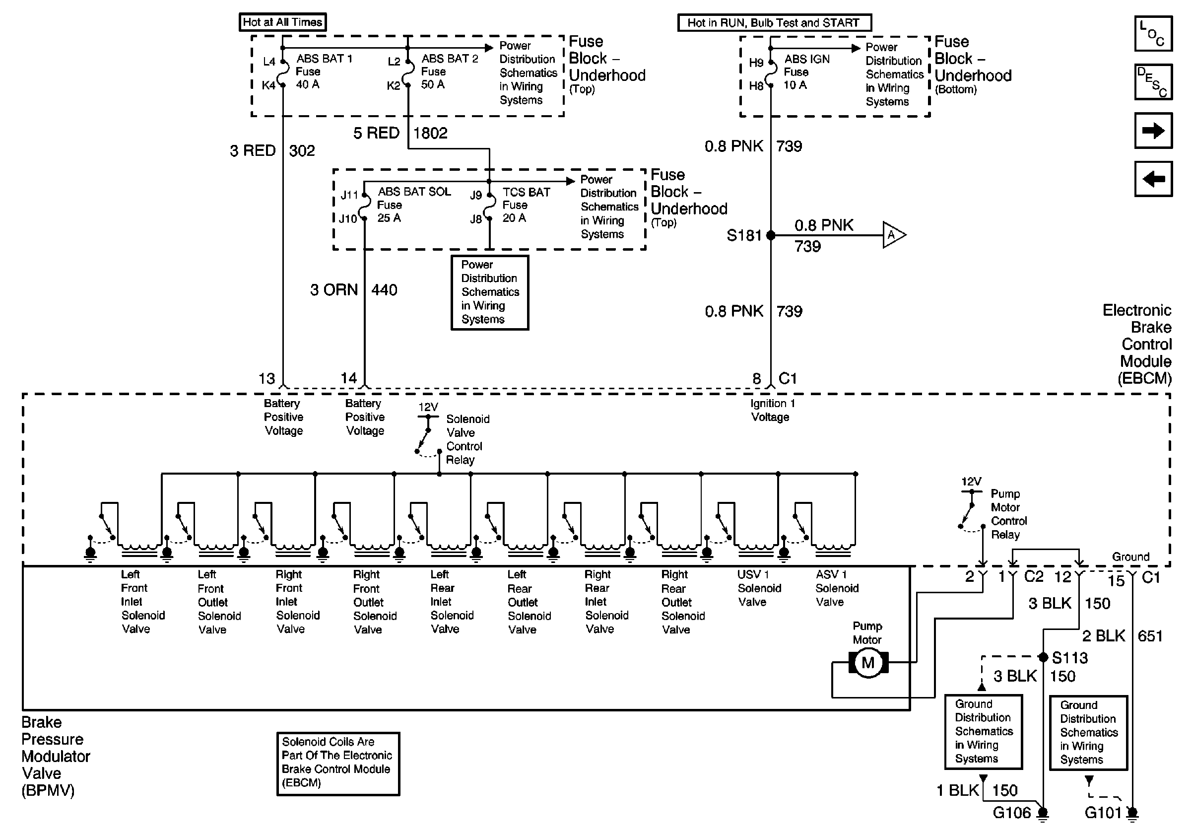
Figure 4:

3.8L With Traction Control (1 of 4)


Object Number: 725262  Size: FS
Master Electrical Component List
ABS Description and Operation
3.8L With Traction Control (2 of 4)
Without Traction Control (3 of 3)
ABS BAT SOL, ABS BAT-2, HORN, H/L DOOR-HORN, LH HDLP DR, RH HDLP DR, and TCS BAT Fuses
ABS IGN, PCM IGN, and STRTR Fuses
ABS BAT SOL, ABS BAT-2, HORN, H/L DOOR-HORN, LH HDLP DR, RH HDLP DR, and TCS BAT Fuses
ABS BAT SOL, ABS BAT-2, HORN, H/L DOOR-HORN, LH HDLP DR, RH HDLP DR, and TCS BAT Fuses
G106
G100, G101, G102, G109, G111, G202
Figure 5:

3.8L With Traction Control (2 of 4)


Object Number: 725268  Size: FS
Master Electrical Component List
ABS Description and Operation
3.8L With Traction Control (3 of 4)
3.8L With Traction Control (1 of 4)
Brake Fluid Level Sensor, Instrument Cluster and Park Brake Switch
Class 2 Serial Data Line
Center High Mounted Stop Lamp
TAC Module, Brake Switch, Cruise
Instrument Cluster Class 2 Indicators
Figure 6:

3.8L With Traction Control (3 of 4)


Object Number: 725269  Size: FS
Master Electrical Component List
ABS Description and Operation
3.8L With Traction Control (4 of 4)
3.8L With Traction Control (2 of 4)
AIR BAG and GAUGES Fuses
G110 V6 VIN K
Figure 7:

3.8L With Traction Control (4 of 4)


Object Number: 725270  Size: FS
Master Electrical Component List
ABS Description and Operation
5.7L With Traction Control (1 of 5)
3.8L With Traction Control (3 of 4)
Figure 8:

5.7L With Traction Control (1 of 5)


Object Number: 725279  Size: FS
Master Electrical Component List
ABS Description and Operation
5.7L With Traction Control (2 of 5)
3.8L With Traction Control (4 of 4)
ABS BAT SOL, ABS BAT-2, HORN, H/L DOOR-HORN, LH HDLP DR, RH HDLP DR, and TCS BAT Fuses
ABS IGN, PCM IGN, and STRTR Fuses
ABS BAT SOL, ABS BAT-2, HORN, H/L DOOR-HORN, LH HDLP DR, RH HDLP DR, and TCS BAT Fuses
ABS BAT SOL, ABS BAT-2, HORN, H/L DOOR-HORN, LH HDLP DR, RH HDLP DR, and TCS BAT Fuses
5.7L With Traction Control (3 of 5)
G106
G100, G101, G102, G109, G111, G202
Figure 9:

5.7L With Traction Control (2 of 5)


Object Number: 725282  Size: FS
Master Electrical Component List
ABS Description and Operation
5.7L With Traction Control (3 of 5)
5.7L With Traction Control (1 of 5)
Brake Fluid Level Sensor, Instrument Cluster and Park Brake Switch
Class 2 Serial Data Line
Center High Mounted Stop Lamp
Cruise Control Module and Powertrain Control Module (5.7 LS1)
Instrument Cluster Class 2 Indicators
TAIL LPS and STOP/HAZARD Fuses
Figure 10:

5.7L With Traction Control (3 of 5)


Object Number: 725284  Size: FS
Master Electrical Component List
ABS Description and Operation
5.7L With Traction Control (4 of 5)
5.7L With Traction Control (2 of 5)
ABS BAT SOL, ABS BAT-2, HORN, H/L DOOR-HORN, LH HDLP DR, RH HDLP DR, and TCS BAT Fuses
5.7L With Traction Control (1 of 5)
Figure 11:

5.7L With Traction Control (4 of 5)


Object Number: 725285  Size: FS
Master Electrical Component List
ABS Description and Operation
5.7L With Traction Control (3 of 5)
5.7L With Traction Control (5 of 5)
AIR BAG and GAUGES Fuses
G110 V8 VIN G
Figure 12:

5.7L With Traction Control (5 of 5)


Object Number: 725286  Size: FS
Master Electrical Component List
ABS Description and Operation
5.7L With Traction Control (4 of 5)