GM Service Manual Online
For 1990-2009 cars only
Figure 1:

Power and Ground


Object Number: 725393  Size: FS
Master Electrical Component List
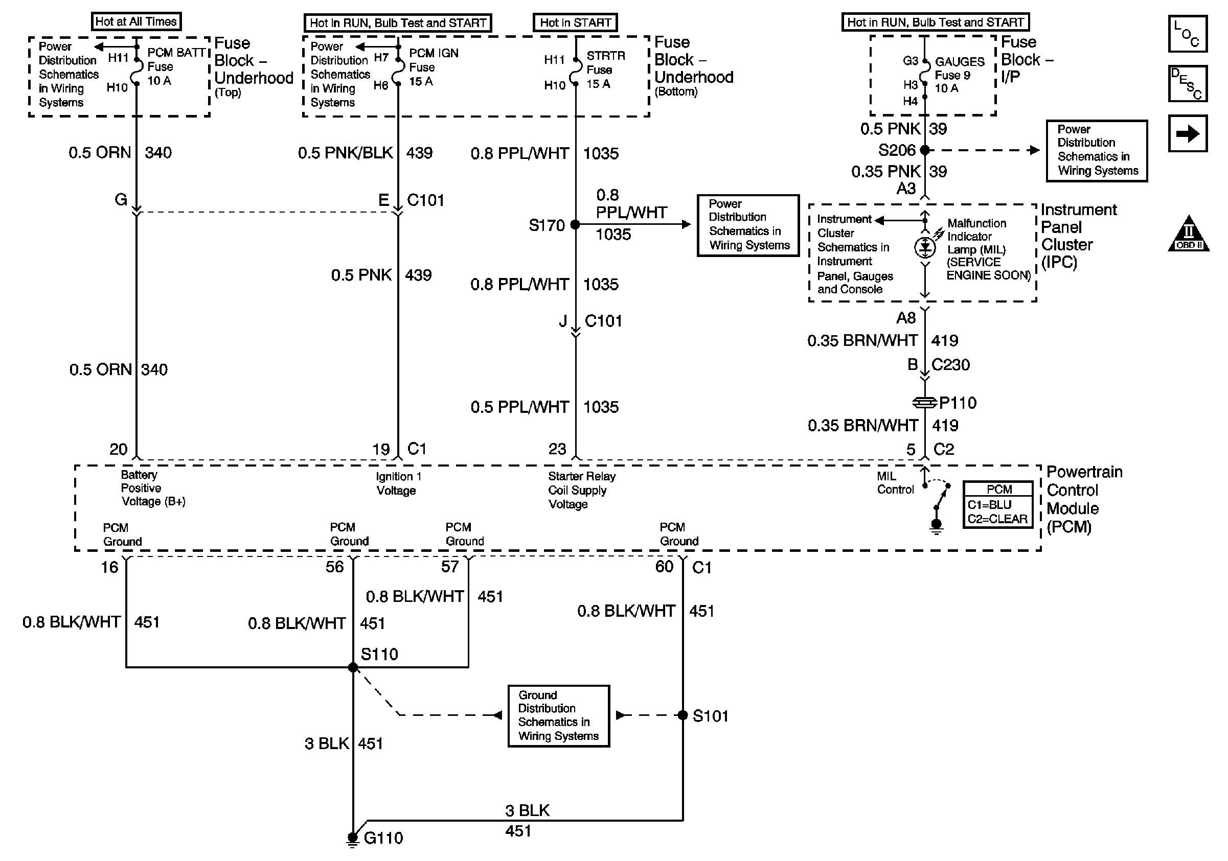
Powertrain Control Module Description
Ignition Relay
OBD II Symbol Description Notice
AIR BAG and GAUGES Fuses
Instrument Cluster Indicators
ABS IGN, PCM IGN, and STRTR Fuses
G110 V6 VIN K
ABS IGN, PCM IGN, and STRTR Fuses
AIR PUMP, FUEL PUMP and PCM BAT Fuses
Powertrain Control Module Connector End Views
Figure 2:

Ignition Relay


Object Number: 1869018  Size: FS
Master Electrical Component List
Powertrain Control Module Description
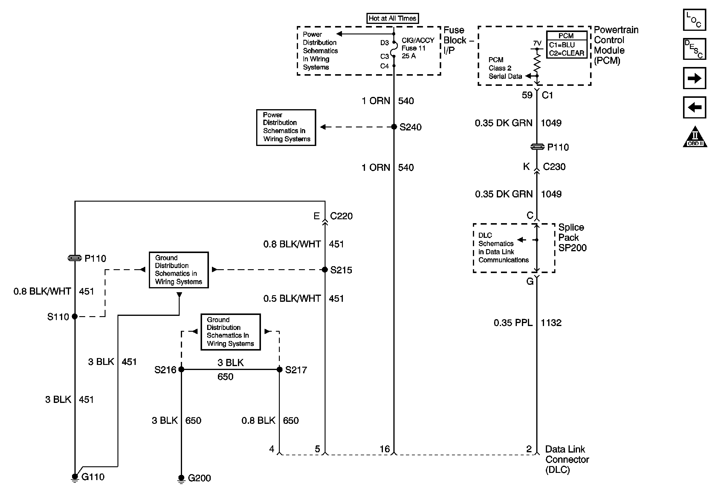
Class 2 Serial Data Line
Power and Ground
Fusible Links, CIG/ACCY, ENG CTRL, IGN, I/P-1, I/P-2, and PWR ACCY Fuses
Ignition Switch
Ignition Switch
Ignition Switch
G105
Figure 3:

Class 2 Serial Data Line


Object Number: 725395  Size: FS
Master Electrical Component List
Powertrain Control Module Description
Ignition Controls, Knock Sensors
Ignition Relay
OBD II Symbol Description Notice
Powertrain Control Module Connector End Views
Class 2 Serial Data Line
Fusible Links, CIG/ACCY, ENG CTRL, IGN, I/P-1, I/P-2, and PWR ACCY Fuses
Fusible Links, CIG/ACCY, ENG CTRL, IGN, I/P-1, I/P-2, and PWR ACCY Fuses
G110 V6 VIN K
G200 Splice S216
Figure 4:

Ignition Controls, Knock Sensors


Object Number: 725397  Size: FS
Master Electrical Component List
Electronic Ignition (EI) System Description
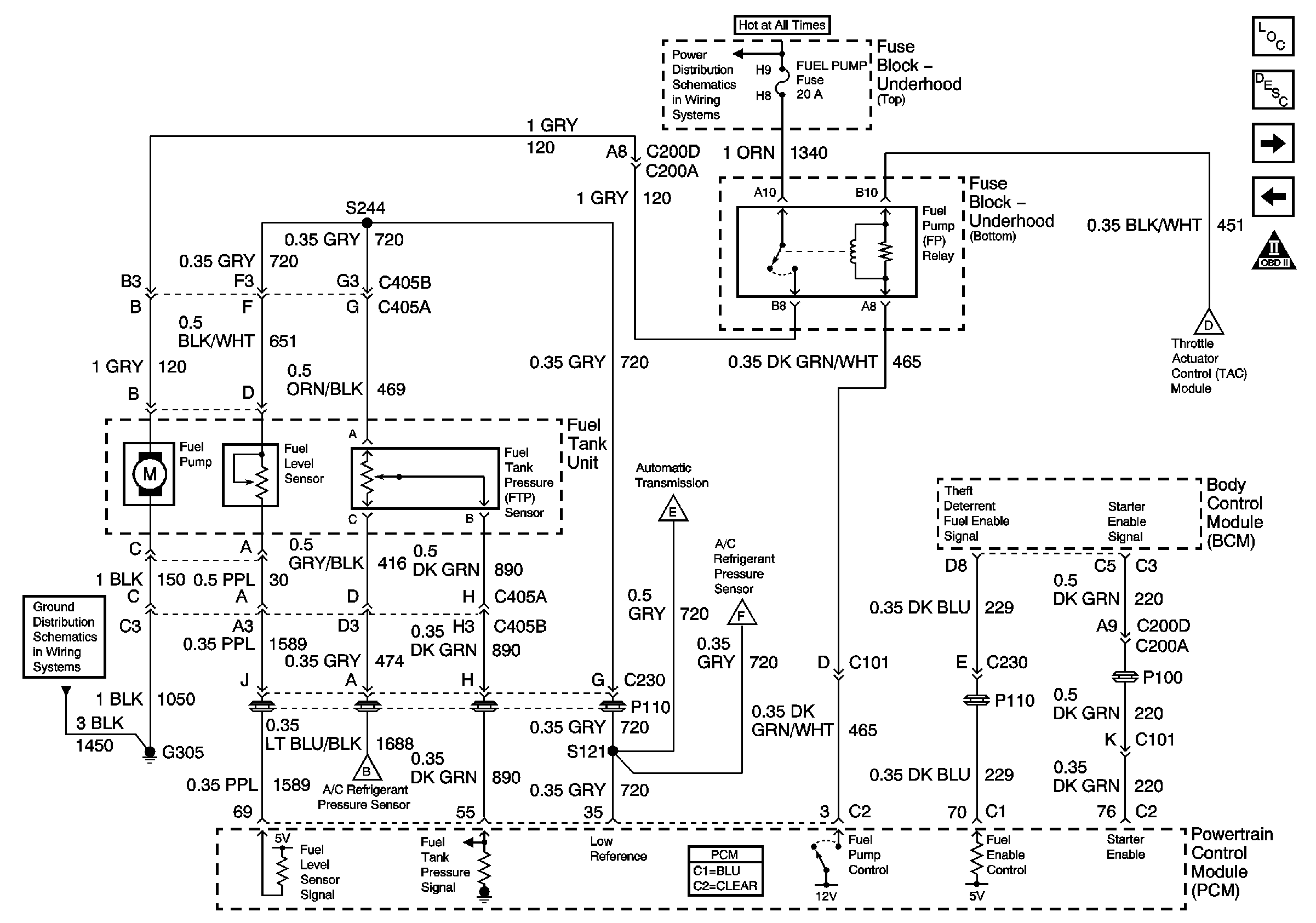
Fuel Pump Controls
Class 2 Serial Data Line
OBD II Symbol Description Notice
ENG CTRL Fuse
ENG CTRL Fuse
G112 V6 VIN K
Powertrain Control Module Connector End Views
Figure 5:

Fuel Pump Controls


Object Number: 725398  Size: FS
Master Electrical Component List
Fuel System Description
Fuel Injectors
Ignition Controls, Knock Sensors
OBD II Symbol Description Notice
TAC Module, TAC
A/C HVAC Control
Powertrain Control Module Connector End Views
Automatic Transmission, Park Neutral Position Switch
AIR PUMP, FUEL PUMP and PCM BAT Fuses
A/C HVAC Control
G305, G310, G320
Figure 6:

Fuel Injectors


Object Number: 725399  Size: FS
Master Electrical Component List
Fuel System Description
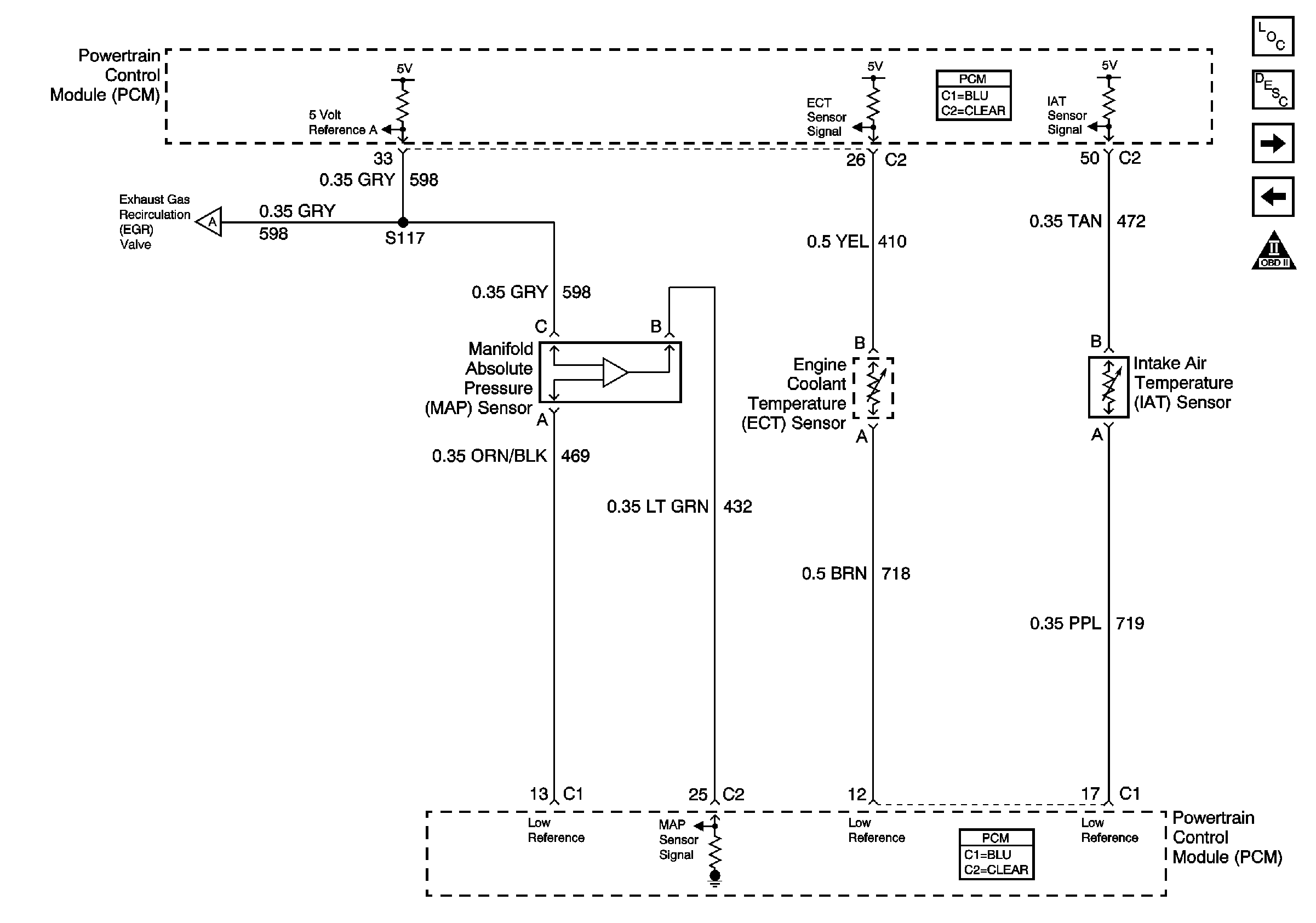
MAP, ECT, IAT Sensors
Fuel Pump Controls
OBD II Symbol Description Notice
Powertrain Control Module Connector End Views
INJ 1 Fuse
Figure 7:

MAP, ECT, IAT Sensors


Object Number: 725400  Size: FS
Master Electrical Component List
Air Intake System Description
Heated Oxygen Sensors
Fuel Injectors
OBD II Symbol Description Notice
Powertrain Control Module Connector End Views
Powertrain Control Module Connector End Views
MAF Sensor, EVAP System, EGR Valve
Figure 8:

Heated Oxygen Sensors


Object Number: 725421  Size: FS
Master Electrical Component List
Powertrain Control Module Description
MAF Sensor, EVAP System, EGR Valve
MAP, ECT, IAT Sensors
OBD II Symbol Description Notice
G112 V6 VIN K
Powertrain Control Module Connector End Views
ENG SEN Fuse
ENG SEN Fuse
Figure 9:

MAF Sensor, EVAP System, EGR Valve


Object Number: 725423  Size: FS
Master Electrical Component List
Exhaust Gas Recirculation (EGR) System Description
VSS, Cruise, Generator, Engine Oil Level
Heated Oxygen Sensors
OBD II Symbol Description Notice
Powertrain Control Module Connector End Views
Powertrain Control Module Connector End Views
MAP, ECT, IAT Sensors
ENG CTRL Fuse
ENG CTRL Fuse
ENG SEN Fuse
ENG SEN Fuse
G110 V6 VIN K
Figure 10:

VSS, Cruise, Generator, Engine Oil Level


Object Number: 725426  Size: FS
Master Electrical Component List
Powertrain Control Module Description
TAC Module, Brake Switch, Cruise
MAF Sensor, EVAP System, EGR Valve
OBD II Symbol Description Notice
G110 V6 VIN K
Powertrain Control Module Connector End Views
Powertrain Control Module Connector End Views
Figure 11:

TAC Module, Brake Switch, Cruise


Object Number: 725428  Size: FS
Master Electrical Component List
Throttle Actuator Control (TAC) System Description
TAC Module, TAC
VSS, Cruise, Generator, Engine Oil Level
OBD II Symbol Description Notice
Chevrolet: Center High Mounted Stop Lamp
ABS BAT SOL, ABS BAT-2, HORN, H/L DOOR-HORN, LH HDLP DR, RH HDLP DR, and TCS BAT Fuses
A/C CRUISE and ETC Fuses
A/C HVAC Control
Powertrain Control Module Connector End Views
Figure 12:

TAC Module, TAC


Object Number: 725432  Size: FS
Master Electrical Component List
Throttle Actuator Control (TAC) System Description
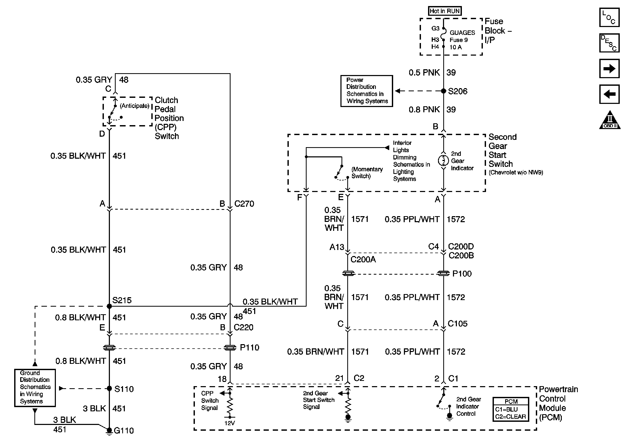
Second Gear Start, Cruise Control Switches
TAC Module, Brake Switch, Cruise
OBD II Symbol Description Notice
Fuel Pump Controls
G110 V6 VIN K
Figure 13:

Second Gear Start, Cruise Control Switches


Object Number: 725436  Size: FS
Master Electrical Component List
Powertrain Control Module Description
Automatic Transmission, Brake Switch
TAC Module, TAC
OBD II Symbol Description Notice
AIR BAG and GAUGES Fuses
G110 V6 VIN K
Powertrain Control Module Connector End Views
Figure 14:

Automatic Transmission, Brake Switch


Object Number: 725439  Size: FS
Master Electrical Component List
Powertrain Control Module Description
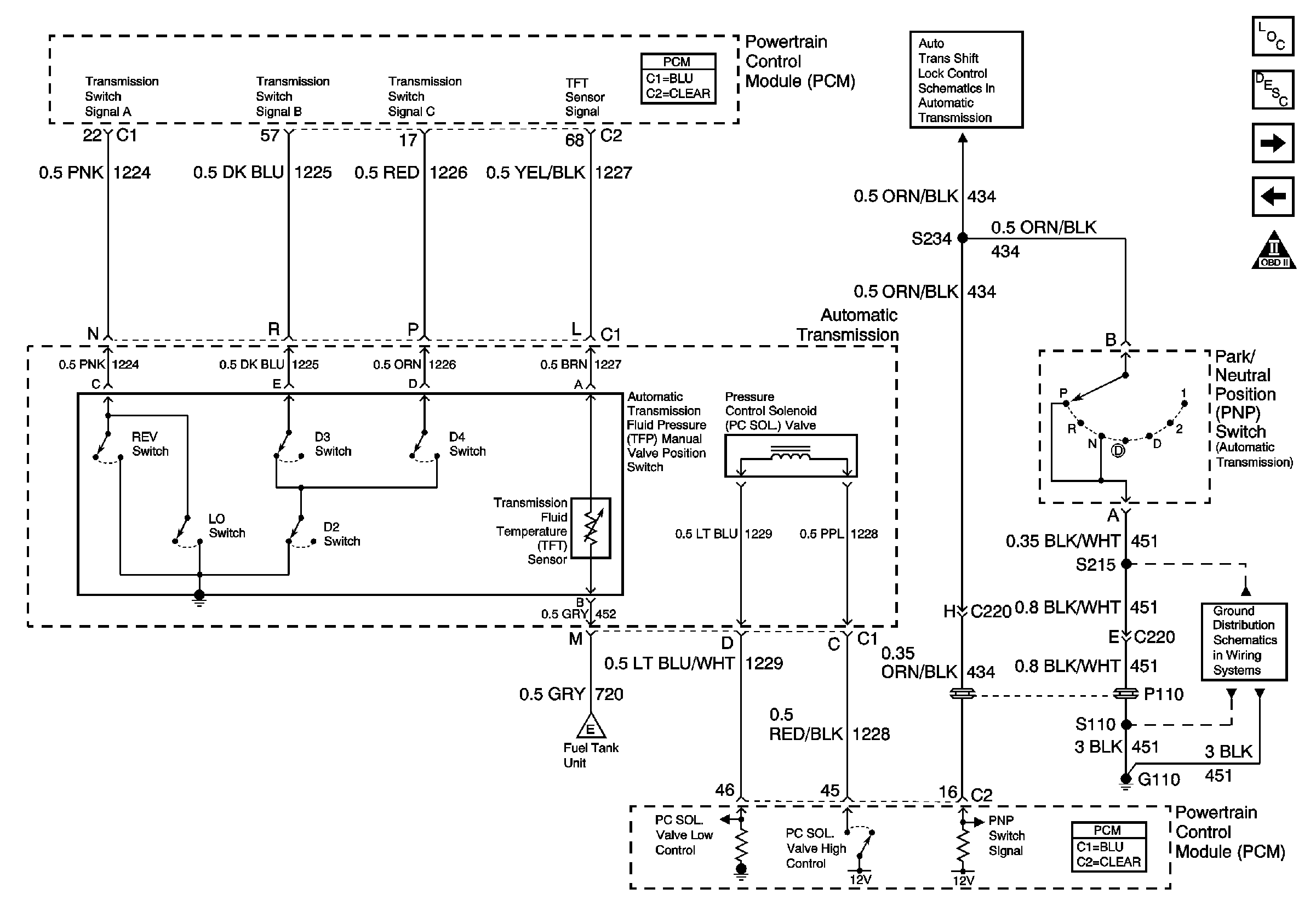
Automatic Transmission, Park Neutral Position Switch
Second Gear Start, Cruise Control Switches
OBD II Symbol Description Notice
ENG CTRL Fuse
Powertrain Control Module Connector End Views
ENG CTRL Fuse
ENG SEN Fuse
ENG SEN Fuse
Figure 15:

Automatic Transmission, Park Neutral Position Switch


Object Number: 725443  Size: FS
Master Electrical Component List
Powertrain Control Module Description
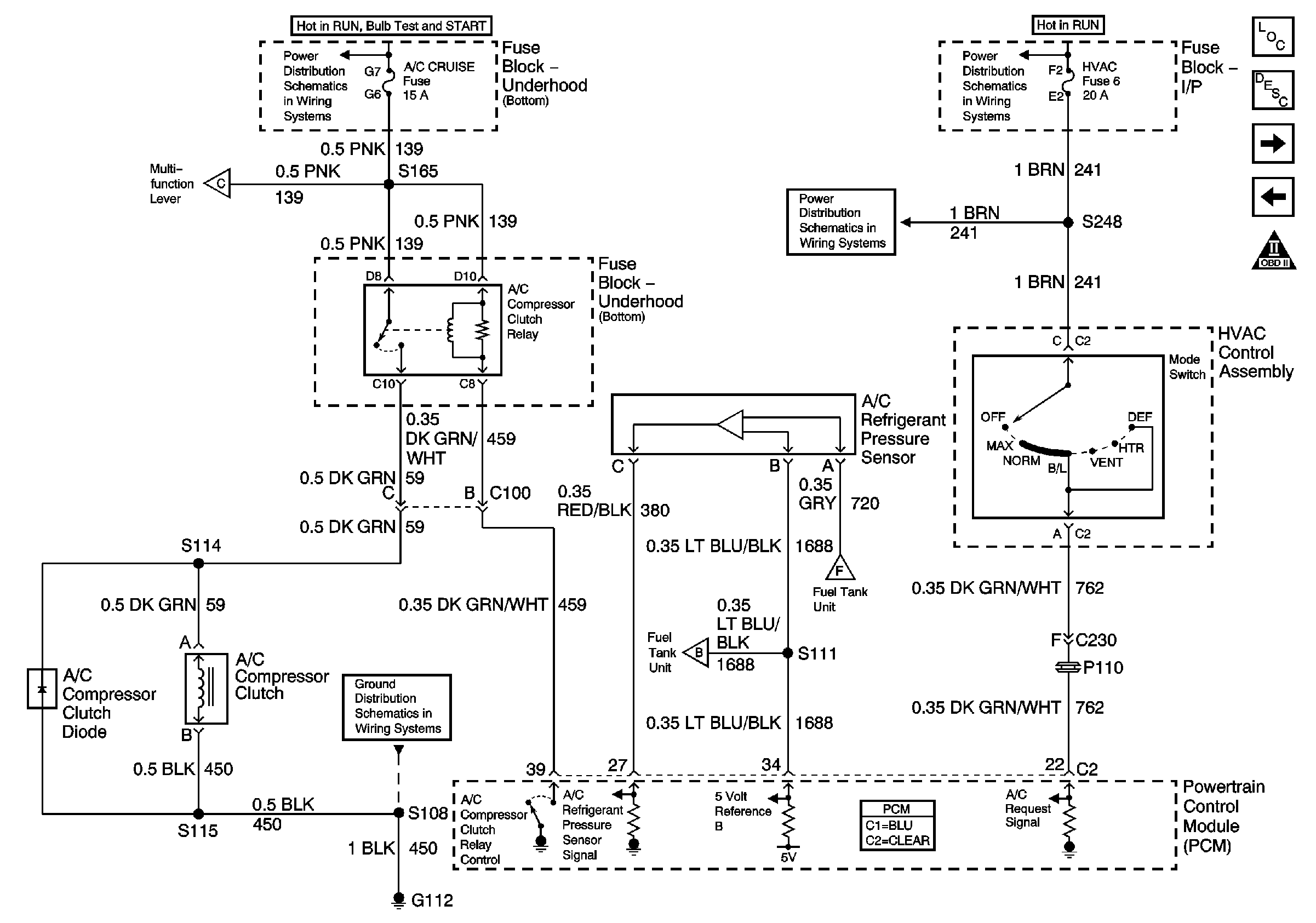
A/C HVAC Control
Automatic Transmission, Brake Switch
OBD II Symbol Description Notice
G110 V6 VIN K
Powertrain Control Module Connector End Views
AT Shift Lock Control Actuator Solenoid, and Diode
Powertrain Control Module Connector End Views
Fuel Pump Controls
Figure 16:

A/C HVAC Control


Object Number: 725479  Size: FS
Master Electrical Component List
Powertrain Control Module Description
Engine Cooling Fans
Automatic Transmission, Park Neutral Position Switch
OBD II Symbol Description Notice
HVAC and TURN B/U Fuses
HVAC and TURN B/U Fuses
Fuel Pump Controls
Fuel Pump Controls
G112 V6 VIN K
A/C CRUISE and ETC Fuses
TAC Module, Brake Switch, Cruise
Powertrain Control Module Connector End Views
Figure 17:

Engine Cooling Fans


Object Number: 725481  Size: FS
Master Electrical Component List
Cooling System Description and Operation
A/C HVAC Control
OBD II Symbol Description Notice
G106
Battery, ABS BAT-1 and COOL FAN Fuses
Powertrain Control Module Connector End Views