GM Service Manual Online
For 1990-2009 cars only

Intake Manifold Cleaning and Inspection F Car

Cleaning Procedure


    Object Number: 58838  Size: SH

    Important: Do not reuse the intake manifold-to-cylinder head sealing gaskets.

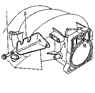
  1. Remove the Manifold Absolute Pressure (MAP) sensor from the rear of the intake. The MAP sensor is to be reinstalled upon completion of the cleaning and inspection procedures.
  2. Inspect the sealing grommet on the MAP sensor. The grommet should not be torn or damaged.

  3. Object Number: 222051  Size: SH
  4. Remove the throttle body and bolts.

  5. Object Number: 490580  Size: SH
  6. Remove the throttle body gasket (1).
  7. Discard the gasket.

  8. Object Number: 490573  Size: SH
  9. Remove the accelerator control cable bracket (2) and bolts (1), if required.

  10. Object Number: 222050  Size: SH
  11. Remove the fuel rail with injectors.
  12. Refer to Fuel Rail and Injectors Removal .


    Object Number: 490579  Size: SH
  13. Remove and discard the intake manifold-to-cylinder head gaskets (1).

  14. Object Number: 639607  Size: SH
  15. Clean the intake manifold in solvent.
  16. • Clean the intake manifold gasket grooves.
    • Clean the intake manifold vacuum passages at the rear of the intake.

    Caution: Wear safety glasses in order to avoid eye damage.

  17. Dry the intake manifold with compressed air.
  18. Upon installation of the intake manifold, install NEW manifold-to-cylinder head gaskets.

Inspection Procedure


    Object Number: 222051  Size: SH
  1. Inspect the throttle body bolt inserts for looseness or damaged threads.

  2. Object Number: 222050  Size: SH
  3. Inspect the fuel rail bolt inserts for looseness or damaged threads.
  4. Inspect the intake manifold vacuum passages for debris or restrictions.

  5. Object Number: 58838  Size: SH

    Important: The rear Manifold Absolute Pressure (MAP) sensor housing is retained to the intake manifold by push-in-place snap lock design.

    The rear MAP sensor housing is sealed at the intake manifold by an O-ring seal.

  6. Inspect the rear MAP sensor housing.
  7. • Inspect for damaged or broken vacuum fittings, damaged MAP sensor mounting bore, or broken MAP sensor retaining tab.
    • Inspect the rear MAP sensor housing for looseness or poor sealing to the intake manifold. Repair or replace the components as necessary.
  8. Inspect the composite intake manifold assembly for cracks or damage.
  9. Inspect the areas between the intake runners.

  10. Inspect all the gasket sealing surfaces and grooves for cracking or damage.

  11. Object Number: 222050  Size: SH
  12. Inspect the fuel injector bores for excessive scoring or damage.
  13. Inspect the intake manifold cylinder head deck for warpage.
  14. 8.1. Locate a straight edge across the intake manifold cylinder head deck surface.
    8.2. Insert a feeler gauge between the intake manifold and the straight edge.

    A intake manifold with warpage in excess of 0.5 mm (0.02 in), must be replaced.

  15. Upon completion of inspection, install the MAP sensor to the manifold.

Intake Manifold Cleaning and Inspection Y Car

Cleaning Procedure


    Object Number: 58838  Size: SH
  1. Remove the Manifold Absolute Pressure  (MAP) sensor from the rear of the intake manifold. The MAP sensor is to be reinstalled upon completion of the cleaning and inspection procedures.
  2. Inspect the sealing grommet on the MAP sensor. The grommet should not be torn or damaged.

  3. Object Number: 43567  Size: SH
  4. Remove the throttle body.

  5. Object Number: 490580  Size: SH
  6. Remove the throttle body gasket (1).
  7. Discard the gasket.

  8. Object Number: 222050  Size: SH
  9. Remove the fuel rail with injectors.

  10. Object Number: 490579  Size: SH
  11. Remove and discard the intake manifold-to-cylinder head gaskets (1).
  12. Clean the intake manifold in solvent.
  13. • Clean the intake manifold gasket grooves.
    • Clean the intake manifold vacuum passages at the rear of the intake.

    Caution: Wear safety glasses in order to avoid eye damage.

  14. Dry the intake manifold with compressed air.
  15. Upon installation of the intake manifold, install NEW manifold-to-cylinder head gaskets.

Inspection Procedure


    Object Number: 43567  Size: SH
  1. Inspect the throttle body bolt inserts for looseness or damaged threads.

  2. Object Number: 222050  Size: SH
  3. Inspect the fuel rail bolt inserts for looseness or damaged threads.
  4. Inspect the intake manifold vacuum passages for debris or restrictions.

  5. Object Number: 58838  Size: SH

    Important: The rear Manifold Absolute Pressure (MAP) sensor housing is retained to the intake manifold by push-in-place snap lock design.

    The rear MAP sensor housing is sealed at the intake manifold by an O-ring seal.

  6. Inspect the rear MAP sensor housing.
  7. • Inspect for damaged or broken vacuum fittings, damaged MAP sensor mounting bore, or broken MAP sensor retaining tab.
    • Inspect the rear MAP sensor housing for looseness or poor sealing to the intake manifold. Repair or replace the components as necessary.
  8. Inspect the composite intake manifold assembly for cracks or damage.
  9. Inspect the areas between the intake runners.

  10. Inspect all the gasket sealing surfaces and grooves for cracking or damage.

  11. Object Number: 222050  Size: SH
  12. Inspect the fuel injector bores for excessive scoring or damage.
  13. Inspect the intake manifold cylinder head deck for warpage.
  14. 8.1. Locate a straight edge across the intake manifold cylinder head deck surface.
    8.2. Insert a feeler gauge between the intake manifold and the straight edge.

    A intake manifold with warpage in excess of 0.5 mm (0.02 in), must be replaced.

  15. Upon completion of inspection, install the MAP sensor to the manifold.