GM Service Manual Online
For 1990-2009 cars only

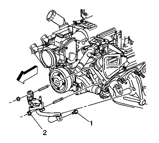
Removal Procedure


    Object Number: 577700  Size: SH
  1. Remove the ignition control module. Refer to Ignition Control Module Replacement in Engine Controls - 3.8L.
  2. Remove the exhaust gas recirculation (EGR) valve outlet pipe bolt from the upper intake manifold.
  3. Remove the EGR valve outlet pipe nut from the EGR valve adapter.
  4. Remove the EGR valve outlet pipe.

  5. Object Number: 221704  Size: SH
  6. Disconnect the EGR valve electrical connector.

  7. Object Number: 577696  Size: SH
  8. Remove the EGR valve adapter nuts (2).
  9. Remove the EGR valve adapter bolt (1).
  10. Remove the EGR valve adapter from the cylinder head studs.
  11. Remove the oil level indicator tube. Refer to Oil Level Indicator and Tube Replacement .

  12. Object Number: 577690  Size: SH
  13. Remove the engine lift bracket from the cylinder head studs.
  14. Remove the top ignition control module bracket bolt.
  15. Raise and suitably support the vehicle. Refer to Lifting and Jacking the Vehicle in General Information.
  16. Remove the rear ignition control module bracket bolts.
  17. Lower the vehicle.
  18. Remove the ignition control module bracket.

  19. Object Number: 37442  Size: SH
  20. Loosen the valve rocker arm cover bolts.
  21. Remove the valve rocker arm cover (1).
  22. Clean the following items:
  23. • Valve rocker arm cover
    • Cylinder head gasket surface
    • Valve rocker arm cover bolts

Installation Procedure


    Object Number: 37442  Size: SH
  1. Apply threadlock GM P/N 12345382, Canada P/N 10953489, or equivalent, to the valve rocker arm cover bolt threads.
  2. Install the valve rocker arm cover (1).
  3. Notice: Use the correct fastener in the correct location. Replacement fasteners must be the correct part number for that application. Fasteners requiring replacement or fasteners requiring the use of thread locking compound or sealant are identified in the service procedure. Do not use paints, lubricants, or corrosion inhibitors on fasteners or fastener joint surfaces unless specified. These coatings affect fastener torque and joint clamping force and may damage the fastener. Use the correct tightening sequence and specifications when installing fasteners in order to avoid damage to parts and systems.

  4. Tighten the valve rocker arm cover bolts.
  5. Tighten
    Tighten the valve rocker arm cover bolts to 10 N·m (89 lb in).

  6. Install the ignition control module bracket.
  7. Raise the vehicle.
  8. Install the rear ignition control module bracket bolts.
  9. Tighten
    Tighten the rear ignition control module bracket bolts to 50 N·m (37 lb ft).

  10. Lower the vehicle.
  11. Install the top ignition control module bracket bolt.
  12. Tighten
    Tighten the top ignition control module bracket bolt to 50 N·m (37 lb ft).


    Object Number: 577690  Size: SH
  13. Install the engine lift bracket to the cylinder head studs.
  14. Tighten
    Tighten the engine lift bracket to the cylinder head studs to 30 N·m (22 lb ft).

  15. Install the oil level indicator tube. Refer to Oil Level Indicator and Tube Replacement .

  16. Object Number: 577696  Size: SH
  17. Install the EGR valve adapter to the cylinder head studs.
  18. Install the EGR valve adapter bolt (1).
  19. Install the EGR valve adapter nuts (2).
  20. Tighten

        • Tighten the EGR valve adapter nuts (2) to 50 N·m (37 lb ft).
        • Tighten the EGR valve adapter bolt (1) to 25 N·m (18 lb ft).

    Object Number: 221704  Size: SH
  21. Connect the EGR valve electrical connector.

  22. Object Number: 577700  Size: SH
  23. Install the EGR valve outlet pipe.
  24. Install the EGR valve outlet pipe nut to the EGR valve adapter.
  25. Install the EGR valve outlet pipe bolt to the upper intake manifold.
  26. Tighten

        • Tighten the EGR valve outlet pipe nut to 29 N·m (21 lb ft).
        • Tighten the EGR valve outlet pipe bolt to 29 N·m (21 lb ft).
  27. Install the ignition control module. Refer to Ignition Control Module Replacement in Engine Controls - 3.8L.