GM Service Manual Online
For 1990-2009 cars only

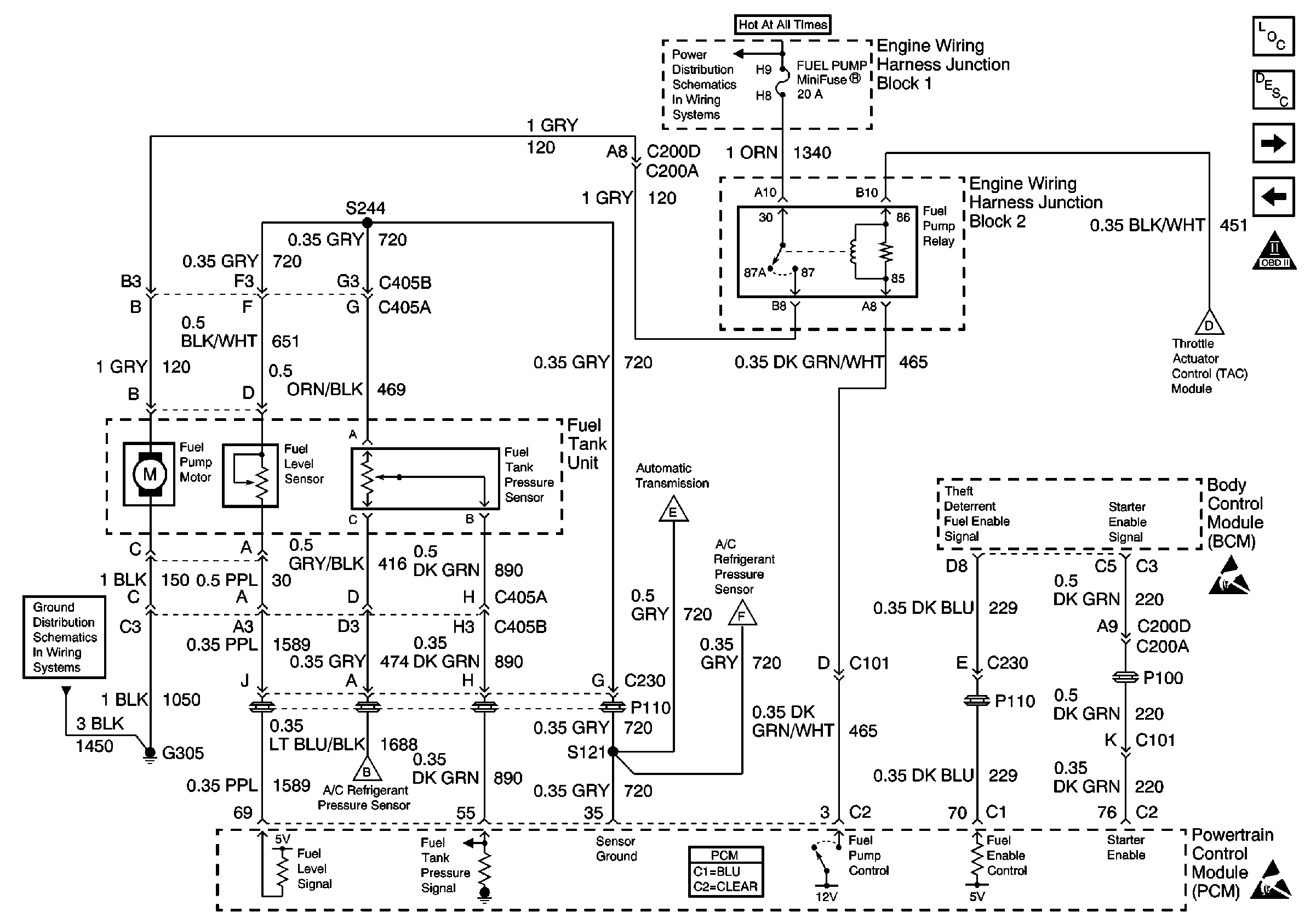
Circuit Description

When the ignition is turned ON, the powertrain control module (PCM) will turn ON the in-tank fuel pump. The in-tank fuel pump will remain ON as long as the engine is cranking or running and the PCM is receiving reference pulses. If there are no reference pulses, the PCM will turn the in-tank fuel pump OFF 2 seconds after the ignition is turned  ON or 2 seconds after the engine stops running.

Diagnostic Aids

The following conditions may have caused the fuel pump fuse to open:

    • The fuse is faulty.
    • There is an intermittent short in the fuel pump power feed circuit.
    • The fuel pump has an intermittent internal problem.

For an intermittent condition, refer to Intermittent Conditions .

Test Description

The numbers below refer to the step numbers on the diagnostic table.

  1. Command both the ON and OFF states. Repeat the commands as necessary.

  2. This step determines if the condition is located on the coil side or the switch side of the circuit.

  3. This step verifies that the PCM is providing voltage to the fuel pump relay.

  4. This step tests for an open in the ground circuit to the fuel pump relay.

  5. This step determines if a voltage is constantly being applied to the fuel pump relay.

  6. To gain access to the fuel pump connector, the fuel tank may need to be removed.

  7. This step determines if the condition with the circuit is intermittent. If the fuse does not open, inspect the supply voltage circuit between the fuse and the fuel pump for an intermittent condition.

  8. Use the same amperage fuse in the jumper as is used to protect the fuel pump circuit.

  9. To gain access to the fuel pump connector, the fuel tank may need to be removed.

  10. Inspect the ground connection for the fuel pump. Be certain all ground connections are clean and tight.

Fuel Pump Electrical Diagnosis

Step

Action

Yes

No

Schematic Reference:

Fuel Pump Controls


Object Number: 499306  Size: FS
Engine Controls Components
Fuel Injectors
Ignition Controls, Knock Sensors
OBD II Symbol Description Notice
TAC Module, TAC
Handling ESD Sensitive Parts Notice
Handling ESD Sensitive Parts Notice
A/C HVAC Control
Powertrain Control Module Connector End Views
Automatic Transmission, Park Neutral Position Switch
AIR PUMP, FUEL PUMP and PCM BAT Fuses
A/C HVAC Control
G305, G310, G320
Fuel Metering System Component Description

1

Did you perform the Diagnostic System Check-Engine Controls?

Go to Step 2

Go to Diagnostic System Check - Engine Controls

2

  1. Install a scan tool.
  2. Turn ON the ignition, with the engine OFF.
  3. With a scan tool, command the fuel pump relay ON and OFF.

Does the fuel pump turn ON and OFF?

Go to Diagnostic Aids

Go to Step 3

3

With a scan tool, command the fuel pump relay ON and OFF.

Do you hear a click when you command the fuel pump relay ON and OFF?

Go to Step 9

Go to Step 4

4

  1. Turn OFF the ignition.
  2. Disconnect the fuel pump relay.
  3. Turn ON the ignition, with the engine OFF.
  4. Probe the control circuit of the fuel pump relay with a test lamp that is connected to a good ground.
  5. With a scan tool, command the fuel pump relay ON and OFF.

Does the test lamp turn ON and OFF?

Go to Step 5

Go to Step 6

5

  1. Connect a test lamp between the control circuit of the fuel pump relay and the ground circuit of the fuel pump relay.
  2. With a scan tool, command the fuel pump relay ON and OFF.

Does the test lamp turn ON and OFF?

Go to Step 19

Go to Step 22

6

Does the test lamp remain illuminated with each command?

Go to Step 7

Go to Step 8

7

Test the control circuit of the fuel pump relay for a short to voltage. Refer to Circuit Testing and Wiring Repairs in Wiring Systems.

Did you find and correct the condition?

Go to Step 27

Go to Step 26

8

Test the control circuit of the fuel pump relay for a short to ground or an open. Refer to Circuit Testing and Wiring Repairs in Wiring Systems.

Did you find and correct the condition?

Go to Step 27

Go to Step 20

9

Turn ON the ignition, with the engine OFF.

Does the fuel pump operate continuously?

Go to Step 10

Go to Step 11

10

  1. Turn OFF the ignition.
  2. Disconnect the fuel pump relay.
  3. Turn ON the ignition, with the engine OFF.

Does the fuel pump operate continuously?

Go to Step 21

Go to Step 25

11

Is the fuel pump fuse open?

Go to Step 12

Go to Step 14

12

  1. Test the supply voltage circuit of the fuel pump for a grounded circuit between the fuel pump fuse and the fuel pump. Refer to Circuit Testing and Wiring Repairs in Wiring Systems.
  2. Replace the fuel pump fuse if necessary.

Did you find and correct the condition?

Go to Step 27

Go to Step 13

13

  1. Install all disconnected electrical components.
  2. Install a new fuel pump fuse.
  3. With a scan tool, turn ON the fuel pump.

Is the fuel pump fuse open?

Go to Step 24

Go to Intermittent Conditions

14

  1. Turn OFF the ignition.
  2. Disconnect the fuel pump relay.
  3. Turn ON the ignition, with the engine OFF.
  4. Probe the battery voltage circuit of the fuel pump relay switch with a test lamp that is connected to a good ground.

Does the test lamp illuminate?

Go to Step 15

Go to Step 23

15

Connect a 20-amp fused jumper wire between the battery voltage circuit of the fuel pump relay switch and the supply voltage circuit of the fuel pump.

Does the fuel pump operate?

Go to Step 19

Go to Step 16

16

Test the supply voltage circuit of the fuel pump for an open or high resistance between the fuel pump relay and the fuel pump. Refer to Circuit Testing and Wiring Repairs in Wiring Systems.

Did you find and correct the condition?

Go to Step 27

Go to Step 17

17

Important: Inspect the ground circuit for being tight, corrosion on terminals, or damage to the wiring harness.

Test the ground circuit of the fuel pump for an open or high resistance. Refer to Circuit Testing and Wiring Repairs in Wiring Systems.

Did you find and correct the condition?

Go to Step 27

Go to Step 18

18

Inspect for poor connections at the fuel pump. Refer to Testing for Intermittent Conditions and Poor Connections and Connector Repairs in Wiring Systems.

Did you find and correct the condition?

Go to Step 27

Go to Step 24

19

Inspect for poor connections at the fuel pump relay. Refer to Testing for Intermittent Conditions and Poor Connections and Connector Repairs in Wiring Systems.

Did you find and correct the condition?

Go to Step 27

Go to Step 25

20

Inspect for poor connections at the harness connector of the PCM. Refer to Testing for Intermittent Conditions and Poor Connections and Connector Repairs in Wiring Systems.

Did you find and correct the condition?

Go to Step 27

Go to Step 26

21

Repair the supply voltage circuit of the fuel pump for a short to voltage. Refer to Wiring Repairs in Wiring Systems.

Did you complete the repair?

Go to Step 27

--

22

Repair the open fuel pump relay ground circuit. Refer to Wiring Repairs in Wiring Systems.

Did you complete the repair?

Go to Step 27

--

23

Repair the battery voltage circuit of the fuel pump relay switch. Refer to Wiring Repairs in Wiring Systems.

Did you complete the repair?

Go to Step 27

--

24

Important: Inspect for poor connections at the fuel pump, within the fuel tank, before replacing the fuel pump.

  1. Replace the fuel pump. Refer to Fuel Sender Assembly Replacement .
  2. Replace the fuel pump fuse if necessary.

Did you complete the replacement?

Go to Step 27

--

25

Replace the fuel pump relay.

Did you complete the replacement?

Go to Step 27

--

26

Replace the PCM. Refer to Powertrain Control Module Replacement .

Did you complete the replacement?

Go to Step 27

--

27

Operate the system in order to verify the repair.

Did you correct the condition?

System OK

Go to Step 2