GM Service Manual Online
For 1990-2009 cars only

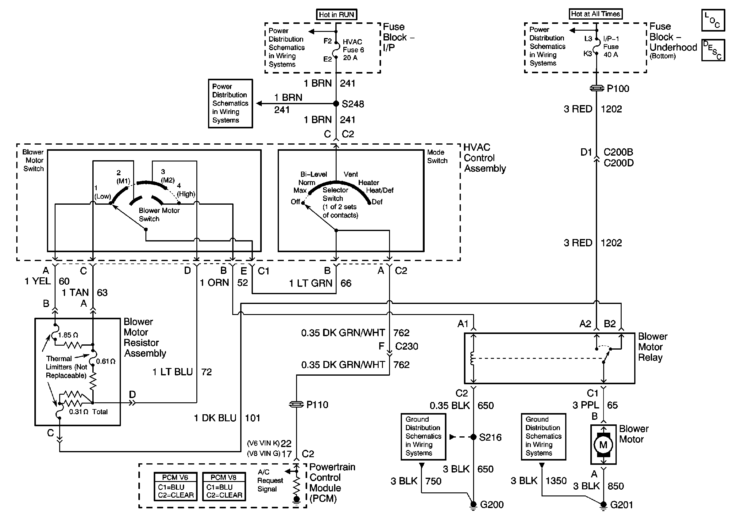
HVAC Schematics Blower Controls

HVAC Control, Blower Resistor, Blower Motor Relay


Object Number: 725074  Size: FS
Master Electrical Component List
Air Delivery Description and Operation
G201
G200 Splice S216
HVAC and TURN B/U Fuses
HVAC and TURN B/U Fuses
Fusible Links, CIG/ACCY, ENG CTRL, IGN, I/P-1, I/P-2, and PWR ACCY Fuses
Powertrain Control Module Connector End Views
Powertrain Control Module Connector End Views

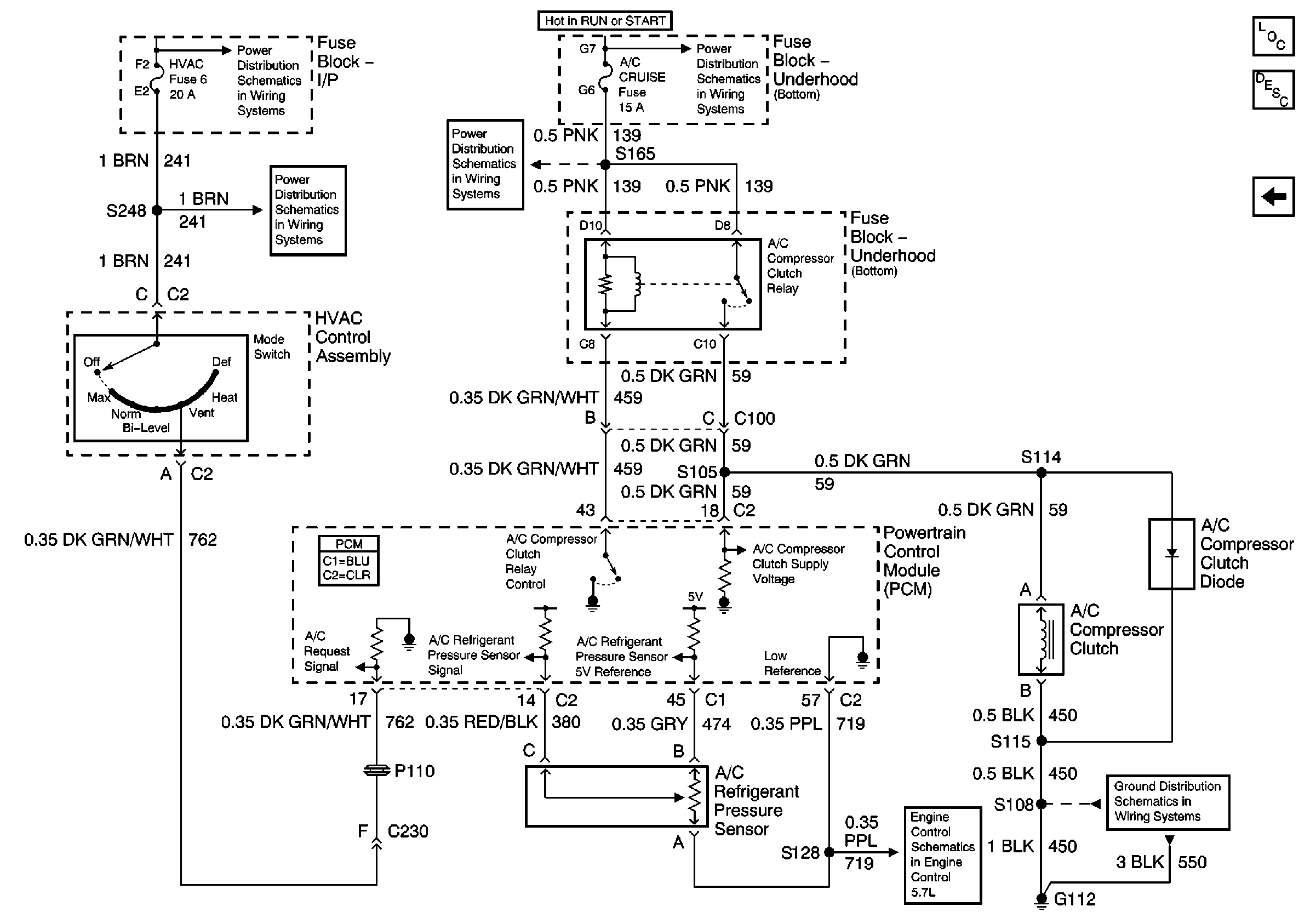
HVAC Schematics Compressor Controls

Figure 1:

V6 VIN K


Object Number: 725075  Size: FS
A/C CRUISE and ETC Fuses
Air Temperature Description and Operation
A/C CRUISE and ETC Fuses
HVAC and TURN B/U Fuses
HVAC and TURN B/U Fuses
Master Electrical Component List
V8 VIN G
A/C HVAC Control
A/C HVAC Control
G112 V6 VIN K
Powertrain Control Module Connector End Views
Figure 2:

V8 VIN G


Object Number: 725076  Size: FS
Master Electrical Component List
Air Temperature Description and Operation
V6 VIN K
A/C CRUISE and ETC Fuses
A/C CRUISE and ETC Fuses
HVAC and TURN B/U Fuses
HVAC and TURN B/U Fuses
A/C Compressor Control
G112 V8 VIN G
Powertrain Control Module Connector End Views

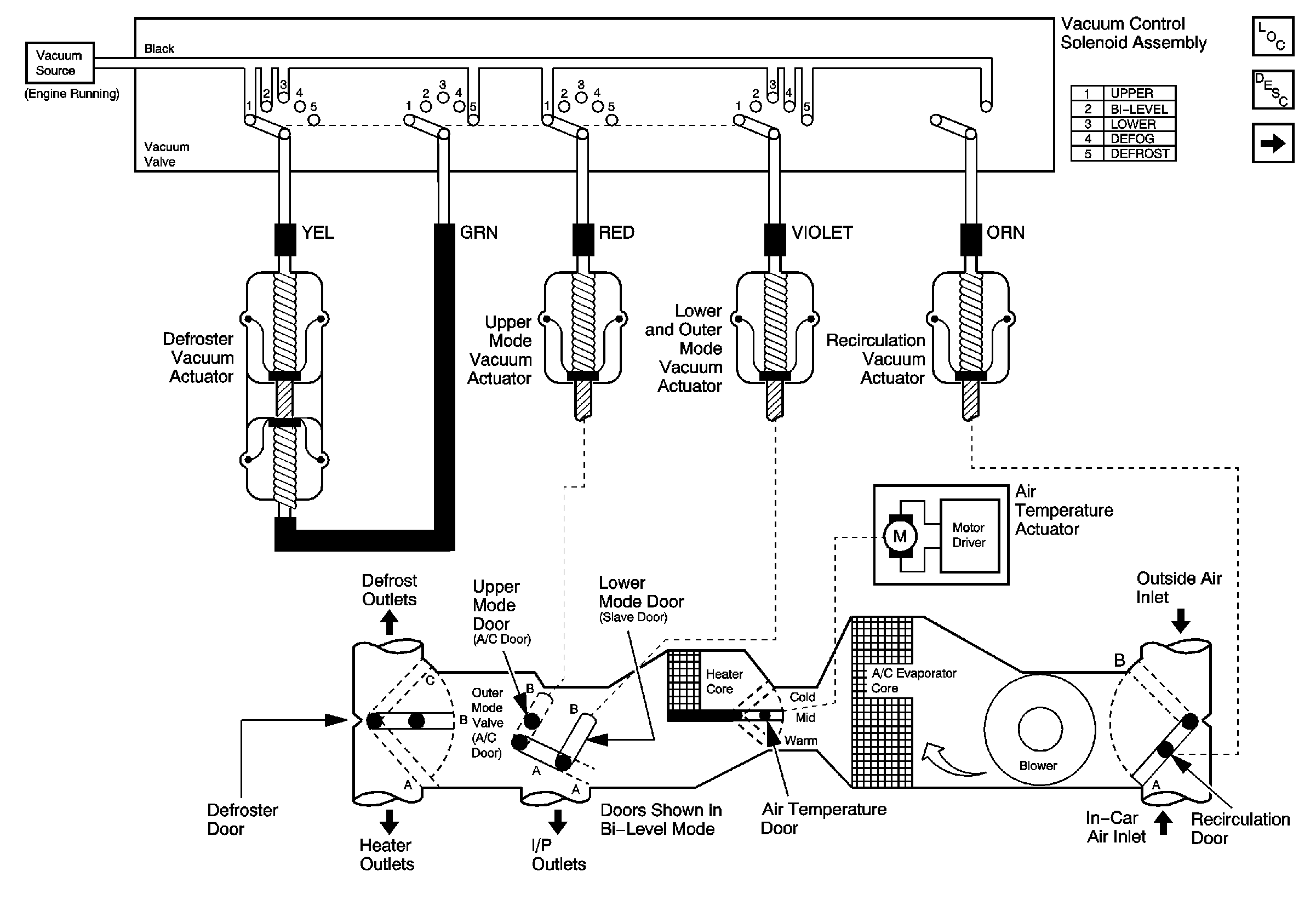
HVAC Schematics Vacuum Diagram

HVAC Vacuum Diagram


Object Number: 739800  Size: FS