GM Service Manual Online
For 1990-2009 cars only
Makes
🢒
Pontiac
🢒
2001
🢒
Firebird
🢒
Body and Accessories
🢒
Doors
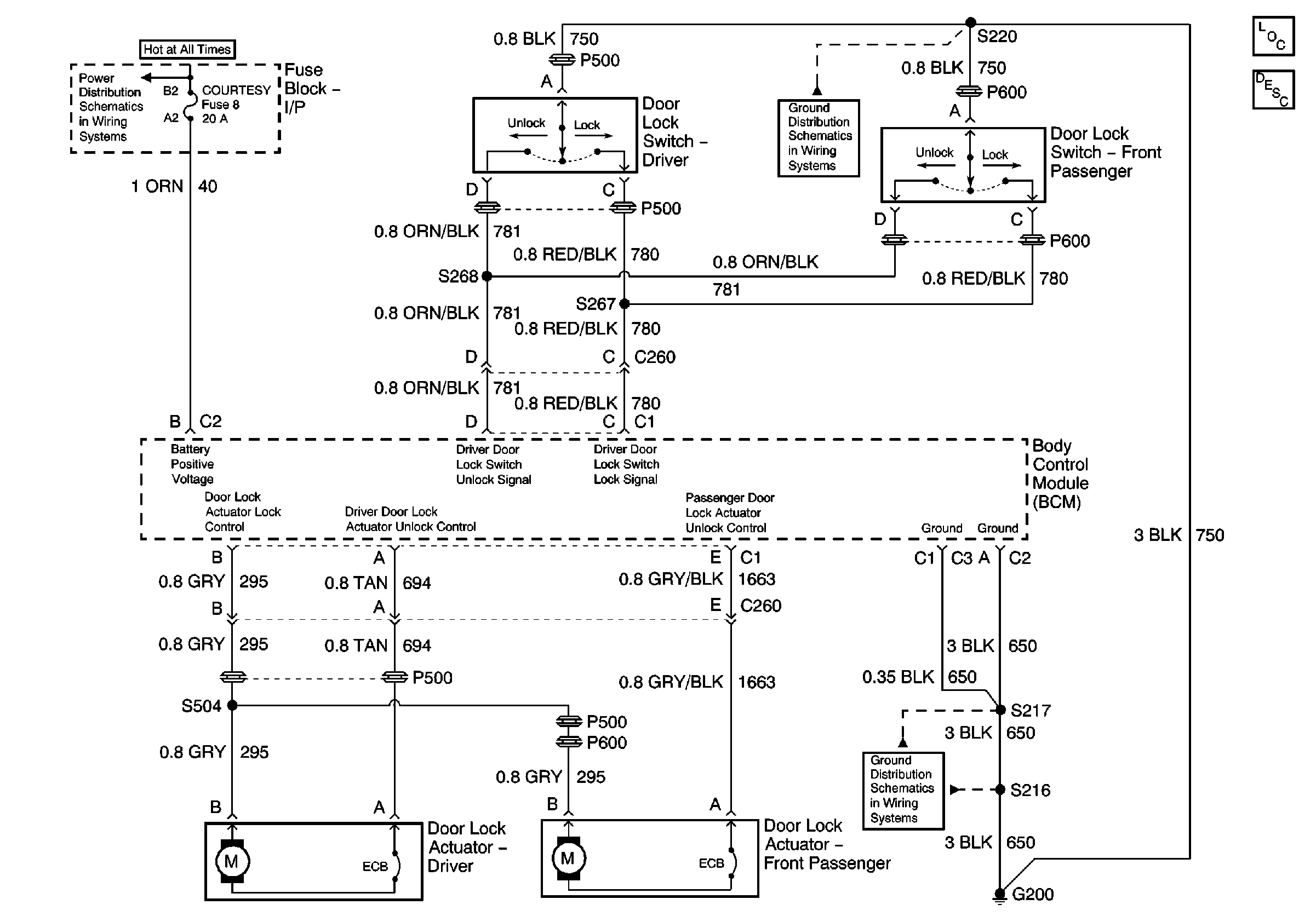
🢒 Door Lock/Indicator Schematics
Body Control Module and Door Lock Switches
Master Electrical Component List
Power Door Locks Description and Operation
COURTESY and RADIO ACCY Fuses
G200 Splice S220
G200 Splice S216