GM Service Manual Online
For 1990-2009 cars only
Makes
🢒
Pontiac
🢒
2001
🢒
Firebird
🢒
Body and Accessories
🢒
Wiring Systems
🢒 Engine Cooling Schematics
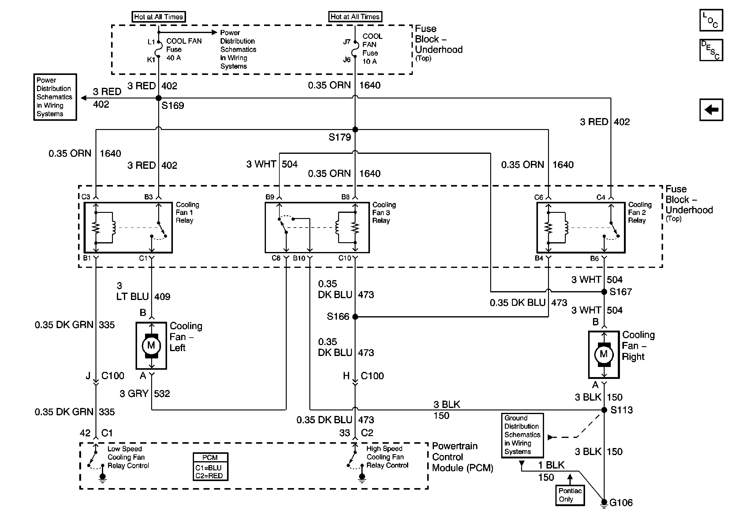
Figure
1:
V6 VIN K
Master Electrical Component List
Cooling System Description and Operation
V8 VIN G
Battery, ABS BAT-1 and COOL FAN Fuses
Battery, ABS BAT-1 and COOL FAN Fuses
Powertrain Control Module Connector End Views
G106
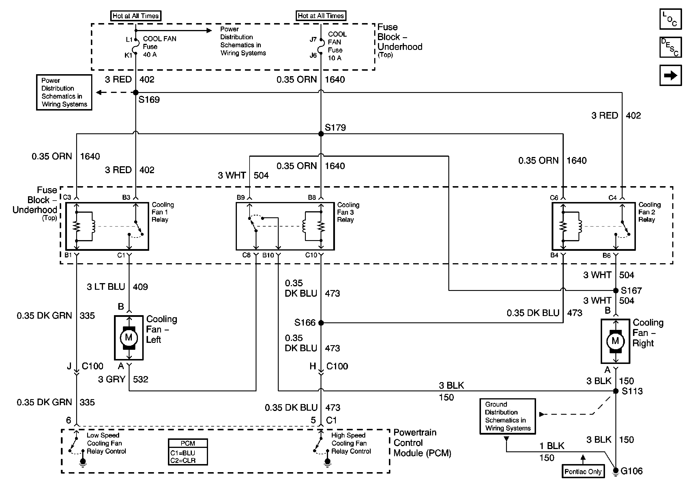
Figure
2:
V8 VIN G
Master Electrical Component List
Cooling System Description and Operation
V6 VIN K
Battery, ABS BAT-1 and COOL FAN Fuses
Battery, ABS BAT-1 and COOL FAN Fuses
Powertrain Control Module Connector End Views
G106