GM Service Manual Online
For 1990-2009 cars only
Makes
🢒
Pontiac
🢒
2001
🢒
Firebird
🢒
Body and Accessories
🢒
Wiring Systems
🢒 Interior Lights Schematics
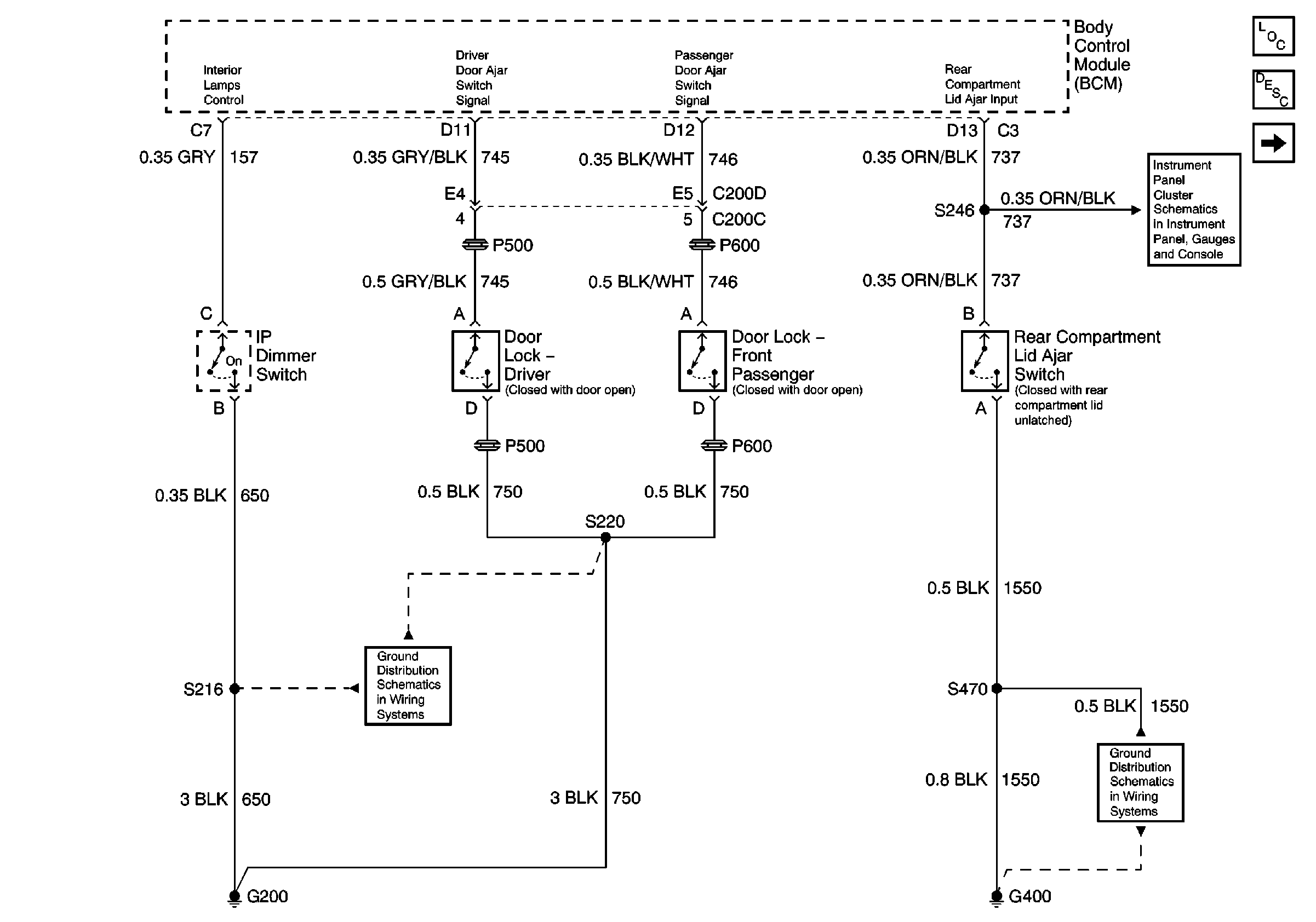
Figure
1:
Body Control Module and Switch Inputs
Master Electrical Component List
Interior Lighting Systems Description and Operation
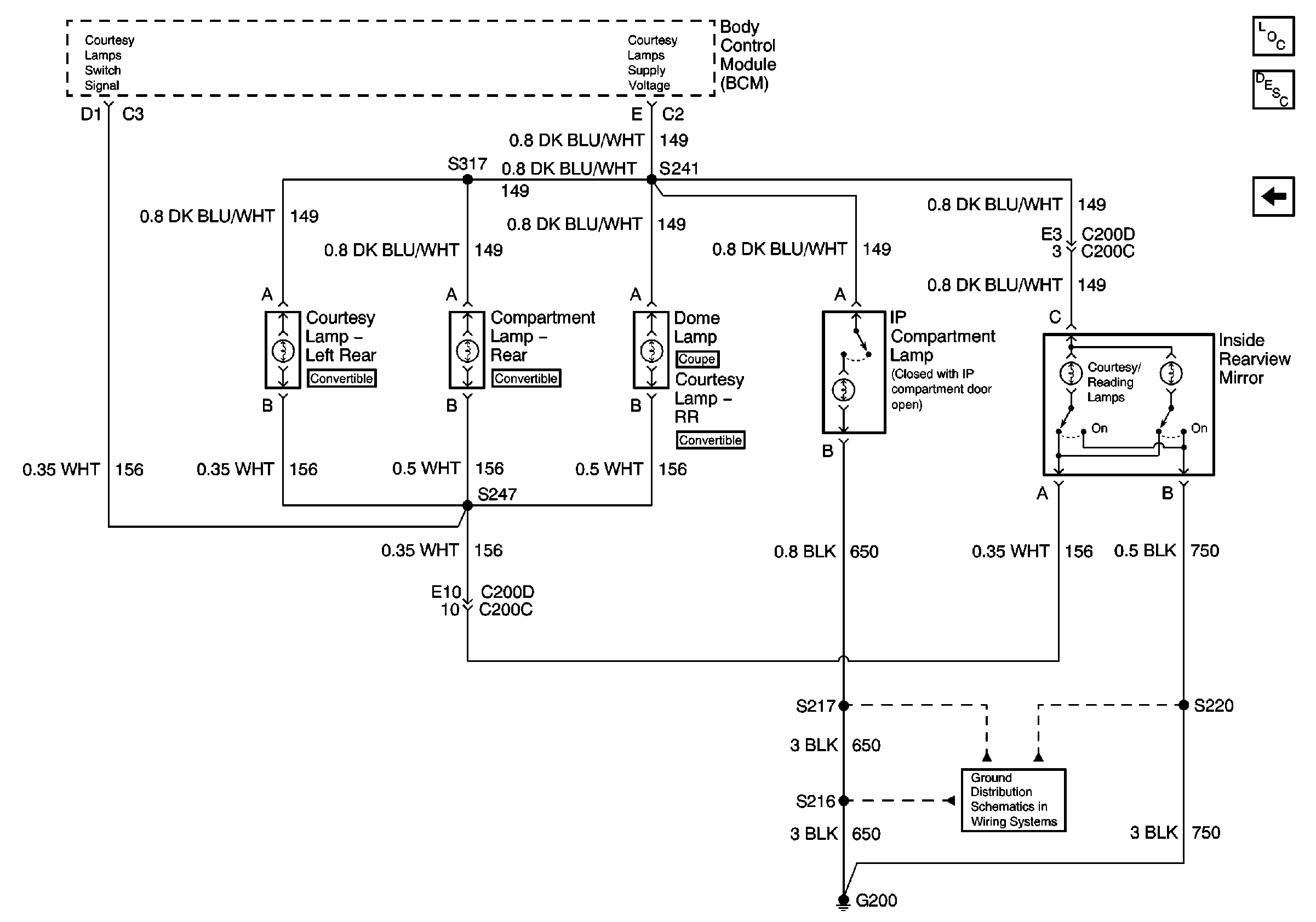
Body Control Module and Courtesy Lamps
G200 Splice S220
G400 Splice S470
Figure
2:
Body Control Module and Courtesy Lamps
Master Electrical Component List
Interior Lighting Systems Description and Operation
Body Control Module and Switch Inputs
G200 Splice S220