GM Service Manual Online
For 1990-2009 cars only
Figure 1:

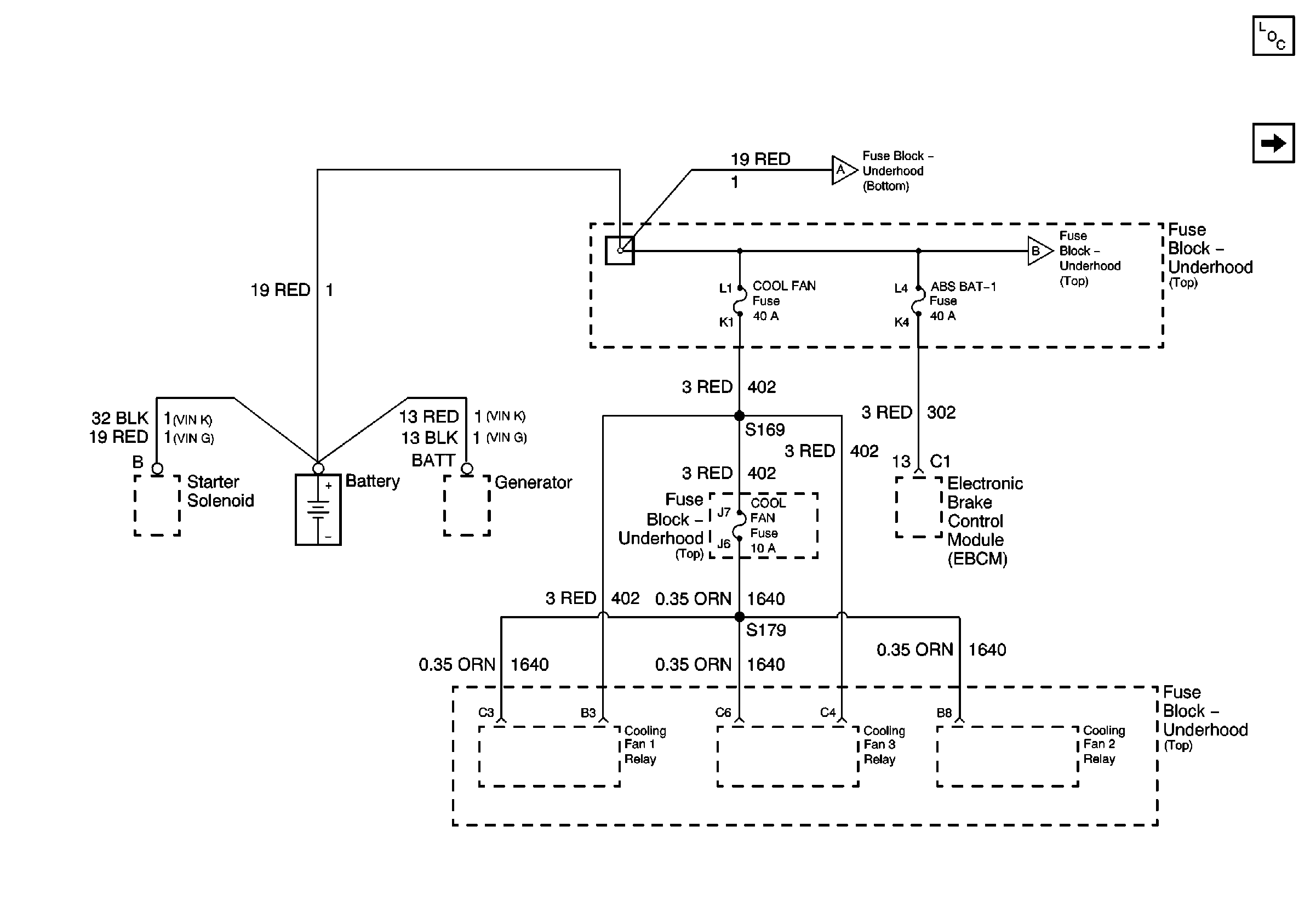
Battery, ABS BAT-1 and COOL FAN Fuses


Object Number: 726444  Size: FS
Master Electrical Component List
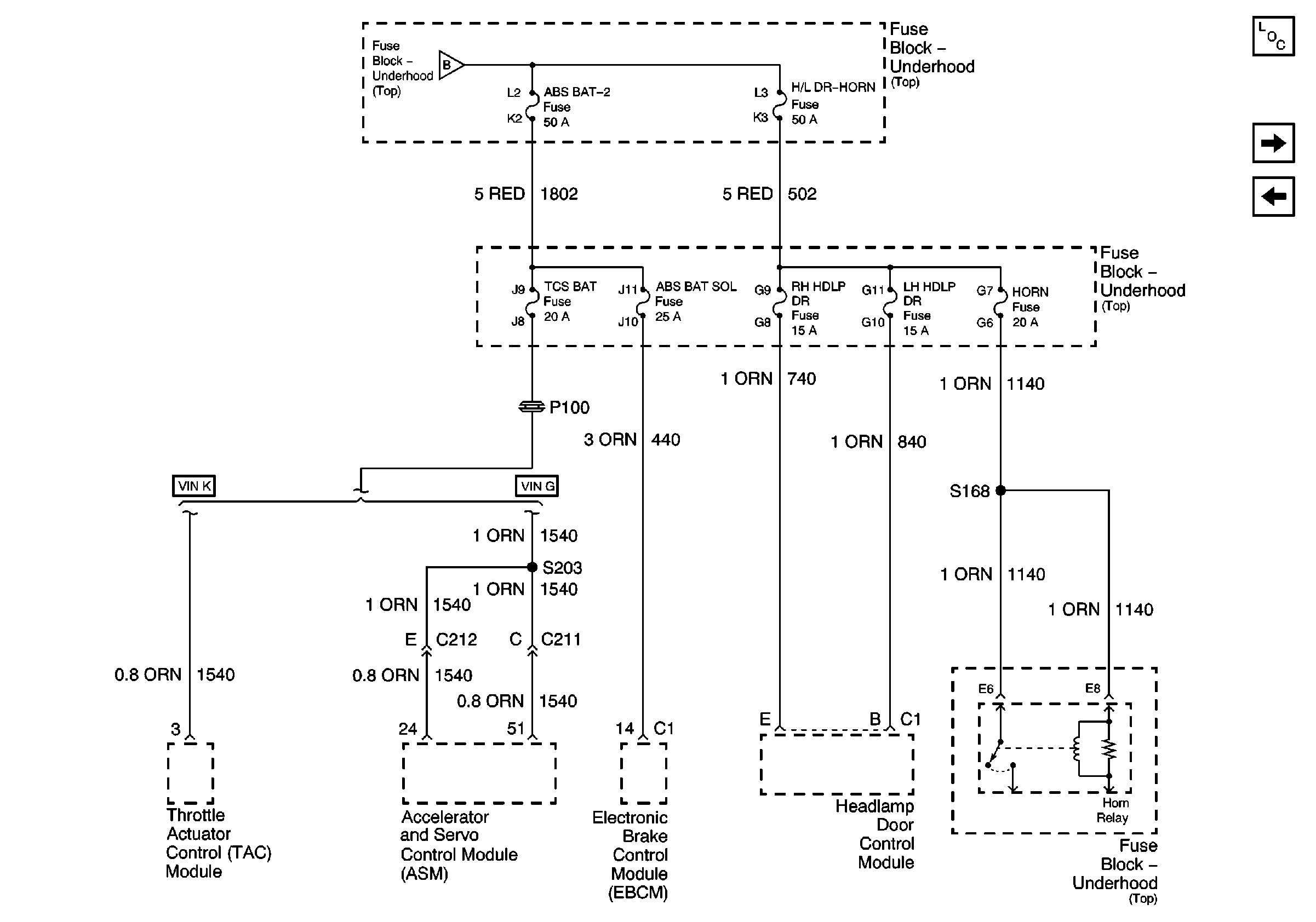
ABS BAT SOL, ABS BAT-2, HORN, H/L DOOR-HORN, LH HDLP DR, RH HDLP DR, and TCS BAT Fuses
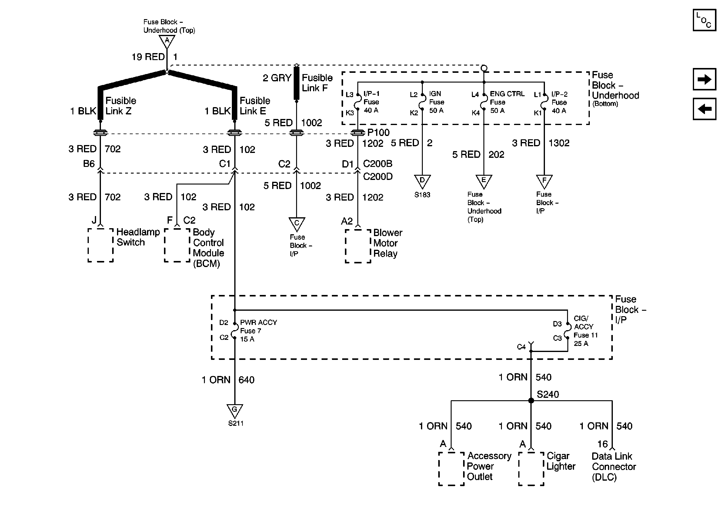
Fusible Links, CIG/ACCY, ENG CTRL, IGN, I/P-1, I/P-2, and PWR ACCY Fuses
ABS BAT SOL, ABS BAT-2, HORN, H/L DOOR-HORN, LH HDLP DR, RH HDLP DR, and TCS BAT Fuses
Figure 2:

ABS BAT SOL, ABS BAT-2, HORN, H/L DOOR-HORN, LH HDLP DR, RH HDLP DR, and TCS BAT Fuses


Object Number: 726446  Size: FS
Master Electrical Component List
Fusible Links, CIG/ACCY, ENG CTRL, IGN, I/P-1, I/P-2, and PWR ACCY Fuses
Battery, ABS BAT-1 and COOL FAN Fuses
Battery, ABS BAT-1 and COOL FAN Fuses
Figure 3:

Fusible Links, CIG/ACCY, ENG CTRL, IGN, I/P-1, I/P-2, and PWR ACCY Fuses


Object Number: 726450  Size: FS
Master Electrical Component List
COURTESY and RADIO ACCY Fuses
ABS BAT SOL, ABS BAT-2, HORN, H/L DOOR-HORN, LH HDLP DR, RH HDLP DR, and TCS BAT Fuses
Battery, ABS BAT-1 and COOL FAN Fuses
Battery, ABS BAT-1 and COOL FAN Fuses
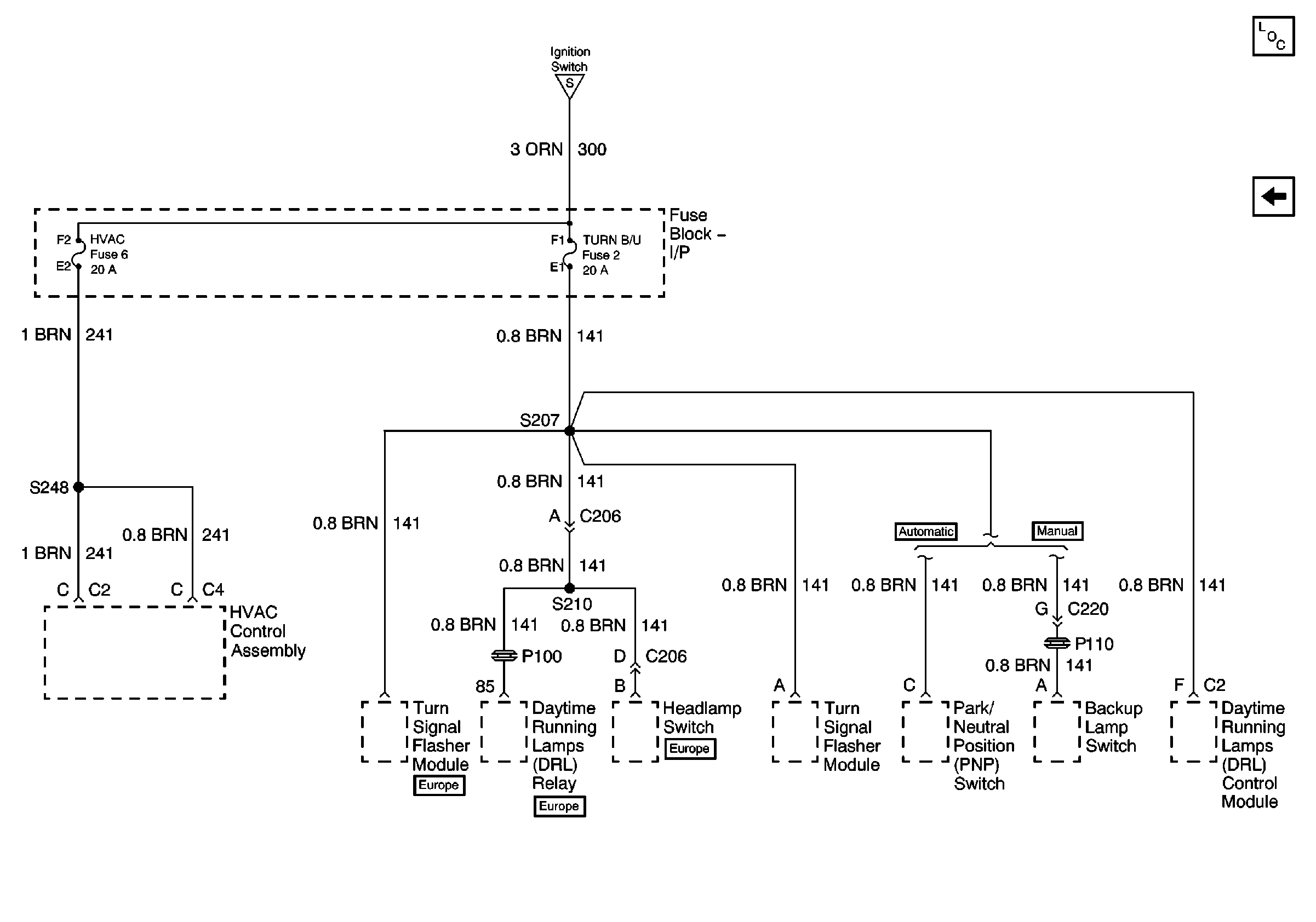
Ignition Switch
AIR PUMP, FUEL PUMP and PCM BAT Fuses
TAIL LPS and STOP/HAZARD Fuses
TAIL LPS and STOP/HAZARD Fuses
Figure 4:

COURTESY and RADIO ACCY Fuses


Object Number: 726456  Size: FS
Master Electrical Component List
DEFOG/SEATS Circuit Breaker
Fusible Links, CIG/ACCY, ENG CTRL, IGN, I/P-1, I/P-2, and PWR ACCY Fuses
Fusible Links, CIG/ACCY, ENG CTRL, IGN, I/P-1, I/P-2, and PWR ACCY Fuses
DEFOG/SEATS Circuit Breaker
Figure 5:

DEFOG/SEATS Circuit Breaker


Object Number: 726458  Size: FS
Master Electrical Component List
AIR PUMP, FUEL PUMP and PCM BAT Fuses
COURTESY and RADIO ACCY Fuses
COURTESY and RADIO ACCY Fuses
Figure 6:

AIR PUMP, FUEL PUMP and PCM BAT Fuses


Object Number: 726459  Size: FS
Master Electrical Component List
TAIL LPS and STOP/HAZARD Fuses
DEFOG/SEATS Circuit Breaker
Fusible Links, CIG/ACCY, ENG CTRL, IGN, I/P-1, I/P-2, and PWR ACCY Fuses
Figure 7:

TAIL LPS and STOP/HAZARD Fuses


Object Number: 726461  Size: FS
Master Electrical Component List
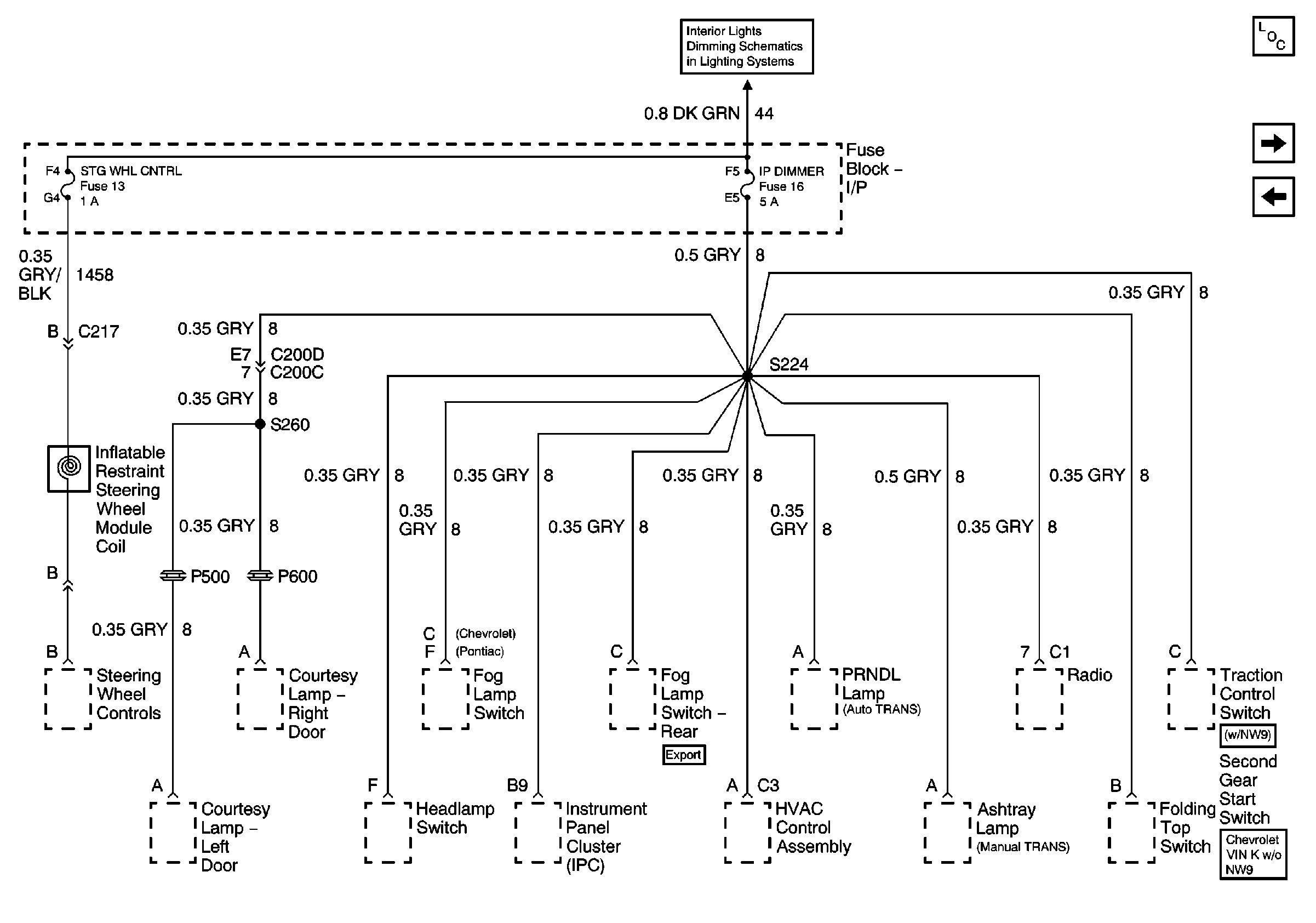
IP DIMMER and STG WHL CNTRL Fuses
AIR PUMP, FUEL PUMP and PCM BAT Fuses
Fusible Links, CIG/ACCY, ENG CTRL, IGN, I/P-1, I/P-2, and PWR ACCY Fuses
Fusible Links, CIG/ACCY, ENG CTRL, IGN, I/P-1, I/P-2, and PWR ACCY Fuses
Figure 8:

IP DIMMER and STG WHL CNTRL Fuses


Object Number: 726463  Size: FS
Master Electrical Component List
Ignition Switch
TAIL LPS and STOP/HAZARD Fuses
Headlamp Switch and IP Dimmer Switch
Figure 9:

Ignition Switch


Object Number: 726466  Size: FS
Master Electrical Component List
AIR BAG and GAUGES Fuses
IP DIMMER and STG WHL CNTRL Fuses
Fusible Links, CIG/ACCY, ENG CTRL, IGN, I/P-1, I/P-2, and PWR ACCY Fuses
Battery and Ignition Switch
Body Control Module (BCM) and Ignition Switch
AIR BAG and GAUGES Fuses
ENG CTRL Fuse
ABS IGN, PCM IGN, and STRTR Fuses
ABS IGN, PCM IGN, and STRTR Fuses
Figure 10:

AIR BAG and GAUGES Fuses


Object Number: 726467  Size: FS
Master Electrical Component List
ENG CTRL Fuse
Ignition Switch
Ignition Switch
Figure 11:

ENG CTRL Fuse


Object Number: 726470  Size: FS
Master Electrical Component List
ABS IGN, PCM IGN, and STRTR Fuses
AIR BAG and GAUGES Fuses
Ignition Switch
INJ 1 Fuse
A/C CRUISE and ETC Fuses
Figure 12:

ABS IGN, PCM IGN, and STRTR Fuses


Object Number: 726656  Size: FS
Master Electrical Component List
A/C CRUISE and ETC Fuses
ENG CTRL Fuse
Ignition Switch
Ignition Switch
Figure 13:

A/C CRUISE and ETC Fuses


Object Number: 726658  Size: FS
Master Electrical Component List
INJ 1 Fuse
ABS IGN, PCM IGN, and STRTR Fuses
ENG CTRL Fuse
Figure 14:

INJ 1 Fuse


Object Number: 726659  Size: FS
Master Electrical Component List
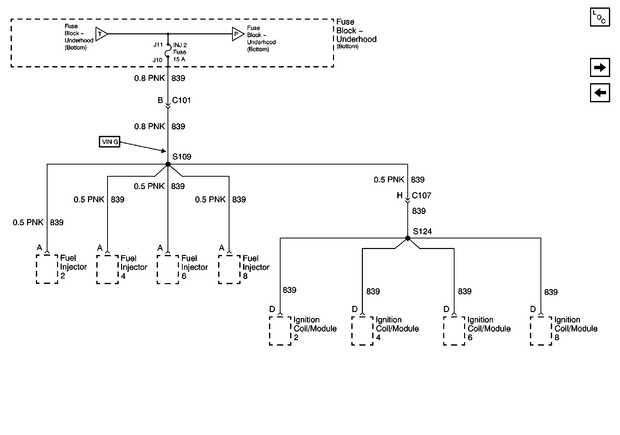
INJ 2 Fuse
A/C CRUISE and ETC Fuses
ENG CTRL Fuse
INJ 2 Fuse
Figure 15:

INJ 2 Fuse


Object Number: 726660  Size: FS
Master Electrical Component List
ENG SEN Fuse
INJ 1 Fuse
INJ 1 Fuse
ENG SEN Fuse
Figure 16:

ENG SEN Fuse


Object Number: 726661  Size: FS
Master Electrical Component List
Ignition Switch
INJ 2 Fuse
INJ 2 Fuse
Figure 17:

Body Control Module (BCM) and Ignition Switch


Object Number: 726662  Size: FS
Master Electrical Component List
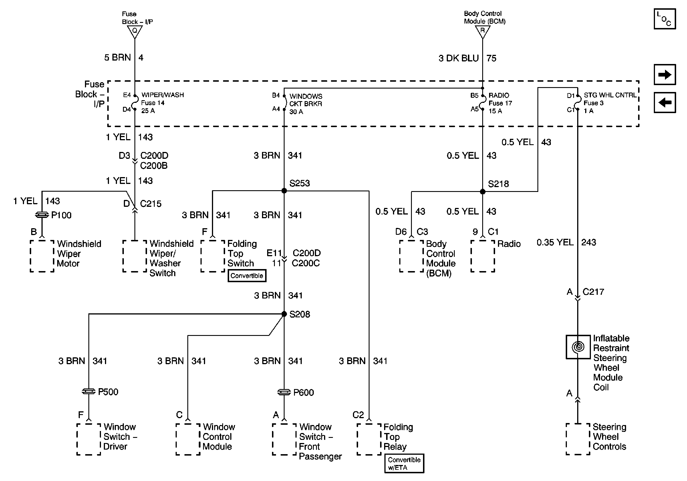
WINDOWS Circuit Breaker, RADIO, STG WHL CNTRL, and WIPER/WASH Fuses
ENG SEN Fuse
Ignition Switch
WINDOWS Circuit Breaker, RADIO, STG WHL CNTRL, and WIPER/WASH Fuses
WINDOWS Circuit Breaker, RADIO, STG WHL CNTRL, and WIPER/WASH Fuses
HVAC and TURN B/U Fuses
Figure 18:

WINDOWS Circuit Breaker, RADIO, STG WHL CNTRL, and WIPER/WASH Fuses


Object Number: 726664  Size: FS
Master Electrical Component List
HVAC and TURN B/U Fuses
Ignition Switch
Ignition Switch
Ignition Switch
Figure 19:

HVAC and TURN B/U Fuses


Object Number: 726665  Size: FS
Master Electrical Component List
WINDOWS Circuit Breaker, RADIO, STG WHL CNTRL, and WIPER/WASH Fuses
Ignition Switch