GM Service Manual Online
For 1990-2009 cars only
Makes
🢒
Pontiac
🢒
2001
🢒
Firebird
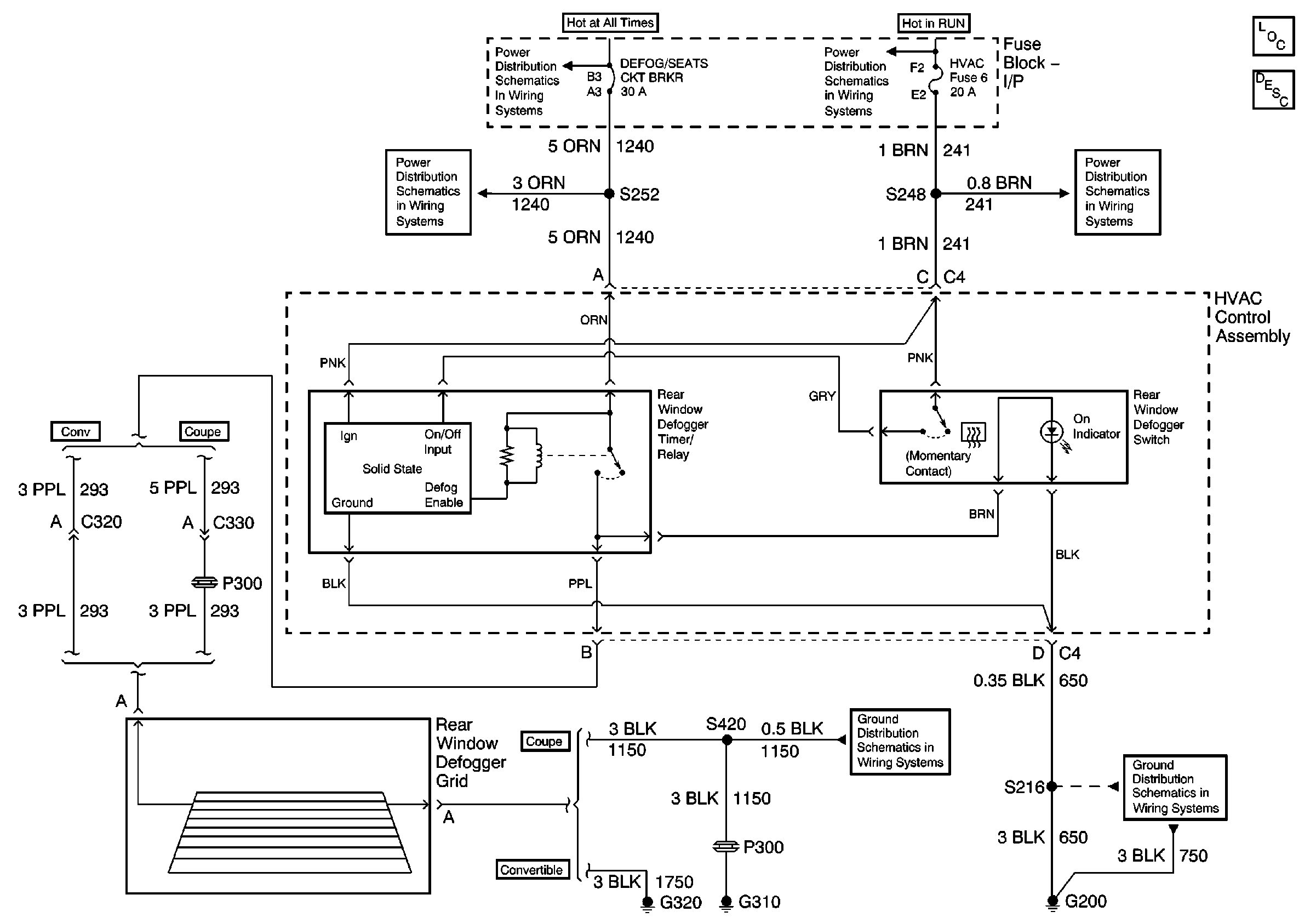
🢒 HVAC Control, Rear Defogger Grid
HVAC Control, Rear Defogger Grid
HVAC Control, Rear Defogger Grid
Master Electrical Component List
Rear Window Defogger Description and Operation
DEFOG/SEATS Circuit Breaker
HVAC and TURN B/U Fuses
HVAC and TURN B/U Fuses
DEFOG/SEATS Circuit Breaker
G305, G310, G320
G200 Splice S216