GM Service Manual Online
For 1990-2009 cars only
Makes
🢒
Pontiac
🢒
2001
🢒
Firebird
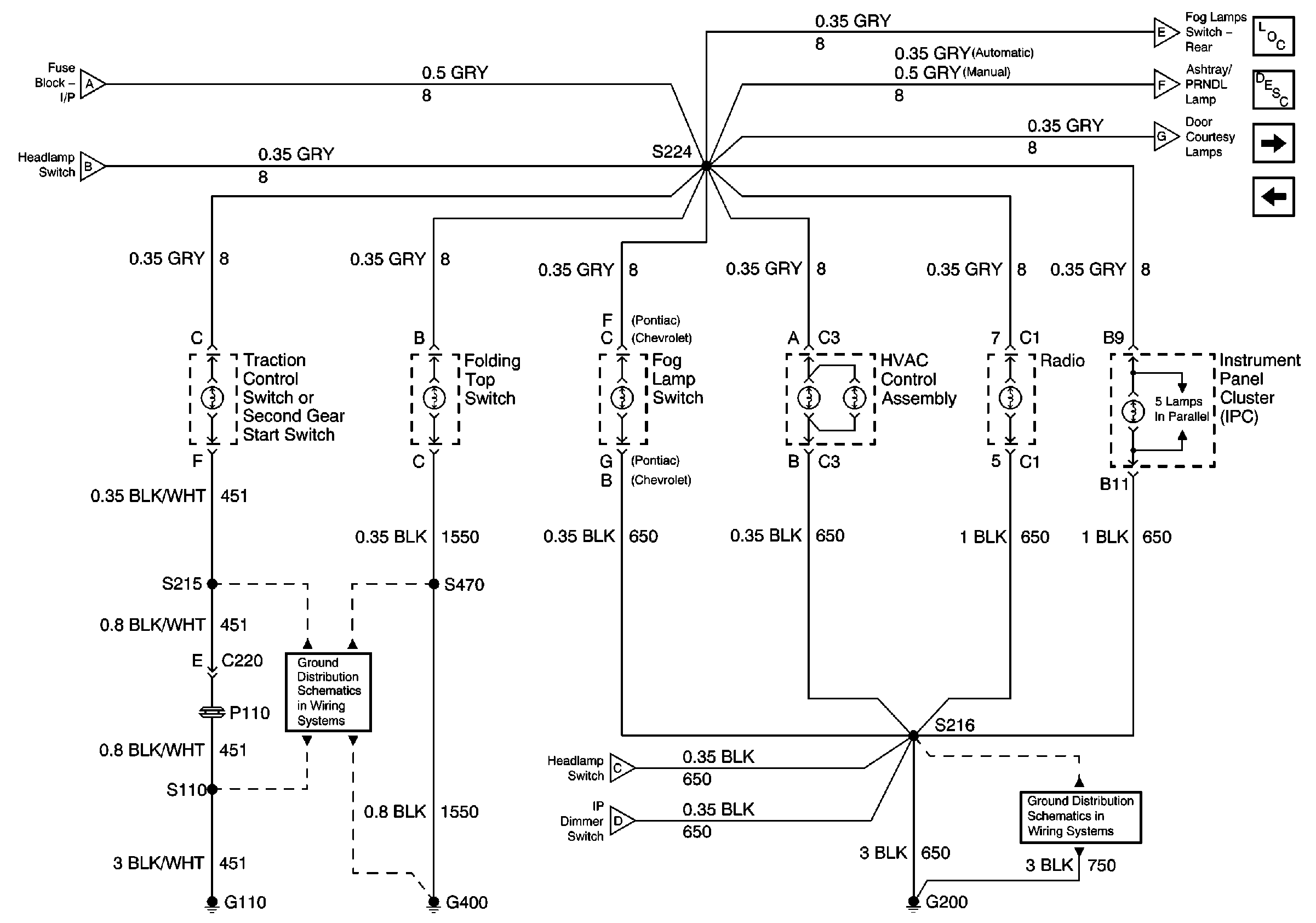
🢒 Interior Illumination Lamps (1 of 2)
Interior Illumination Lamps (1 of 2)
Interior Illumination Lamps (1 of 2)
Master Electrical Component List
Interior Lighting Systems Description and Operation
Interior Illumination Lamps (2 of 2)
Headlamp Switch and IP Dimmer Switch
Headlamp Switch and IP Dimmer Switch
Headlamp Switch and IP Dimmer Switch
G200 Splice S220