GM Service Manual Online
For 1990-2009 cars only
Makes
🢒
Pontiac
🢒
2001
🢒
Firebird
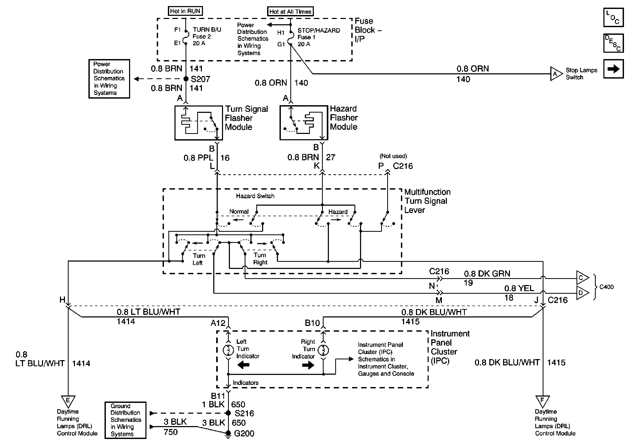
🢒 Turn/Hazard Switch, Turn Indicators
Turn/Hazard Switch, Turn Indicators
Turn/Hazard Switch, Turn Indicators
Master Electrical Component List
Exterior Lighting Systems Description and Operation
Center High Mounted Stop Lamp
Center High Mounted Stop Lamp
Taillamps, Tail/Stop Lamps, Tail/Stop/Turn Lamps, Side Marker Lamps, License Lamp
Taillamps, Tail/Stop Lamps, Tail/Stop/Turn Lamps, Side Marker Lamps, License Lamp
DRL Module, Side Marker Lamps, Park/Turn Lamps, Fog Lamp Relay
Instrument Cluster Illumination and Indicators
G200 Splice S216
DRL Module, Side Marker Lamps, Park/Turn Lamps, Fog Lamp Relay
TAIL LPS and STOP/HAZARD Fuses
HVAC and TURN B/U Fuses