GM Service Manual Online
For 1990-2009 cars only
Makes
🢒
Pontiac
🢒
2001
🢒
Firebird
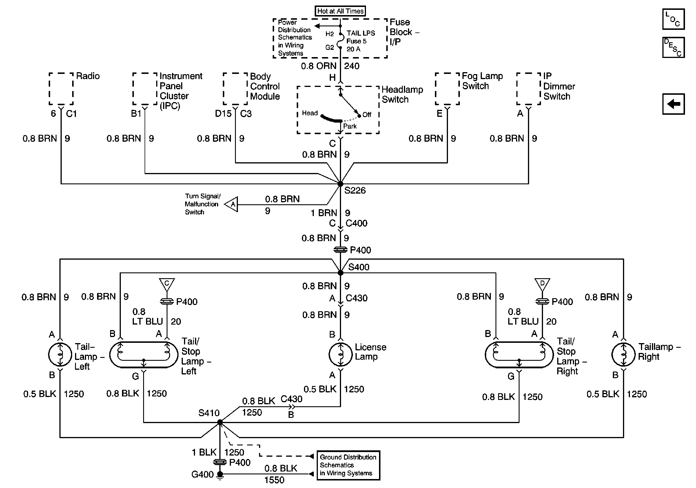
🢒 Chevrolet: Taillamps, License Lamp, Tail/Stop Lamps
Chevrolet: Taillamps, License Lamp, Tail/Stop Lamps
Chevrolet: Taillamps, License Lamp, Tail/Stop Lamps
Master Electrical Component List
Exterior Lighting Systems Description and Operation
Chevrolet: Center High Mounted Stop Lamp
Chevrolet: Center High Mounted Stop Lamp
G400 Chevrolet
TAIL LPS and STOP/HAZARD Fuses
Chevrolet: Side Marker Lamps, Park/Turn Lamps
Chevrolet: Center High Mounted Stop Lamp