GM Service Manual Online
For 1990-2009 cars only
Figure 1:

Module Power, Ground, Serial Data and MIL


Object Number: 770247  Size: FS
Master Electrical Component List
Powertrain Control Module Description
Ignition Relay
OBD II Symbol Description Notice
ABS IGN, PCM IGN and STRTR Fuses
ABS IGN, PCM IGN and STRTR Fuses
ENG CTRL, FUEL PUMP, AIR PUMP and PCM BAT Fuses
Class 2 Serial Data Communication
G110 V8 LS1
Figure 2:

Ignition Relay


Object Number: 1869018  Size: FS
Master Electrical Component List
Powertrain Control Module Description
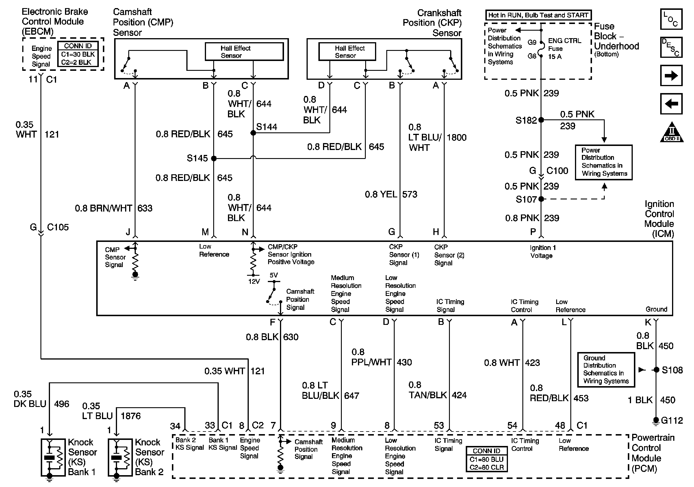
Engine Data Sensors - 5 Volt and Low Reference
Module Power,Ground,Serial Data and MIL
Battery Positive Voltage Bussing
IGN Fuse and Ignition Switch Bussing
IGN Fuse and Ignition Switch Bussing
IGN Fuse and Ignition Switch Bussing
G105
Figure 3:

Engine Data Sensors - 5 Volt and Low Reference


Object Number: 802111  Size: FS
Master Electrical Component List
Powertrain Control Module Description
Engine Data Sensors Pressure,Temperature,MAF and VSS
Ignition Relay
OBD II Symbol Description Notice
Figure 4:

Engine Data Sensors - Pressure, Temperature, MAF and VSS


Object Number: 770260  Size: FS
Master Electrical Component List
Air Intake System Description
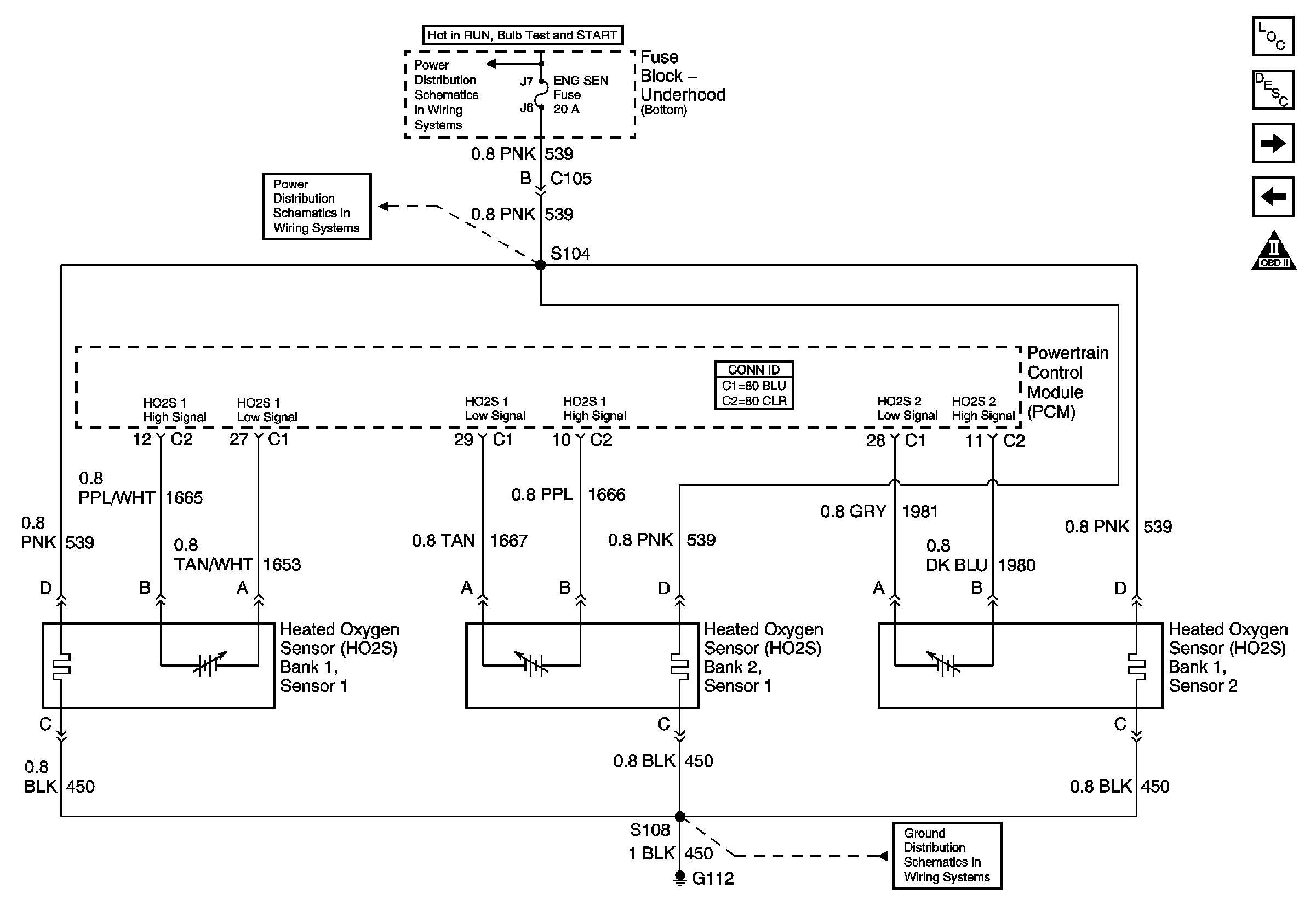
Engine Data Sensors-HO2S
Engine Data Sensors - 5 Volt and Low Reference
OBD II Symbol Description Notice
ENG SEN Fuse
ENG SEN Fuse
Fuel Controls-EVAP and Device Controls
Power, Ground, SerialData, Speedometer,Tachometer and Voltmeter
VSS, TFT and PNP V6 L36
G110 V8 LS1
Figure 5:

Engine Data Sensors - HO2S


Object Number: 770271  Size: FS
Master Electrical Component List
Powertrain Control Module Description
Engine Data Sensors-Electronic Throttle Controls
Engine Data Sensors Pressure,Temperature,MAF and VSS
OBD II Symbol Description Notice
G112 V8 LS1
ENG SEN Fuse
ENG SEN Fuse
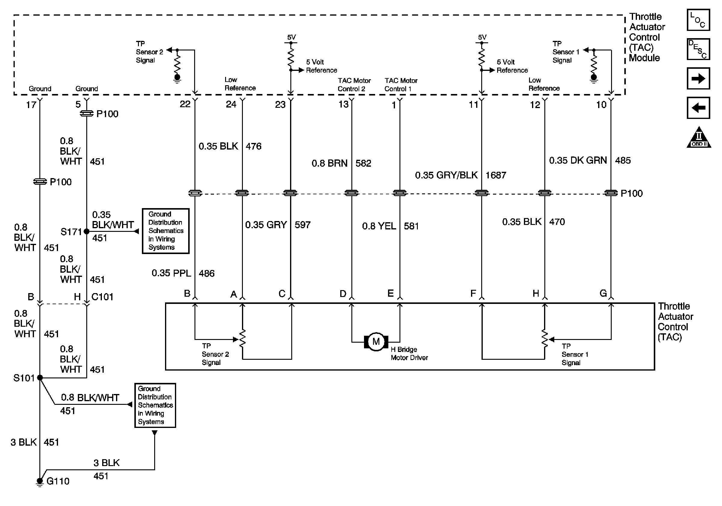
Figure 6:

Engine Data Sensors - Electronic Throttle Controls


Object Number: 771107  Size: FS
Master Electrical Component List
Throttle Actuator Control (TAC) System Description
Engine Data Sensors-Electronic Throttle Controls (TAC)
Engine Data Sensors-HO2S
OBD II Symbol Description Notice
ETC and A/C CRUISE Fuses
ABS BAT-2, H/L DR-HORN, TCS BAT, ABS BAT SOL, LH HDLP DR, RH HDLP DR and HORN Fuses
Controls and Signals V6 L36
Figure 7:

Engine Data Sensors - Electronic Throttle Controls


Object Number: 771109  Size: FS
Master Electrical Component List
Throttle Actuator Control (TAC) System Description
Ignition Controls
Engine Data Sensors-Electronic Throttle Controls
OBD II Symbol Description Notice
G110 V6 L36
G110 V6 L36
Figure 8:

Ignition Controls - Ignition System and Sensors


Object Number: 770253  Size: FS
Master Electrical Component List
Electronic Ignition (EI) System Description
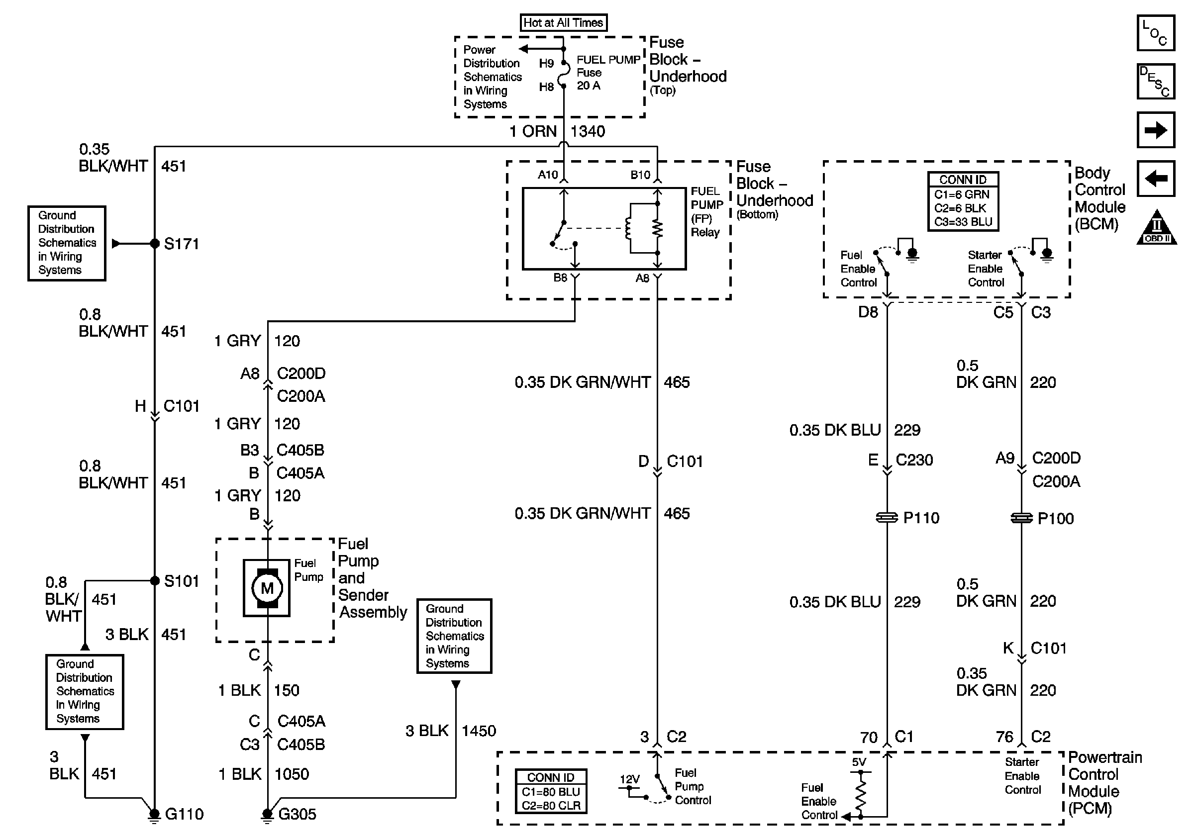
Fuel Controls-Fuel Pump Controls
Engine Data Sensors-Electronic Throttle Controls (TAC)
OBD II Symbol Description Notice
ENG CTRL Fuse
ENG CTRL Fuse
G112 V8 LS1
Figure 9:

Fuel Controls - Fuel Pump Controls


Object Number: 770255  Size: FS
Master Electrical Component List
Fuel System Description
Fuel Controls-Fuel Injectors
Ignition Controls
OBD II Symbol Description Notice
ENG CTRL, FUEL PUMP, AIR PUMP and PCM BAT Fuses
G110 V6 L36
G110 V6 L36
G305, G310, G320
Figure 10:

Fuel Controls - Fuel Injectors


Object Number: 770258  Size: FS
Master Electrical Component List
Fuel System Description
Fuel Controls-EVAP and Device Controls
Fuel Controls-Fuel Pump Controls
OBD II Symbol Description Notice
INJ 1 Fuse
Figure 11:

Fuel Controls - EVAP and Device Controls


Object Number: 770273  Size: FS
Master Electrical Component List
Evaporative Emission Control System Description
Controlled Monitored Subsytem References
Fuel Controls-Fuel Injectors
OBD II Symbol Description Notice
Engine Data Sensors Pressure,Temperature,MAF and VSS
Engine Coolant Temperature Gauge, Engine Oil Pressure Gauge and Fuel Level Gauge
Engine Coolant Temperature Gauge, Engine Oil Pressure Gauge and Fuel Level Gauge
Compressor Controls - V6 L36
ENG CTRL Fuse
ENG CTRL Fuse
VSS, TFT and PNP V6 L36
Compressor Controls - V6 L36
Figure 12:

Controlled/Monitored Subsystem References


Object Number: 770278  Size: FS
Master Electrical Component List
Powertrain Control Module Description
Transmission Controls-M/T and A/T
Fuel Controls-EVAP and Device Controls
OBD II Symbol Description Notice
Compressor Controls - V6 L36
Engine Cooling Schematics
Traction Control Switch V6 L36
Charging
Indicators
Figure 13:

Transmission Controls - M/T and A/T


Object Number: 771110  Size: FS
Master Electrical Component List
Powertrain Control Module Description
Controlled Monitored Subsytem References
OBD II Symbol Description Notice
Solenoids and TCC Switch V6 L36
Second Gear Start V6 L36
VSS, TFT and PNP V6 L36