GM Service Manual Online
For 1990-2009 cars only

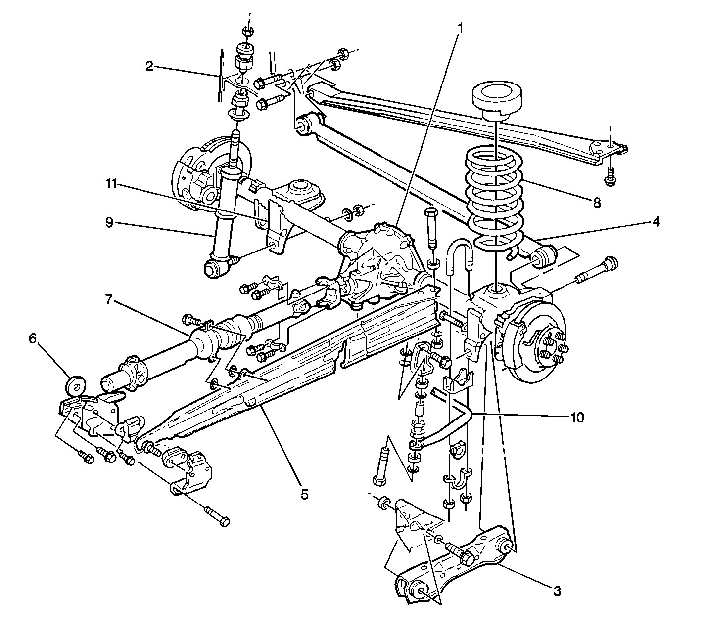
Object Number: 454513  Size: LF
    • The rear axle (1) attaches to the vehicle with a link suspension system.
    • The rear axle housing connects to the floor panel (2) by two lower control arms (3) and a track bar (4). A single torque arm (5) is used in place of an upper control arm.
    • The torque arm (5) rigidly mounts to the rear axle housing at the rear.
    • The torque arm (5) mounts through a torque arm bushing (6) at the front.
    • On some vehicles, the torque arm (5) also mounts to the two piece propeller shaft center support bearing (7) with two bolts.
    • The rear springs (8) support the weight of the vehicle.
    • The rear shock absorbers (9) mount to the rear of the axle housing and provide ride control. A rear stabilizer shaft (10) is also part of the suspension system.
    • The rear shock absorbers (9) mount at the bottom with a nut to brackets (11) welded to the rear of the rear axle housing and also mount at the top of the floor panel (2) with a nut.
    • The only service that the rear shock absorbers require is replacement for the following conditions:
       - Loss of resistance
       - Damage or leaking fluid
    • For rear shock absorber diagnosis, refer to Suspension Strut and Shock Absorber Testing - On Vehicle in Suspension General Diagnosis.